Подшипники гост
Интернет-магазин
8-800-250-16-58
Обратный звонок

Заказ обратного звонка




Эл. почта:
info@amost.ru
Свои заказы Корзина пуста





Получать прайс-лист на email:

Чтобы отписаться от рассылки, введите e-mail, на который вы получаете наши письма:

 

Поиск подшипников

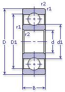
Масса и размеры

Внутренний диаметр d, мм

От  до 

Наружный диаметр D, мм

От  до 

Ширина b, мм

Применяемость

Раздел каталога

Подшипник шариковый радиальный однорядный основного конструктивного исполнения

204 А ЕТУ ВНИПП.500

Отечественный
Импортный
Цена: 30.00 руб

Производитель



под заказ
Обозначение 204 А ЕТУ ВНИПП.500
Цена импортная 22
Новинки N
Хиты продаж N
Скидки N
Внутренний диаметр, d (мм) 20
Наружный диаметр, D (мм) 47
Ширина, В (мм) 14
Масса, m (кг) 0.1
Грузоподъемность динамическая, C (kN) 12.7
Грузоподъемность статическая, Co (kN) 6.2
Ном. частота вращен. при пластич. смазке, n grease (1/min) 15000
Диаметр шарика, d шарика (мм) 7.938
Количество шариков, N шариков 8
Ном. частота вращен. при жидк. смазке, n oil (1/min) 18000
Диаметр борта наружного кольца, D1(mm) 39.5
Диаметр борта внутреннего кольца, d1 (mm) 27.3
Радиус фаски, r1, r2 min (мм) 1
204 А ЕТУ ВНИПП.500

Этот подшипник может быть заменен другими:

Подшипник 50204 — Условие отсутствует

Подшипник 60204 — При условии демонтажа одной защитной шайбы

Подшипник 160204 — При условии демонтажа одной защитной шайбы

Подшипник 150204 — При условии демонтажа одной защитной шайбы (п/ш с канавкой)

Подшипник 80204 — При условии демонтажа 2-х защитных шайб

Подшипник 180204 — При условии демонтажа 2-х защитных шайб

Подшипник 450204 — При условии демонтажа 2-х защитных шайб

Подшипник 750204 — При условии демонтажа 2-х защитных шайб

Марка Модель Узел Кол-во на узел
БелАЗ 549(75т) Мотор-колесо 2
БелАЗ 7420-9590 Мотор-колесо 8
БелАЗ 7509 Мотор-колесо 4
БелАЗ 75091(75т) Мотор-колесо 4
БелАЗ 7519 Мотор-колесо 2
БелАЗ 75191(110т) Мотор-колесо 4
БелАЗ 75211(180т) Спидометр: привод 3
ГАЗ 4301 Спецоборудование 2
ГАЗ 53Б Коробка отбора мощности 2
ГАЗ САЗ 3502 Коробка отбора мощности 2
ГАЗ САЗ 3503 Коробка отбора мощности 2
ГАЗ САЗ 4509 Спецоборудование 2
ГАЗ САЗ 53Б Коробка отбора мощности 2
ЗИЛ 133ВЯ Двигатель: система охлаждения 1
ЗИЛ 133ГЯ Двигатель: система охлаждения 1
КАЗ 4540 Двигатель: система охлаждения 1
КамАЗ 4310 Двигатель: система охлаждения 1
КамАЗ 43105 Двигатель: система охлаждения 1
КамАЗ 5320 Двигатель: система охлаждения 1
КамАЗ 5320 Двигатель: вал ведомый гидромуфты вентилятора, опора задняя 1
КамАЗ 53211 Двигатель: вал ведомый гидромуфты вентилятора, опора задняя 1
КамАЗ 53212 Двигатель: система охлаждения 1
КамАЗ 53212 Двигатель: вал ведомый гидромуфты вентилятора, опора задняя 1
КамАЗ 53213 Двигатель: система охлаждения 1
КамАЗ 53213 Двигатель: вал ведомый гидромуфты вентилятора, опора задняя 1
КамАЗ 53222 Двигатель: система охлаждения 1
КамАЗ 5325 Двигатель: система охлаждения 1
КамАЗ 5410 Двигатель: система охлаждения 1
КамАЗ 5410 Двигатель: вал ведомый гидромуфты вентилятора, опора задняя 1
КамАЗ 54112 Двигатель: система охлаждения 1
КамАЗ 54112 Двигатель: вал ведомый гидромуфты вентилятора, опора задняя 1
КамАЗ 54122 Двигатель: система охлаждения 1
КамАЗ 5425 Двигатель: система охлаждения 1
КамАЗ 55102 Двигатель: система охлаждения 1
КамАЗ 55102 Двигатель: вал ведомый гидромуфты вентилятора, опора задняя 1
КамАЗ 5511 Двигатель: система охлаждения 1
КамАЗ 55111 Двигатель: вал ведомый гидромуфты вентилятора, опора задняя 1
КамАЗ 6410 Двигатель: система охлаждения 1
Комбайн Нива Шкив устройства натяжного 2
ЛиАЗ 5256 Двигатель 1
МАЗ 537 Компрессор 1
МАЗ 537Г Компрессор 1
МАЗ 7310 Гидромотор 4
МАЗ 73101 Гидромотор 4
МАЗ 7410 Гидромотор 4
МАЗ 7410 Коробка раздаточная 1
Машина зерноочистительная ОС-4.5 Ролик натяжной -
Мототехника Восход 3 Вал коленчатый -
Мототехника Восход 3М Вал коленчатый -
Мототехника Восход 3М-01 Вал коленчатый -
Мототехника Восход 3М-02 Вал коленчатый -
Мототехника Днепр-11 Вал распределительный: опора задняя -
Мототехника Днепр-12 Вал распределительный: опора задняя -
Мототехника Днепр-12 Дифференциал: крышка -
Мототехника Днепр-12 Редуктор: крышка левая -
Мототехника Днепр-16 Вал распределительный: опора задняя -
Мототехника Днепр-16 Дифференциал: крышка -
Мототехника Днепр-16 Редуктор: крышка левая -
Мототехника ИЖ-П Коробка передач: вал первичный -
Мототехника ИЖ-П2 Коробка передач: вал первичный -
Мототехника ИЖ-П3 Коробка передач: вал первичный -
Мототехника ИЖ-П4 Коробка передач: вал первичный -
Мототехника ИЖ-П5 Коробка передач: вал первичный -
Мототехника ИЖ-ПС Коробка передач: вал первичный -
Мототехника ИЖ-Ю Коробка передач: вал первичный -
Мототехника ИЖ-Ю2 Коробка передач: вал первичный -
Мототехника ИЖ-Ю3 Коробка передач: вал первичный -
Мототехника ИЖ-Ю5 Коробка передач: вал первичный -
Мототехника Минск ММВЗ-3.11211 Вал коленчатый -
Мототехника Минск ММВЗ-3.1135 Вал коленчатый -
Мототехника Мокик ИЖ2.673 Двигатель: вал коленчатый -
Мототехника МТ10-36 Днепр Вал распределительный: опора задняя -
Опрыскиватель малообъемный 3411040 Насос -
САЗ 3502 Коробка отбора мощности -
САЗ 3507 Коробка отбора мощности -
Свеклопогрузчик навесной тракторный СНТ-2.1А Транспортер продольный и поперечный: ролики натяжные боковые -
Станкостроение Не указано Не указано -
Трактор ДТ-20 Насос топливный 1
Трактор ДТ-20 Ось шестерни промежуточной 2
Трактор ДТ-75 Двигатель: привод гидронасоса 1
Трактор ДТ-75МВ Двигатель: привод гидронасоса 1
Трактор К-701 Двигатель: электродвигатель насоса маслозакачивающего 1
Трактор МТЗ-100 Корпус МС: шестерня привода насоса НМШ-25 -
Трактор МТЗ-102 Корпус МС: шестерня привода насоса НМШ-25 -
Трактор МТЗ-2 Генератор Г46-Г: опора задняя 1
Трактор МТЗ-5 Генератор Г46-Г: опора задняя 1
Трактор МТЗ-5К Генератор Г46-Г: опора задняя 1
Трактор МТЗ-5Л Генератор Г46-Г: опора задняя 1
Трактор МТЗ-5ЛС Генератор Г46-Г: опора задняя 1
Трактор Т-012 Коробка передач: вал первичный -
Трактор Т-012 Коробка передач: вал хода заднего -
Трактор Т-012 Вал отбора мощности передний: вал привода -
Трактор Т-012 Коробка передач: вал привода -
Трактор Т-150 Вал отбора мощности: вал привода 1
Трактор Т-150 Двигатель: вал кулачковый насоса топливного 2
Трактор Т-150 Насос масляный: шестерня привода 2
Трактор Т-150К Двигатель: вал кулачковый насоса топливного 2
Трактор Т-151К с двигателем СМД-62/63 Двигатель: вал кулачковый насоса топливного -
Трактор Т-151К с двигателем СМД-62А/63А Двигатель: вал кулачковый насоса топливного -
Трактор Т-16 Вал распределительный 1
Трактор Т-25А Насос топливный: вал кулачковый -
Трактор Т-40 Гидронасос: привод 2
Трактор Т-40 Двигатель: вентилятор 2
Трактор Т-40А Гидронасос: привод 2
Трактор Т-40А Двигатель: вентилятор 2
Трактор Т-40АМ Система питания: насос топливораспределительный -
Трактор Т-40АНМ Система питания: насос топливораспределительный -
Трактор Т-40М Система питания: насос топливораспределительный -
Трактор Т-4А Гидронасос НШ-46УЛ: привод -
Трактор Т-74 Гидронасос: привод -
Трактор Т-75 с двигателем СМД-14Г Двигатель: привод гидронасоса -
Трактор Т-75МВ с двигателем А-41 Двигатель: привод гидронасоса -
Трактор ТТ-4М Гидронасос НШ-32: привод -
Трактор ТТ-4М-01 Гидронасос НШ-32: привод -
Трактор ХТЗ-120 Двигатель: привод гидронасоса -
Трактор ХТЗ-121 Двигатель: привод гидронасоса -
Трамвайный вагон КТМ-5М3 Контроллер 1
Трамвайный вагон КТМ-5М3 Переключатель реостатный ЭКГ-33Б 2
Трамвайный вагон РВ3-6М2 Контроллер водителя КВ-34Б 1
Трамвайный вагон РВ3-6М2 Узел подвески двери 4
УРАЛ 4320 Двигатель 1
УРАЛ 5557 Двигатель 1
УРАЛ 5920 Двигатель 1
Бренд Обозначение
ГПЗ 204
SKF 6204
FAG 6204
NSK 6204
Товар добавлен в корзину
Перейти в корзину ×