Подшипники гост
Интернет-магазин
8-800-250-16-58
Обратный звонок

Заказ обратного звонка




Эл. почта:
info@amost.ru
Свои заказы Корзина пуста





Получать прайс-лист на email:

Чтобы отписаться от рассылки, введите e-mail, на который вы получаете наши письма:

 

Поиск подшипников

Масса и размеры

Внутренний диаметр d, мм

От  до 

Наружный диаметр D, мм

От  до 

Ширина b, мм

Применяемость

Раздел каталога

Подшипник шариковый радиальный однорядный основного конструктивного исполнения

207 ЕШ2 ТУ 4477-Э

Отечественный
Импортный
Цена: 52.00 руб

Производитель



под заказ
Обозначение 207 ЕШ2 ТУ 4477-Э
Цена импортная 55
Новинки N
Хиты продаж N
Скидки N
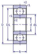
Внутренний диаметр, d (мм) 35
Наружный диаметр, D (мм) 72
Ширина, В (мм) 17
Масса, m (кг) 0.278
Грузоподъемность динамическая, C (kN) 25.5
Грузоподъемность статическая, Co (kN) 13.7
Ном. частота вращен. при пластич. смазке, n grease (1/min) 9000
Диаметр шарика, d шарика (мм) 11.112
Количество шариков, N шариков 9
Ном. частота вращен. при жидк. смазке, n oil (1/min) 11000
Диаметр борта наружного кольца, D1(mm) 60.2
Диаметр борта внутреннего кольца, d1 (mm) 46.9
Радиус фаски, r1, r2 min (мм) 1.1
207 ЕШ2 ТУ 4477-Э

Этот подшипник может быть заменен другими:

Подшипник 50207 — Условие отсутствует

Подшипник 60207 — При условии демонтажа одной защитной шайбы

Подшипник 160207 — При условии демонтажа одной защитной шайбы

Подшипник 150207 — При условии демонтажа одной защитной шайбы (п/ш с канавкой)

Подшипник 80207 — При условии демонтажа 2-х защитных шайб

Подшипник 180207 — При условии демонтажа 2-х защитных шайб

Подшипник 450207 — При условии демонтажа 2-х защитных шайб

Марка Модель Узел Кол-во на узел
Автопогрузчик 4008М Тормоз 1
Автопогрузчик 4014 Тормоз 1
Автопогрузчик 4016 Тормоз 1
Автопогрузчик 4017 Тормоз 1
Автопогрузчик 4022 Грузоподъемник 16
Автопогрузчик 4065 Грузоподъемник 2
БелАЗ 540А(27т) Компрессор 2
БелАЗ 548(40т) Компрессор 2
БелАЗ 549(75т) Компрессор 2
БелАЗ 7509 Компрессор 2
БелАЗ 75091(75т) Компрессор 2
БелАЗ 7519 Компрессор 2
БелАЗ 75191(110т) Компрессор 2
БелАЗ 75211(180т) Генератор-дизель 1
БелАЗ 75211(180т) Компрессор 2
БелАЗ 7522(30т) Компрессор 2
БелАЗ 7523(40т) Компрессор 2
БелАЗ 7548(42т) Компрессор 2
Подшипники ГАЗ 27057 Кулак поворотный: шарнир 2
Подшипники ГАЗ 32217 Кулак поворотный: шарнир 2
Подшипники ГАЗ 322172 Кулак поворотный: шарнир 2
Подшипники ГАЗ 322173 Кулак поворотный: шарнир 2
Подшипники ГАЗ 3301 Двигатель 4
Подшипники ГАЗ 33027 Кулак поворотный: шарнир 2
Подшипники ГАЗ 330273 Кулак поворотный: шарнир 2
Подшипники ГАЗ 3306 Вентилятор 1
Подшипники ГАЗ 3306 Компрессор 2
Подшипники ГАЗ 3306 Муфта опережения впрыска топлива 1
ГАЗ 3309 Система охлаждения: вентилятор 1
ГАЗ 3309 Двигатель: привод насоса топливного высокого давления 1
ГАЗ 3309 Система охлаждения: привод вентилятора 2
ГАЗ 4301 Двигатель 4
ГАЗ 4301 Компрессор 2
ГАЗ 4301 Коробка отбора мощности 3
ГАЗ 4301 Спецоборудование 2
ГАЗ 4301 Двигатель: муфта опережения впрыска топлива 1
ГАЗ 4301 Двигатель: гидромуфта привода вентилятора 1
ГАЗ 4509 Компрессор 2
ГАЗ 4509 Коробка отбора мощности 3
ГАЗ 4509 Двигатель: муфта опережения впрыска топлива 1
ГАЗ 4509 Двигатель: гидромуфта привода вентилятора 1
ГАЗ 53Б Коробка отбора мощности 1
ГАЗ 53Б Коробка отбора мощности 1
ГАЗ 66 Компрессор 1
ГАЗ 66-01 Компрессор: вал коленчатый, опора передняя 1
ГАЗ 66-02 Компрессор: вал коленчатый, опора передняя 1
ГАЗ 66-04 Компрессор: вал коленчатый, опора передняя 1
ГАЗ 66-05 Компрессор: вал коленчатый, опора передняя 1
ГАЗ 66-11 Компрессор 2
ГАЗ 66-12 Компрессор 2
ГАЗ 66-12 Компрессор 2
ГАЗ САЗ 3502 Коробка отбора мощности 1
ГАЗ САЗ 3503 Коробка отбора мощности 1
ГАЗ САЗ 4509 Двигатель 4
ГАЗ САЗ 4509 Спецоборудование 2
ГАЗ САЗ 53Б Коробка отбора мощности 1
ЗАЗ 1102 Таврия Дифференциал 2
ЗАЗ 110206 Дифференциал -
ЗАЗ 1103 Дифференциал -
ЗАЗ 1105 Дифференциал -
ЗИЛ 130 Система тормозная: вал коленчатый компрессора 2
ЗИЛ 130-77 Тормоз 2
ЗИЛ 130В1 Система тормозная: вал коленчатый компрессора 2
ЗИЛ 130Г Система тормозная: вал коленчатый компрессора 2
ЗИЛ 130Д Система тормозная: вал коленчатый компрессора 2
ЗИЛ 130Е Система тормозная: вал коленчатый компрессора 2
ЗИЛ 131В Система тормозная: вал коленчатый компрессора 2
ЗИЛ 131М Система тормозная 2
ЗИЛ 131МВ Система тормозная 2
ЗИЛ 131Н Система тормозная: вал коленчатый компрессора 2
ЗИЛ 131НВ Система тормозная: вал коленчатый компрессора 2
ЗИЛ 133ВЯ Двигатель 1
ЗИЛ 133ВЯ Двигатель: система охлаждения 1
ЗИЛ 133ВЯ Система тормозная 2
ЗИЛ 133Г1 Двигатель 2
ЗИЛ 133Г1 Система тормозная 2
ЗИЛ 133ГЯ Двигатель 1
ЗИЛ 133ГЯ Двигатель: система охлаждения 1
ЗИЛ 133ГЯ Система тормозная 2
ЗИЛ 137Б Компрессор 2
ЗИЛ 137Б Тормоз 2
ЗИЛ 157КД Компрессор 2
ЗИЛ 157КД Тормоз 2
ЗИЛ 431410 Компрессор: вал коленчатый 2
ЗИЛ 431410 Компрессор: вал коленчатый 2
ЗИЛ 431510 Компрессор: вал коленчатый 2
ЗИЛ 431510 Компрессор: вал коленчатый 2
ЗИЛ 431917 Система тормозная: вал коленчатый компрессора 2
ЗИЛ 4331 Компрессор 2
ЗИЛ 4331 Тормоз 2
ЗИЛ 433100 Компрессор 2
ЗИЛ 433110 Компрессор: вал коленчатый 2
ЗИЛ 433110 Компрессор: вал коленчатый 2
ЗИЛ 433360 Компрессор: вал коленчатый 2
ЗИЛ 433360 Компрессор: вал коленчатый 2
ЗИЛ 441510 Компрессор: вал коленчатый 2
ЗИЛ 441510 Компрессор: вал коленчатый 2
ЗИЛ 442160 Компрессор: вал коленчатый 2
ЗИЛ 442160 Компрессор: вал коленчатый 2
ЗИЛ 494560 Компрессор: вал коленчатый 2
ЗИЛ 494560 Компрессор: вал коленчатый 2
ЗИЛ 495710 Компрессор: вал коленчатый 2
ЗИЛ 495710 Компрессор: вал коленчатый 2
ЗИЛ 495810 Компрессор: вал коленчатый 2
ЗИЛ 495810 Компрессор: вал коленчатый 2
ЗИЛ 5301 Бычок Компрессор 2
КАвЗ 3100 Система тормозная 1
КАвЗ 3100 Система тормозная 1
КАЗ 4540 Двигатель: система охлаждения 1
КАЗ 608В Система тормозная 1
КамАЗ 4310 Двигатель 1
КамАЗ 4310 Двигатель: система охлаждения 1
КамАЗ 4310 Двигатель: система охлаждения 1
КамАЗ 4310 Компрессор 2
КамАЗ 4310 Тормоз 2
КамАЗ 43105 Двигатель 1
КамАЗ 43105 Двигатель: система охлаждения 1
КамАЗ 43105 Двигатель: система охлаждения 1
КамАЗ 43105 Компрессор 2
КамАЗ 43105 Тормоз 2
КамАЗ 5320 Двигатель 1
КамАЗ 5320 Двигатель: система охлаждения 1
КамАЗ 5320 Компрессор -
КамАЗ 5320 Компрессор 2
КамАЗ 5320 Тормоз 2
КамАЗ 5320 Двигатель: вал ведомый гидромуфты вентилятора, опора задняя -
КамАЗ 5320 Двигатель: вал ведущий гидромуфты вентилятора, опора задняя 1
КамАЗ 5320 Двигатель: вал колеса зубчатого привода насоса топливного, опора передняя 1
КамАЗ 53211 Компрессор -
КамАЗ 53211 Компрессор 2
КамАЗ 53211 Двигатель: вал ведомый гидромуфты вентилятора, опора задняя -
КамАЗ 53211 Двигатель: вал ведущий гидромуфты вентилятора, опора задняя 1
КамАЗ 53211 Двигатель: вал колеса зубчатого привода насоса топливного, опора передняя 1
КамАЗ 53212 Двигатель 1
КамАЗ 53212 Двигатель: система охлаждения 1
КамАЗ 53212 Компрессор -
КамАЗ 53212 Компрессор 2
КамАЗ 53212 Тормоз 2
КамАЗ 53212 Двигатель: вал ведомый гидромуфты вентилятора, опора задняя -
КамАЗ 53212 Двигатель: вал ведущий гидромуфты вентилятора, опора задняя 1
КамАЗ 53212 Двигатель: вал колеса зубчатого привода насоса топливного, опора передняя 1
КамАЗ 53213 Двигатель 1
КамАЗ 53213 Двигатель: система охлаждения 1
КамАЗ 53213 Компрессор -
КамАЗ 53213 Компрессор 2
КамАЗ 53213 Тормоз 2
КамАЗ 53213 Двигатель: вал ведомый гидромуфты вентилятора, опора задняя -
КамАЗ 53213 Двигатель: вал ведущий гидромуфты вентилятора, опора задняя 1
КамАЗ 53213 Двигатель: вал колеса зубчатого привода насоса топливного, опора передняя 1
КамАЗ 53222 Двигатель 1
КамАЗ 53222 Двигатель: система охлаждения 1
КамАЗ 53222 Тормоз 2
КамАЗ 5325 Двигатель 1
КамАЗ 5325 Двигатель: система охлаждения 1
КамАЗ 5325 Компрессор 2
КамАЗ 5325 Тормоз 2
КамАЗ 5410 Двигатель 1
КамАЗ 5410 Двигатель: система охлаждения 1
КамАЗ 5410 Компрессор -
КамАЗ 5410 Компрессор 2
КамАЗ 5410 Тормоз 2
КамАЗ 5410 Двигатель: вал ведомый гидромуфты вентилятора, опора задняя -
КамАЗ 5410 Двигатель: вал ведущий гидромуфты вентилятора, опора задняя 1
КамАЗ 5410 Двигатель: вал колеса зубчатого привода насоса топливного, опора передняя 1
КамАЗ 54112 Двигатель 1
КамАЗ 54112 Двигатель: система охлаждения 1
КамАЗ 54112 Компрессор -
КамАЗ 54112 Компрессор 2
КамАЗ 54112 Тормоз 2
КамАЗ 54112 Двигатель: вал ведомый гидромуфты вентилятора, опора задняя -
КамАЗ 54112 Двигатель: вал ведущий гидромуфты вентилятора, опора задняя 1
КамАЗ 54112 Двигатель: вал колеса зубчатого привода насоса топливного, опора передняя 1
КамАЗ 54122 Двигатель 1
КамАЗ 54122 Двигатель: система охлаждения 1
КамАЗ 54122 Тормоз 2
КамАЗ 5425 Двигатель 1
КамАЗ 5425 Двигатель: система охлаждения 1
КамАЗ 5425 Компрессор 2
КамАЗ 5425 Тормоз 2
КамАЗ 55102 Двигатель 1
КамАЗ 55102 Двигатель: система охлаждения 1
КамАЗ 55102 Компрессор -
КамАЗ 55102 Компрессор 2
КамАЗ 55102 Тормоз 2
КамАЗ 55102 Двигатель: вал ведомый гидромуфты вентилятора, опора задняя -
КамАЗ 55102 Двигатель: вал ведущий гидромуфты вентилятора, опора задняя 1
КамАЗ 55102 Двигатель: вал колеса зубчатого привода насоса топливного, опора передняя 1
КамАЗ 5511 Двигатель 1
КамАЗ 5511 Двигатель: система охлаждения 1
КамАЗ 5511 Тормоз 2
КамАЗ 55111 Компрессор -
КамАЗ 55111 Компрессор 2
КамАЗ 55111 Двигатель: вал ведомый гидромуфты вентилятора, опора задняя -
КамАЗ 55111 Двигатель: вал ведущий гидромуфты вентилятора, опора задняя 1
КамАЗ 55111 Двигатель: вал колеса зубчатого привода насоса топливного, опора передняя 1
КамАЗ 6410 Двигатель 1
КамАЗ 6410 Двигатель: система охлаждения 1
КамАЗ 6410 Компрессор 2
КамАЗ 6410 Мост средний 1
КамАЗ 6410 Тормоз 2
Комбайн Дон-680 Редуктор вальцов верхних 3
Комбайн Дон-680 Подборщик: редуктор 2
Комбайн КПИ-2.4 Жатка для уборки силосных культур: редуктор -
Комбайн КПИ-2.4 Измельчитель: коробка распределительная -
Комбайн КСК-100А/А1 Редуктор КИС 0904000Б -
Комбайн КСКУ-6 Коробка раздаточная -
КрАЗ 214Б Компрессор: вал коленчатый, опоры -
КрАЗ 250 Система тормозная 2
КрАЗ 255 Система тормозная 2
КрАЗ 255Б1 Система тормозная 2
КрАЗ 255Б1А Система тормозная 2
КрАЗ 255В1 Система тормозная 2
КрАЗ 255Л1 Система тормозная 2
КрАЗ 256Б1 Система тормозная 2
КрАЗ 257Б1 Система тормозная 2
КрАЗ 257Б1А Система тормозная 2
КрАЗ 258Б1 Система тормозная 2
КрАЗ 260 Система тормозная 2
КрАЗ 260А Система тормозная 2
КрАЗ 260А Система тормозная 2
КрАЗ 260В Система тормозная 2
КрАЗ 260Г Система тормозная 2
КрАЗ 260Д Система тормозная 2
КрАЗ 260С Система тормозная 2
КрАЗ 260С Система тормозная 2
ЛАЗ 699Н Тормоз 2
ЛАЗ 699Р Компрессор 2
ЛАЗ 699Р Компрессор 2
ЛАЗ 699Р Тормоз 2
ЛиАЗ 5256 Двигатель 1
ЛиАЗ 5256 Двигатель 1
ЛиАЗ 5256 Двигатель: система питания 1
ЛиАЗ 5256 Двигатель: система питания 1
ЛиАЗ 677 Система тормозная 1
ЛиАЗ 677 Система тормозная 1
ЛиАЗ 677Б Система тормозная 1
ЛиАЗ 677Б Система тормозная 1
ЛиАЗ 677В Система тормозная 1
ЛиАЗ 677В Система тормозная 1
ЛиАЗ 677М Система тормозная 1
ЛиАЗ 677М Система тормозная 1
ЛиАЗ 677П Система тормозная 1
ЛиАЗ 677П Система тормозная 1
МАЗ 504В Компрессор 2
МАЗ 509А Компрессор 2
МАЗ 5322 Компрессор 2
МАЗ 5334 Компрессор 2
МАЗ 5335 Компрессор 2
МАЗ 5336 Компрессор -
МАЗ 5336 Компрессор 2
МАЗ 5338 Компрессор 2
МАЗ 5429 Компрессор 2
МАЗ 543 Двигатель: система охлаждения 6
МАЗ 543 Компрессор 2
МАЗ 5430 Компрессор 2
МАЗ 54321 Компрессор 2
МАЗ 5433 Компрессор 2
МАЗ 54337 Компрессор -
МАЗ 5434 Компрессор 2
МАЗ 5449 Компрессор -
МАЗ 547 Двигатель: система охлаждения 6
МАЗ 5549 Компрессор 2
МАЗ 5551 Компрессор 2
МАЗ 55512 Компрессор 2
МАЗ 55527 Компрессор -
МАЗ 5558 Компрессор 2
МАЗ 5563 Компрессор -
МАЗ 5572 Компрессор -
МАЗ 6303 Компрессор 2
МАЗ 6422 Компрессор 2
МАЗ 64221 Компрессор 2
МАЗ 64224 Компрессор 2
МАЗ 64227 Компрессор 2
МАЗ 64229 Компрессор 2
МАЗ 64239 Компрессор -
МАЗ 64245 Компрессор -
МАЗ 642554 Компрессор 2
МАЗ 7310 Двигатель: система охлаждения 4
МАЗ 73101 Двигатель: система охлаждения 6
МАЗ 7410 Двигатель: система охлаждения 4
МоАЗ 546П-Д357П Компрессор 2
МоАЗ 6401-9585 Компрессор 2
МоАЗ 6507 Компрессор 2
МоАЗ 7405-9586 Компрессор 2
Мототехника Днепр-11 Передача главная: шестерня ведомая -
Мототехника Днепр-12 Вал коленчатый: опора передняя -
Мототехника Днепр-16 Вал коленчатый: опора передняя -
Мототехника ИМЗ-8.103-10/40 Коробка передач: вал вторичный -
Мототехника ИМЗ-8.103-10/40 Двигатель: головка нижняя шатуна -
Мототехника ИМЗ-8.107 Урал Коробка передач: вал вторичный -
Мототехника ИМЗ-8.107 Урал Двигатель: головка нижняя шатуна -
Мототехника ИМЗ-8.123-10 Коробка передач: вал вторичный -
Мототехника ИМЗ-8.123-10 Двигатель: головка нижняя шатуна -
Мототехника М67-36 Урал Вал коленчатый: подшипники коренные -
Мототехника М67-36 Урал Передача главная: ступица колеса зубчатого ведомого -
Мототехника МТ10-36 Днепр Передача главная: ступица колеса зубчатого ведомого -
Мототехника Муравей ТГ-200 Передача главная: шестерня-полуось -
Мототехника Муравей ТМЗ-5-402/403 Передача главная: шестерня-полуось -
Приставка кукурузоуборочная ППК-4 Коробка раздаточная -
САЗ 3502 Коробка отбора мощности -
САЗ 3502 Коробка отбора мощности -
САЗ 3502 Компрессор: вал коленчатый, опора передняя 1
САЗ 3507 Коробка отбора мощности -
САЗ 3507 Коробка отбора мощности -
САЗ 3507 Компрессор: вал коленчатый, опора передняя 1
Свеклопогрузчик навесной тракторный СНТ-2.1А Редуктор главный: привод свеклопогрузчика -
Станкостроение Не указано Не указано -
Трактор ДТ-20 Вал скорости дополнительной 1
Трактор ДТ-75 Двигатель: привод гидронасоса 1
Трактор ДТ-75МВ Двигатель: ролик натяжной 1
Трактор ДТ-75МВ Двигатель: привод гидронасоса НШ-46У-Л 1
Трактор К-701 Компрессор 2
Трактор МТЗ-100 Дизель: опоры коленвала компрессора -
Трактор МТЗ-100 Корпус КП: опора задняя вала привода ВОМ -
Трактор МТЗ-100 Корпус МС: опора задняя вала привода насосов НМШ-25 и ГСОМ -
Трактор МТЗ-102 Дизель: опоры коленвала компрессора -
Трактор МТЗ-102 Корпус КП: опора задняя вала привода ВОМ -
Трактор МТЗ-102 Корпус МС: опора задняя вала привода насосов НМШ-25 и ГСОМ -
Трактор МТЗ-2 Двигатель пусковой ПД-10М: механизм передачи 4
Трактор МТЗ-2 Механизм гидравлический: опора передняя 1
Трактор МТЗ-5 Двигатель пусковой ПД-10М: механизм передачи 4
Трактор МТЗ-5 Механизм гидравлический: опора передняя 1
Трактор МТЗ-50 Двигатель: привод вентилятора, опора задняя 1
Трактор МТЗ-50ПЛ Двигатель пусковой ПД-10М: механизм передачи 4
Трактор МТЗ-5К Двигатель пусковой ПД-10М: механизм передачи 4
Трактор МТЗ-5Л Двигатель пусковой ПД-10М: механизм передачи 4
Трактор МТЗ-5ЛС Двигатель пусковой ПД-10М: механизм передачи 4
Трактор МТЗ-80 Компрессор 2
Трактор МТЗ-80Л Компрессор 2
Трактор МТЗ-82 Компрессор 2
Трактор МТЗ-82Л Компрессор 2
Трактор Т-012 Двигатель: вал коленчатый -
Трактор Т-150 Двигатель: вал коленчатый компрессора 1
Трактор Т-150К Двигатель: вал коленчатый компрессора 1
Трактор Т-151К с двигателем СМД-62/63 Двигатель: пневмокомпрессор -
Трактор Т-151К с двигателем СМД-62А/63А Двигатель: пневмокомпрессор -
Трактор Т-25 Передача главная 1
Трактор Т-25А Передача главная -
Трактор Т-40 Управление рулевое: корпус гидроусилителя 1
Трактор Т-40А Коробка раздаточная 1
Трактор Т-40А Управление рулевое: корпус гидроусилителя 1
Трактор Т-40АМ Коробка раздаточная -
Трактор Т-40АМ Управление рулевое: гидроусилитель -
Трактор Т-40АНМ Коробка раздаточная -
Трактор Т-40АНМ Управление рулевое: гидроусилитель -
Трактор Т-40М Управление рулевое: гидроусилитель -
Трактор Т-4А Ролики натяжные -
Трактор Т-4А Гидронасос НШ-46УЛ: привод -
Трактор Т-74 Гидронасос: привод -
Трактор Т-75 Вал отбора мощности: шестерня ведущая редуктора 1
Трактор Т-75 с двигателем СМД-14Г Двигатель: привод гидронасоса -
Трактор Т-75МВ с двигателем А-41 Двигатель: ролик натяжной -
Трактор Т-75МВ с двигателем А-41 Двигатель: привод гидронасоса НШ-46У-Л -
Трактор Т13010 Дифференциал -
Трактор Т13110 Дифференциал -
Трактор Т13110-70 Дифференциал -
Трактор ТТ-4М Ролики натяжные -
Трактор ТТ-4М Гидронасос НШ-32: привод -
Трактор ТТ-4М-01 Ролики натяжные -
Трактор ТТ-4М-01 Гидронасос НШ-32: привод -
Трактор ХТЗ-120 Двигатель: привод гидронасоса -
Трактор ХТЗ-120 Двигатель: пневмокомпрессор -
Трактор ХТЗ-121 Двигатель: привод гидронасоса -
Трактор ХТЗ-121 Двигатель: пневмокомпрессор -
Трактор ЮМЗ-6АЛ Двигатель пусковой: механизм передачи -
Трактор ЮМЗ-6АМ Двигатель пусковой: механизм передачи -
Трактор ЮМЗ-6КМ Двигатель пусковой: механизм передачи -
Трамвайный вагон Т-2 Контроллер 2
Трамвайный вагон Т-3 Контроллер 2
УРАЛ 375Д Управление рулевое 2
УРАЛ 375Д Система тормозная 1
УРАЛ 375ДМ Управление рулевое 2
УРАЛ 375ДМ Система тормозная 1
УРАЛ 377 Управление рулевое 2
УРАЛ 377 Система тормозная 1
УРАЛ 4320 Двигатель 1
УРАЛ 4320 Управление рулевое 2
УРАЛ 4320 Система тормозная 1
УРАЛ 5557 Двигатель 1
УРАЛ 5557 Управление рулевое 2
УРАЛ 5920 Двигатель 1
УРАЛ 5920 Управление рулевое 2
УРАЛ 5920 Система тормозная 1
Бренд Обозначение
ГПЗ 207
SKF 6207
FAG 6207
NSK 6207
Товар добавлен в корзину
Перейти в корзину ×