Подшипники гост
Интернет-магазин
8-800-250-16-58
Обратный звонок

Заказ обратного звонка




Эл. почта:
info@amost.ru
Свои заказы Корзина пуста





Получать прайс-лист на email:

Чтобы отписаться от рассылки, введите e-mail, на который вы получаете наши письма:

 

Поиск подшипников

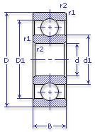
Масса и размеры

Внутренний диаметр d, мм

От  до 

Наружный диаметр D, мм

От  до 

Ширина b, мм

Применяемость

Раздел каталога

Подшипник шариковый радиальный однорядный основного конструктивного исполнения

207 Е5 ТУ 37.006.087

Отечественный
Импортный
Цена: 52.00 руб

Производитель



под заказ
Обозначение 207 Е5 ТУ 37.006.087
Цена импортная 55
Новинки N
Хиты продаж N
Скидки N
Внутренний диаметр, d (мм) 35
Наружный диаметр, D (мм) 72
Ширина, В (мм) 17
Масса, m (кг) 0.278
Грузоподъемность динамическая, C (kN) 25.5
Грузоподъемность статическая, Co (kN) 13.7
Ном. частота вращен. при пластич. смазке, n grease (1/min) 9000
Диаметр шарика, d шарика (мм) 11.112
Количество шариков, N шариков 9
Ном. частота вращен. при жидк. смазке, n oil (1/min) 11000
Диаметр борта наружного кольца, D1(mm) 60.2
Диаметр борта внутреннего кольца, d1 (mm) 46.9
Радиус фаски, r1, r2 min (мм) 1.1
207 Е5 ТУ 37.006.087

Этот подшипник может быть заменен другими:

Подшипник 50207 — Условие отсутствует

Подшипник 60207 — При условии демонтажа одной защитной шайбы

Подшипник 160207 — При условии демонтажа одной защитной шайбы

Подшипник 150207 — При условии демонтажа одной защитной шайбы (п/ш с канавкой)

Подшипник 80207 — При условии демонтажа 2-х защитных шайб

Подшипник 180207 — При условии демонтажа 2-х защитных шайб

Подшипник 450207 — При условии демонтажа 2-х защитных шайб

Марка Модель Узел Кол-во на узел
Автопогрузчик 4008М Тормоз 1
Автопогрузчик 4014 Тормоз 1
Автопогрузчик 4016 Тормоз 1
Автопогрузчик 4017 Тормоз 1
Автопогрузчик 4022 Грузоподъемник 16
Автопогрузчик 4065 Грузоподъемник 2
БелАЗ 540А(27т) Компрессор 2
БелАЗ 548(40т) Компрессор 2
БелАЗ 549(75т) Компрессор 2
БелАЗ 7509 Компрессор 2
БелАЗ 75091(75т) Компрессор 2
БелАЗ 7519 Компрессор 2
БелАЗ 75191(110т) Компрессор 2
БелАЗ 75211(180т) Генератор-дизель 1
БелАЗ 75211(180т) Компрессор 2
БелАЗ 7522(30т) Компрессор 2
БелАЗ 7523(40т) Компрессор 2
БелАЗ 7548(42т) Компрессор 2
Подшипники ГАЗ 27057 Кулак поворотный: шарнир 2
Подшипники ГАЗ 32217 Кулак поворотный: шарнир 2
Подшипники ГАЗ 322172 Кулак поворотный: шарнир 2
Подшипники ГАЗ 322173 Кулак поворотный: шарнир 2
Подшипники ГАЗ 3301 Двигатель 4
Подшипники ГАЗ 33027 Кулак поворотный: шарнир 2
Подшипники ГАЗ 330273 Кулак поворотный: шарнир 2
Подшипники ГАЗ 3306 Вентилятор 1
Подшипники ГАЗ 3306 Компрессор 2
Подшипники ГАЗ 3306 Муфта опережения впрыска топлива 1
ГАЗ 3309 Система охлаждения: вентилятор 1
ГАЗ 3309 Двигатель: привод насоса топливного высокого давления 1
ГАЗ 3309 Система охлаждения: привод вентилятора 2
ГАЗ 4301 Двигатель 4
ГАЗ 4301 Компрессор 2
ГАЗ 4301 Коробка отбора мощности 3
ГАЗ 4301 Спецоборудование 2
ГАЗ 4301 Двигатель: муфта опережения впрыска топлива 1
ГАЗ 4301 Двигатель: гидромуфта привода вентилятора 1
ГАЗ 4509 Компрессор 2
ГАЗ 4509 Коробка отбора мощности 3
ГАЗ 4509 Двигатель: муфта опережения впрыска топлива 1
ГАЗ 4509 Двигатель: гидромуфта привода вентилятора 1
ГАЗ 53Б Коробка отбора мощности 1
ГАЗ 53Б Коробка отбора мощности 1
ГАЗ 66 Компрессор 1
ГАЗ 66-01 Компрессор: вал коленчатый, опора передняя 1
ГАЗ 66-02 Компрессор: вал коленчатый, опора передняя 1
ГАЗ 66-04 Компрессор: вал коленчатый, опора передняя 1
ГАЗ 66-05 Компрессор: вал коленчатый, опора передняя 1
ГАЗ 66-11 Компрессор 2
ГАЗ 66-12 Компрессор 2
ГАЗ 66-12 Компрессор 2
ГАЗ САЗ 3502 Коробка отбора мощности 1
ГАЗ САЗ 3503 Коробка отбора мощности 1
ГАЗ САЗ 4509 Двигатель 4
ГАЗ САЗ 4509 Спецоборудование 2
ГАЗ САЗ 53Б Коробка отбора мощности 1
ЗАЗ 1102 Таврия Дифференциал 2
ЗАЗ 110206 Дифференциал -
ЗАЗ 1103 Дифференциал -
ЗАЗ 1105 Дифференциал -
ЗИЛ 130 Система тормозная: вал коленчатый компрессора 2
ЗИЛ 130-77 Тормоз 2
ЗИЛ 130В1 Система тормозная: вал коленчатый компрессора 2
ЗИЛ 130Г Система тормозная: вал коленчатый компрессора 2
ЗИЛ 130Д Система тормозная: вал коленчатый компрессора 2
ЗИЛ 130Е Система тормозная: вал коленчатый компрессора 2
ЗИЛ 131В Система тормозная: вал коленчатый компрессора 2
ЗИЛ 131М Система тормозная 2
ЗИЛ 131МВ Система тормозная 2
ЗИЛ 131Н Система тормозная: вал коленчатый компрессора 2
ЗИЛ 131НВ Система тормозная: вал коленчатый компрессора 2
ЗИЛ 133ВЯ Двигатель 1
ЗИЛ 133ВЯ Двигатель: система охлаждения 1
ЗИЛ 133ВЯ Система тормозная 2
ЗИЛ 133Г1 Двигатель 2
ЗИЛ 133Г1 Система тормозная 2
ЗИЛ 133ГЯ Двигатель 1
ЗИЛ 133ГЯ Двигатель: система охлаждения 1
ЗИЛ 133ГЯ Система тормозная 2
ЗИЛ 137Б Компрессор 2
ЗИЛ 137Б Тормоз 2
ЗИЛ 157КД Компрессор 2
ЗИЛ 157КД Тормоз 2
ЗИЛ 431410 Компрессор: вал коленчатый 2
ЗИЛ 431410 Компрессор: вал коленчатый 2
ЗИЛ 431510 Компрессор: вал коленчатый 2
ЗИЛ 431510 Компрессор: вал коленчатый 2
ЗИЛ 431917 Система тормозная: вал коленчатый компрессора 2
ЗИЛ 4331 Компрессор 2
ЗИЛ 4331 Тормоз 2
ЗИЛ 433100 Компрессор 2
ЗИЛ 433110 Компрессор: вал коленчатый 2
ЗИЛ 433110 Компрессор: вал коленчатый 2
ЗИЛ 433360 Компрессор: вал коленчатый 2
ЗИЛ 433360 Компрессор: вал коленчатый 2
ЗИЛ 441510 Компрессор: вал коленчатый 2
ЗИЛ 441510 Компрессор: вал коленчатый 2
ЗИЛ 442160 Компрессор: вал коленчатый 2
ЗИЛ 442160 Компрессор: вал коленчатый 2
ЗИЛ 494560 Компрессор: вал коленчатый 2
ЗИЛ 494560 Компрессор: вал коленчатый 2
ЗИЛ 495710 Компрессор: вал коленчатый 2
ЗИЛ 495710 Компрессор: вал коленчатый 2
ЗИЛ 495810 Компрессор: вал коленчатый 2
ЗИЛ 495810 Компрессор: вал коленчатый 2
ЗИЛ 5301 Бычок Компрессор 2
КАвЗ 3100 Система тормозная 1
КАвЗ 3100 Система тормозная 1
КАЗ 4540 Двигатель: система охлаждения 1
КАЗ 608В Система тормозная 1
КамАЗ 4310 Двигатель 1
КамАЗ 4310 Двигатель: система охлаждения 1
КамАЗ 4310 Двигатель: система охлаждения 1
КамАЗ 4310 Компрессор 2
КамАЗ 4310 Тормоз 2
КамАЗ 43105 Двигатель 1
КамАЗ 43105 Двигатель: система охлаждения 1
КамАЗ 43105 Двигатель: система охлаждения 1
КамАЗ 43105 Компрессор 2
КамАЗ 43105 Тормоз 2
КамАЗ 5320 Двигатель 1
КамАЗ 5320 Двигатель: система охлаждения 1
КамАЗ 5320 Компрессор -
КамАЗ 5320 Компрессор 2
КамАЗ 5320 Тормоз 2
КамАЗ 5320 Двигатель: вал ведомый гидромуфты вентилятора, опора задняя -
КамАЗ 5320 Двигатель: вал ведущий гидромуфты вентилятора, опора задняя 1
КамАЗ 5320 Двигатель: вал колеса зубчатого привода насоса топливного, опора передняя 1
КамАЗ 53211 Компрессор -
КамАЗ 53211 Компрессор 2
КамАЗ 53211 Двигатель: вал ведомый гидромуфты вентилятора, опора задняя -
КамАЗ 53211 Двигатель: вал ведущий гидромуфты вентилятора, опора задняя 1
КамАЗ 53211 Двигатель: вал колеса зубчатого привода насоса топливного, опора передняя 1
КамАЗ 53212 Двигатель 1
КамАЗ 53212 Двигатель: система охлаждения 1
КамАЗ 53212 Компрессор -
КамАЗ 53212 Компрессор 2
КамАЗ 53212 Тормоз 2
КамАЗ 53212 Двигатель: вал ведомый гидромуфты вентилятора, опора задняя -
КамАЗ 53212 Двигатель: вал ведущий гидромуфты вентилятора, опора задняя 1
КамАЗ 53212 Двигатель: вал колеса зубчатого привода насоса топливного, опора передняя 1
КамАЗ 53213 Двигатель 1
КамАЗ 53213 Двигатель: система охлаждения 1
КамАЗ 53213 Компрессор -
КамАЗ 53213 Компрессор 2
КамАЗ 53213 Тормоз 2
КамАЗ 53213 Двигатель: вал ведомый гидромуфты вентилятора, опора задняя -
КамАЗ 53213 Двигатель: вал ведущий гидромуфты вентилятора, опора задняя 1
КамАЗ 53213 Двигатель: вал колеса зубчатого привода насоса топливного, опора передняя 1
КамАЗ 53222 Двигатель 1
КамАЗ 53222 Двигатель: система охлаждения 1
КамАЗ 53222 Тормоз 2
КамАЗ 5325 Двигатель 1
КамАЗ 5325 Двигатель: система охлаждения 1
КамАЗ 5325 Компрессор 2
КамАЗ 5325 Тормоз 2
КамАЗ 5410 Двигатель 1
КамАЗ 5410 Двигатель: система охлаждения 1
КамАЗ 5410 Компрессор -
КамАЗ 5410 Компрессор 2
КамАЗ 5410 Тормоз 2
КамАЗ 5410 Двигатель: вал ведомый гидромуфты вентилятора, опора задняя -
КамАЗ 5410 Двигатель: вал ведущий гидромуфты вентилятора, опора задняя 1
КамАЗ 5410 Двигатель: вал колеса зубчатого привода насоса топливного, опора передняя 1
КамАЗ 54112 Двигатель 1
КамАЗ 54112 Двигатель: система охлаждения 1
КамАЗ 54112 Компрессор -
КамАЗ 54112 Компрессор 2
КамАЗ 54112 Тормоз 2
КамАЗ 54112 Двигатель: вал ведомый гидромуфты вентилятора, опора задняя -
КамАЗ 54112 Двигатель: вал ведущий гидромуфты вентилятора, опора задняя 1
КамАЗ 54112 Двигатель: вал колеса зубчатого привода насоса топливного, опора передняя 1
КамАЗ 54122 Двигатель 1
КамАЗ 54122 Двигатель: система охлаждения 1
КамАЗ 54122 Тормоз 2
КамАЗ 5425 Двигатель 1
КамАЗ 5425 Двигатель: система охлаждения 1
КамАЗ 5425 Компрессор 2
КамАЗ 5425 Тормоз 2
КамАЗ 55102 Двигатель 1
КамАЗ 55102 Двигатель: система охлаждения 1
КамАЗ 55102 Компрессор -
КамАЗ 55102 Компрессор 2
КамАЗ 55102 Тормоз 2
КамАЗ 55102 Двигатель: вал ведомый гидромуфты вентилятора, опора задняя -
КамАЗ 55102 Двигатель: вал ведущий гидромуфты вентилятора, опора задняя 1
КамАЗ 55102 Двигатель: вал колеса зубчатого привода насоса топливного, опора передняя 1
КамАЗ 5511 Двигатель 1
КамАЗ 5511 Двигатель: система охлаждения 1
КамАЗ 5511 Тормоз 2
КамАЗ 55111 Компрессор -
КамАЗ 55111 Компрессор 2
КамАЗ 55111 Двигатель: вал ведомый гидромуфты вентилятора, опора задняя -
КамАЗ 55111 Двигатель: вал ведущий гидромуфты вентилятора, опора задняя 1
КамАЗ 55111 Двигатель: вал колеса зубчатого привода насоса топливного, опора передняя 1
КамАЗ 6410 Двигатель 1
КамАЗ 6410 Двигатель: система охлаждения 1
КамАЗ 6410 Компрессор 2
КамАЗ 6410 Мост средний 1
КамАЗ 6410 Тормоз 2
Комбайн Дон-680 Редуктор вальцов верхних 3
Комбайн Дон-680 Подборщик: редуктор 2
Комбайн КПИ-2.4 Жатка для уборки силосных культур: редуктор -
Комбайн КПИ-2.4 Измельчитель: коробка распределительная -
Комбайн КСК-100А/А1 Редуктор КИС 0904000Б -
Комбайн КСКУ-6 Коробка раздаточная -
КрАЗ 214Б Компрессор: вал коленчатый, опоры -
КрАЗ 250 Система тормозная 2
КрАЗ 255 Система тормозная 2
КрАЗ 255Б1 Система тормозная 2
КрАЗ 255Б1А Система тормозная 2
КрАЗ 255В1 Система тормозная 2
КрАЗ 255Л1 Система тормозная 2
КрАЗ 256Б1 Система тормозная 2
КрАЗ 257Б1 Система тормозная 2
КрАЗ 257Б1А Система тормозная 2
КрАЗ 258Б1 Система тормозная 2
КрАЗ 260 Система тормозная 2
КрАЗ 260А Система тормозная 2
КрАЗ 260А Система тормозная 2
КрАЗ 260В Система тормозная 2
КрАЗ 260Г Система тормозная 2
КрАЗ 260Д Система тормозная 2
КрАЗ 260С Система тормозная 2
КрАЗ 260С Система тормозная 2
ЛАЗ 699Н Тормоз 2
ЛАЗ 699Р Компрессор 2
ЛАЗ 699Р Компрессор 2
ЛАЗ 699Р Тормоз 2
ЛиАЗ 5256 Двигатель 1
ЛиАЗ 5256 Двигатель 1
ЛиАЗ 5256 Двигатель: система питания 1
ЛиАЗ 5256 Двигатель: система питания 1
ЛиАЗ 677 Система тормозная 1
ЛиАЗ 677 Система тормозная 1
ЛиАЗ 677Б Система тормозная 1
ЛиАЗ 677Б Система тормозная 1
ЛиАЗ 677В Система тормозная 1
ЛиАЗ 677В Система тормозная 1
ЛиАЗ 677М Система тормозная 1
ЛиАЗ 677М Система тормозная 1
ЛиАЗ 677П Система тормозная 1
ЛиАЗ 677П Система тормозная 1
МАЗ 504В Компрессор 2
МАЗ 509А Компрессор 2
МАЗ 5322 Компрессор 2
МАЗ 5334 Компрессор 2
МАЗ 5335 Компрессор 2
МАЗ 5336 Компрессор -
МАЗ 5336 Компрессор 2
МАЗ 5338 Компрессор 2
МАЗ 5429 Компрессор 2
МАЗ 543 Двигатель: система охлаждения 6
МАЗ 543 Компрессор 2
МАЗ 5430 Компрессор 2
МАЗ 54321 Компрессор 2
МАЗ 5433 Компрессор 2
МАЗ 54337 Компрессор -
МАЗ 5434 Компрессор 2
МАЗ 5449 Компрессор -
МАЗ 547 Двигатель: система охлаждения 6
МАЗ 5549 Компрессор 2
МАЗ 5551 Компрессор 2
МАЗ 55512 Компрессор 2
МАЗ 55527 Компрессор -
МАЗ 5558 Компрессор 2
МАЗ 5563 Компрессор -
МАЗ 5572 Компрессор -
МАЗ 6303 Компрессор 2
МАЗ 6422 Компрессор 2
МАЗ 64221 Компрессор 2
МАЗ 64224 Компрессор 2
МАЗ 64227 Компрессор 2
МАЗ 64229 Компрессор 2
МАЗ 64239 Компрессор -
МАЗ 64245 Компрессор -
МАЗ 642554 Компрессор 2
МАЗ 7310 Двигатель: система охлаждения 4
МАЗ 73101 Двигатель: система охлаждения 6
МАЗ 7410 Двигатель: система охлаждения 4
МоАЗ 546П-Д357П Компрессор 2
МоАЗ 6401-9585 Компрессор 2
МоАЗ 6507 Компрессор 2
МоАЗ 7405-9586 Компрессор 2
Мототехника Днепр-11 Передача главная: шестерня ведомая -
Мототехника Днепр-12 Вал коленчатый: опора передняя -
Мототехника Днепр-16 Вал коленчатый: опора передняя -
Мототехника ИМЗ-8.103-10/40 Коробка передач: вал вторичный -
Мототехника ИМЗ-8.103-10/40 Двигатель: головка нижняя шатуна -
Мототехника ИМЗ-8.107 Урал Коробка передач: вал вторичный -
Мототехника ИМЗ-8.107 Урал Двигатель: головка нижняя шатуна -
Мототехника ИМЗ-8.123-10 Коробка передач: вал вторичный -
Мототехника ИМЗ-8.123-10 Двигатель: головка нижняя шатуна -
Мототехника М67-36 Урал Вал коленчатый: подшипники коренные -
Мототехника М67-36 Урал Передача главная: ступица колеса зубчатого ведомого -
Мототехника МТ10-36 Днепр Передача главная: ступица колеса зубчатого ведомого -
Мототехника Муравей ТГ-200 Передача главная: шестерня-полуось -
Мототехника Муравей ТМЗ-5-402/403 Передача главная: шестерня-полуось -
Приставка кукурузоуборочная ППК-4 Коробка раздаточная -
САЗ 3502 Коробка отбора мощности -
САЗ 3502 Коробка отбора мощности -
САЗ 3502 Компрессор: вал коленчатый, опора передняя 1
САЗ 3507 Коробка отбора мощности -
САЗ 3507 Коробка отбора мощности -
САЗ 3507 Компрессор: вал коленчатый, опора передняя 1
Свеклопогрузчик навесной тракторный СНТ-2.1А Редуктор главный: привод свеклопогрузчика -
Станкостроение Не указано Не указано -
Трактор ДТ-20 Вал скорости дополнительной 1
Трактор ДТ-75 Двигатель: привод гидронасоса 1
Трактор ДТ-75МВ Двигатель: ролик натяжной 1
Трактор ДТ-75МВ Двигатель: привод гидронасоса НШ-46У-Л 1
Трактор К-701 Компрессор 2
Трактор МТЗ-100 Дизель: опоры коленвала компрессора -
Трактор МТЗ-100 Корпус КП: опора задняя вала привода ВОМ -
Трактор МТЗ-100 Корпус МС: опора задняя вала привода насосов НМШ-25 и ГСОМ -
Трактор МТЗ-102 Дизель: опоры коленвала компрессора -
Трактор МТЗ-102 Корпус КП: опора задняя вала привода ВОМ -
Трактор МТЗ-102 Корпус МС: опора задняя вала привода насосов НМШ-25 и ГСОМ -
Трактор МТЗ-2 Двигатель пусковой ПД-10М: механизм передачи 4
Трактор МТЗ-2 Механизм гидравлический: опора передняя 1
Трактор МТЗ-5 Двигатель пусковой ПД-10М: механизм передачи 4
Трактор МТЗ-5 Механизм гидравлический: опора передняя 1
Трактор МТЗ-50 Двигатель: привод вентилятора, опора задняя 1
Трактор МТЗ-50ПЛ Двигатель пусковой ПД-10М: механизм передачи 4
Трактор МТЗ-5К Двигатель пусковой ПД-10М: механизм передачи 4
Трактор МТЗ-5Л Двигатель пусковой ПД-10М: механизм передачи 4
Трактор МТЗ-5ЛС Двигатель пусковой ПД-10М: механизм передачи 4
Трактор МТЗ-80 Компрессор 2
Трактор МТЗ-80Л Компрессор 2
Трактор МТЗ-82 Компрессор 2
Трактор МТЗ-82Л Компрессор 2
Трактор Т-012 Двигатель: вал коленчатый -
Трактор Т-150 Двигатель: вал коленчатый компрессора 1
Трактор Т-150К Двигатель: вал коленчатый компрессора 1
Трактор Т-151К с двигателем СМД-62/63 Двигатель: пневмокомпрессор -
Трактор Т-151К с двигателем СМД-62А/63А Двигатель: пневмокомпрессор -
Трактор Т-25 Передача главная 1
Трактор Т-25А Передача главная -
Трактор Т-40 Управление рулевое: корпус гидроусилителя 1
Трактор Т-40А Коробка раздаточная 1
Трактор Т-40А Управление рулевое: корпус гидроусилителя 1
Трактор Т-40АМ Коробка раздаточная -
Трактор Т-40АМ Управление рулевое: гидроусилитель -
Трактор Т-40АНМ Коробка раздаточная -
Трактор Т-40АНМ Управление рулевое: гидроусилитель -
Трактор Т-40М Управление рулевое: гидроусилитель -
Трактор Т-4А Ролики натяжные -
Трактор Т-4А Гидронасос НШ-46УЛ: привод -
Трактор Т-74 Гидронасос: привод -
Трактор Т-75 Вал отбора мощности: шестерня ведущая редуктора 1
Трактор Т-75 с двигателем СМД-14Г Двигатель: привод гидронасоса -
Трактор Т-75МВ с двигателем А-41 Двигатель: ролик натяжной -
Трактор Т-75МВ с двигателем А-41 Двигатель: привод гидронасоса НШ-46У-Л -
Трактор Т13010 Дифференциал -
Трактор Т13110 Дифференциал -
Трактор Т13110-70 Дифференциал -
Трактор ТТ-4М Ролики натяжные -
Трактор ТТ-4М Гидронасос НШ-32: привод -
Трактор ТТ-4М-01 Ролики натяжные -
Трактор ТТ-4М-01 Гидронасос НШ-32: привод -
Трактор ХТЗ-120 Двигатель: привод гидронасоса -
Трактор ХТЗ-120 Двигатель: пневмокомпрессор -
Трактор ХТЗ-121 Двигатель: привод гидронасоса -
Трактор ХТЗ-121 Двигатель: пневмокомпрессор -
Трактор ЮМЗ-6АЛ Двигатель пусковой: механизм передачи -
Трактор ЮМЗ-6АМ Двигатель пусковой: механизм передачи -
Трактор ЮМЗ-6КМ Двигатель пусковой: механизм передачи -
Трамвайный вагон Т-2 Контроллер 2
Трамвайный вагон Т-3 Контроллер 2
УРАЛ 375Д Управление рулевое 2
УРАЛ 375Д Система тормозная 1
УРАЛ 375ДМ Управление рулевое 2
УРАЛ 375ДМ Система тормозная 1
УРАЛ 377 Управление рулевое 2
УРАЛ 377 Система тормозная 1
УРАЛ 4320 Двигатель 1
УРАЛ 4320 Управление рулевое 2
УРАЛ 4320 Система тормозная 1
УРАЛ 5557 Двигатель 1
УРАЛ 5557 Управление рулевое 2
УРАЛ 5920 Двигатель 1
УРАЛ 5920 Управление рулевое 2
УРАЛ 5920 Система тормозная 1
Бренд Обозначение
ГПЗ 207
SKF 6207
FAG 6207
NSK 6207
Товар добавлен в корзину
Перейти в корзину ×