114 ТУ 37.006.154
| Обозначение | 114 ТУ 37.006.154 |
|---|---|
| Цена импортная | 115 |
| Новинки | 0 |
| Хиты продаж | 0 |
| Скидки | 0 |
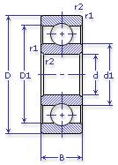
| Внутренний диаметр, d (мм) | 70 |
| Наружный диаметр, D (мм) | 110 |
| Ширина, В (мм) | 20 |
| Масса, m (кг) | 0.6 |
| Грузоподъемность динамическая, C (kN) | 37.7 |
| Грузоподъемность статическая, Co (kN) | 24.5 |
| Ном. частота вращен. при пластич. смазке, n grease (1/min) | 6000 |
| Диаметр шарика, d шарика (мм) | 12.303 |
| Количество шариков, N шариков | 13 |
| Ном. частота вращен. при жидк. смазке, n oil (1/min) | 7000 |
| Диаметр борта наружного кольца, D1(mm) | 97.7 |
| Диаметр борта внутреннего кольца, d1 (mm) | 82.8 |
| Радиус фаски, r1, r2 min (мм) | 1.1 |
Этот подшипник может быть заменен другими:
Подшипник 50114 — Условие отсутствует
Подшипник 60114 — При условии демонтажа одной защитной шайбы
Подшипник 150114 — При условии демонтажа одной защитной шайбы (п/ш с канавкой)
Подшипник 80114 — При условии демонтажа 2-х защитных шайб
Подшипник 180114 — При условии демонтажа 2-х защитных шайб
Подшипник 450114 — При условии демонтажа 2-х защитных шайб
Подшипник 750114 — При условии демонтажа 2-х защитных шайб
| Марка | Модель | Узел | Кол-во на узел |
|---|---|---|---|
| Автопогрузчик | 4014 | Вал карданный | 8 |
| Автопогрузчик | 4016 | Вал карданный | 8 |
| Автопогрузчик | 4017 | Вал карданный | 8 |
| ГАЗ | 3306 | Вал карданный: опора промежуточная | 1 |
| ГАЗ | 3307 | Вал карданный | 1 |
| ГАЗ | 3309 | Передача карданная: опора | 1 |
| Подшипники по ГОСТ | 53-112 | Вал карданный | - |
| Подшипники по ГОСТ | 53-12 | Вал карданный | 1 |
| Подшипники по ГОСТ | 53А | Вал карданный | 1 |
| Подшипники по ГОСТ | 53Б | Вал карданный | 1 |
| Подшипники по ГОСТ | САЗ 3502 | Вал карданный | 1 |
| Подшипники по ГОСТ | САЗ 3503 | Вал карданный | 1 |
| Подшипники по ГОСТ | САЗ 53Б | Вал карданный | 1 |
| ЗИЛ | 130 | Вал карданный | 1 |
| ЗИЛ | 130 | Вал карданный: опора промежуточная | 1 |
| ЗИЛ | 130-77 | Вал карданный | 1 |
| ЗИЛ | 130В1 | Вал карданный: опора промежуточная | 1 |
| ЗИЛ | 130Г | Вал карданный: опора промежуточная | 1 |
| ЗИЛ | 130Д | Вал карданный: опора промежуточная | 1 |
| ЗИЛ | 130Е | Вал карданный: опора промежуточная | 1 |
| ЗИЛ | 133ВЯ | Двигатель: система охлаждения | 1 |
| ЗИЛ | 133Г1 | Вал карданный | 2 |
| ЗИЛ | 133ГЯ | Двигатель: система охлаждения | 1 |
| ЗИЛ | 431410 | Вал карданный: опора промежуточная | 1 |
| ЗИЛ | 431510 | Вал карданный: опора промежуточная | 1 |
| ЗИЛ | 431917 | Вал карданный: опора промежуточная | 1 |
| ЗИЛ | 433110 | Вал карданный: опора промежуточная | 1 |
| ЗИЛ | 433360 | Вал карданный: опора промежуточная | 1 |
| ЗИЛ | 441510 | Вал карданный: опора промежуточная | 1 |
| ЗИЛ | 442160 | Вал карданный: опора промежуточная | 1 |
| ЗИЛ | 494560 | Вал карданный: опора промежуточная | 1 |
| ЗИЛ | 495710 | Вал карданный: опора промежуточная | 1 |
| ЗИЛ | 495810 | Вал карданный: опора промежуточная | 1 |
| ЗИЛ | 5301 Бычок | Вал карданный: опора промежуточная | 1 |
| КАвЗ | 3100 | Вал карданный | 2 |
| КАвЗ | 685М | Вал карданный | 1 |
| КАЗ | 4540 | Двигатель: система охлаждения | 1 |
| КамАЗ | 4310 | Двигатель: система охлаждения | 1 |
| КамАЗ | 43105 | Двигатель: система охлаждения | 1 |
| КамАЗ | 5320 | Двигатель: система охлаждения | 1 |
| КамАЗ | 5320 | Двигатель: вал ведомый гидромуфты вентилятора, опора передняя | - |
| КамАЗ | 5320 | Двигатель: вал ведущий гидромуфты вентилятора, опора передняя | 1 |
| КамАЗ | 53211 | Двигатель: вал ведомый гидромуфты вентилятора, опора передняя | - |
| КамАЗ | 53211 | Двигатель: вал ведущий гидромуфты вентилятора, опора передняя | 1 |
| КамАЗ | 53212 | Двигатель: система охлаждения | 1 |
| КамАЗ | 53212 | Двигатель: вал ведомый гидромуфты вентилятора, опора передняя | - |
| КамАЗ | 53212 | Двигатель: вал ведущий гидромуфты вентилятора, опора передняя | 1 |
| КамАЗ | 53213 | Двигатель: система охлаждения | 1 |
| КамАЗ | 53213 | Двигатель: вал ведомый гидромуфты вентилятора, опора передняя | - |
| КамАЗ | 53213 | Двигатель: вал ведущий гидромуфты вентилятора, опора передняя | 1 |
| КамАЗ | 53222 | Двигатель: система охлаждения | 1 |
| КамАЗ | 5325 | Двигатель: система охлаждения | 1 |
| КамАЗ | 5410 | Двигатель: система охлаждения | 1 |
| КамАЗ | 5410 | Двигатель: вал ведомый гидромуфты вентилятора, опора передняя | - |
| КамАЗ | 5410 | Двигатель: вал ведущий гидромуфты вентилятора, опора передняя | 1 |
| КамАЗ | 54112 | Двигатель: система охлаждения | 1 |
| КамАЗ | 54112 | Двигатель: вал ведомый гидромуфты вентилятора, опора передняя | - |
| КамАЗ | 54112 | Двигатель: вал ведущий гидромуфты вентилятора, опора передняя | 1 |
| КамАЗ | 54122 | Двигатель: система охлаждения | 1 |
| КамАЗ | 5425 | Двигатель: система охлаждения | 1 |
| КамАЗ | 55102 | Двигатель: система охлаждения | 1 |
| КамАЗ | 55102 | Двигатель: вал ведомый гидромуфты вентилятора, опора передняя | - |
| КамАЗ | 55102 | Двигатель: вал ведущий гидромуфты вентилятора, опора передняя | 1 |
| КамАЗ | 5511 | Двигатель: система охлаждения | 1 |
| КамАЗ | 55111 | Двигатель: вал ведомый гидромуфты вентилятора, опора передняя | - |
| КамАЗ | 55111 | Двигатель: вал ведущий гидромуфты вентилятора, опора передняя | 1 |
| КамАЗ | 6410 | Двигатель: система охлаждения | 1 |
| ЛиАЗ | 5256 | Двигатель | 1 |
| ЛиАЗ | 677 | Вал карданный | 2 |
| ЛиАЗ | 677 | Вал карданный | 2 |
| ЛиАЗ | 677Б | Вал карданный | 2 |
| ЛиАЗ | 677Б | Вал карданный | 2 |
| ЛиАЗ | 677В | Вал карданный | 2 |
| ЛиАЗ | 677В | Вал карданный | 2 |
| ЛиАЗ | 677М | Вал карданный | 2 |
| ЛиАЗ | 677М | Вал карданный | 2 |
| ЛиАЗ | 677П | Вал карданный | 2 |
| ЛиАЗ | 677П | Вал карданный | 2 |
| МАЗ | 7410 | Управление рулевое | 1 |
| ПАЗ | 3205 | Вал карданный | 1 |
| ПАЗ | 672 | Вал карданный | 1 |
| ПАЗ | 672 | Вал карданный | 1 |
| САЗ | 3502 | Вал карданный | - |
| САЗ | 3507 | Вал карданный | - |
| Трактор | ДТ-75 | Увеличитель крутящего момента: шестерня ведомая, опора задняя | 1 |
| Трактор | ДТ-75МВ | Двигатель | 1 |
| Трактор | К-701 | Коробка передач | 4 |
| Трактор | Т-75 с двигателем СМД-14Г | Увеличитель крутящего момента: шестерня ведомая, опора задняя | - |
| Трактор | Т-75МВ с двигателем А-41 | Двигатель | - |
| УРАЛ | 4320 | Двигатель | 1 |
| УРАЛ | 5557 | Двигатель | 1 |
| УРАЛ | 5920 | Двигатель | 1 |