Подшипники гост
Интернет-магазин
8-800-250-16-58
Обратный звонок

Заказ обратного звонка




Эл. почта:
info@amost.ru
Свои заказы Корзина пуста





Получать прайс-лист на email:

Чтобы отписаться от рассылки, введите e-mail, на который вы получаете наши письма:

 

Поиск подшипников

Масса и размеры

Внутренний диаметр d, мм

От  до 

Наружный диаметр D, мм

От  до 

Ширина b, мм

Применяемость

Раздел каталога

Подшипник шариковый радиальный однорядный основного конструктивного исполнения

114 А ГОСТ 520

Отечественный
Импортный
Цена: 140.00 руб

Производитель



под заказ
Обозначение 114 А ГОСТ 520
Цена импортная 115
Новинки 0
Хиты продаж 0
Скидки 0
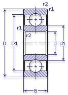
Внутренний диаметр, d (мм) 70
Наружный диаметр, D (мм) 110
Ширина, В (мм) 20
Масса, m (кг) 0.6
Грузоподъемность динамическая, C (kN) 37.7
Грузоподъемность статическая, Co (kN) 24.5
Ном. частота вращен. при пластич. смазке, n grease (1/min) 6000
Диаметр шарика, d шарика (мм) 12.303
Количество шариков, N шариков 13
Ном. частота вращен. при жидк. смазке, n oil (1/min) 7000
Диаметр борта наружного кольца, D1(mm) 97.7
Диаметр борта внутреннего кольца, d1 (mm) 82.8
Радиус фаски, r1, r2 min (мм) 1.1
114 А ГОСТ 520

Этот подшипник может быть заменен другими:

Подшипник 50114 — Условие отсутствует

Подшипник 60114 — При условии демонтажа одной защитной шайбы

Подшипник 150114 — При условии демонтажа одной защитной шайбы (п/ш с канавкой)

Подшипник 80114 — При условии демонтажа 2-х защитных шайб

Подшипник 180114 — При условии демонтажа 2-х защитных шайб

Подшипник 450114 — При условии демонтажа 2-х защитных шайб

Подшипник 750114 — При условии демонтажа 2-х защитных шайб

Марка Модель Узел Кол-во на узел
Автопогрузчик 4014 Вал карданный 8
Автопогрузчик 4016 Вал карданный 8
Автопогрузчик 4017 Вал карданный 8
Подшипники ГАЗ 3306 Вал карданный: опора промежуточная 1
Подшипники ГАЗ 3307 Вал карданный 1
ГАЗ 3309 Передача карданная: опора 1
ГАЗ 53-112 Вал карданный -
ГАЗ 53-12 Вал карданный 1
ГАЗ 53А Вал карданный 1
ГАЗ 53Б Вал карданный 1
ГАЗ САЗ 3502 Вал карданный 1
ГАЗ САЗ 3503 Вал карданный 1
ГАЗ САЗ 53Б Вал карданный 1
ЗИЛ 130 Вал карданный 1
ЗИЛ 130 Вал карданный: опора промежуточная 1
ЗИЛ 130-77 Вал карданный 1
ЗИЛ 130В1 Вал карданный: опора промежуточная 1
ЗИЛ 130Г Вал карданный: опора промежуточная 1
ЗИЛ 130Д Вал карданный: опора промежуточная 1
ЗИЛ 130Е Вал карданный: опора промежуточная 1
ЗИЛ 133ВЯ Двигатель: система охлаждения 1
ЗИЛ 133Г1 Вал карданный 2
ЗИЛ 133ГЯ Двигатель: система охлаждения 1
ЗИЛ 431410 Вал карданный: опора промежуточная 1
ЗИЛ 431510 Вал карданный: опора промежуточная 1
ЗИЛ 431917 Вал карданный: опора промежуточная 1
ЗИЛ 433110 Вал карданный: опора промежуточная 1
ЗИЛ 433360 Вал карданный: опора промежуточная 1
ЗИЛ 441510 Вал карданный: опора промежуточная 1
ЗИЛ 442160 Вал карданный: опора промежуточная 1
ЗИЛ 494560 Вал карданный: опора промежуточная 1
ЗИЛ 495710 Вал карданный: опора промежуточная 1
ЗИЛ 495810 Вал карданный: опора промежуточная 1
ЗИЛ 5301 Бычок Вал карданный: опора промежуточная 1
КАвЗ 3100 Вал карданный 2
КАвЗ 685М Вал карданный 1
КАЗ 4540 Двигатель: система охлаждения 1
КамАЗ 4310 Двигатель: система охлаждения 1
КамАЗ 43105 Двигатель: система охлаждения 1
КамАЗ 5320 Двигатель: система охлаждения 1
КамАЗ 5320 Двигатель: вал ведомый гидромуфты вентилятора, опора передняя -
КамАЗ 5320 Двигатель: вал ведущий гидромуфты вентилятора, опора передняя 1
КамАЗ 53211 Двигатель: вал ведомый гидромуфты вентилятора, опора передняя -
КамАЗ 53211 Двигатель: вал ведущий гидромуфты вентилятора, опора передняя 1
КамАЗ 53212 Двигатель: система охлаждения 1
КамАЗ 53212 Двигатель: вал ведомый гидромуфты вентилятора, опора передняя -
КамАЗ 53212 Двигатель: вал ведущий гидромуфты вентилятора, опора передняя 1
КамАЗ 53213 Двигатель: система охлаждения 1
КамАЗ 53213 Двигатель: вал ведомый гидромуфты вентилятора, опора передняя -
КамАЗ 53213 Двигатель: вал ведущий гидромуфты вентилятора, опора передняя 1
КамАЗ 53222 Двигатель: система охлаждения 1
КамАЗ 5325 Двигатель: система охлаждения 1
КамАЗ 5410 Двигатель: система охлаждения 1
КамАЗ 5410 Двигатель: вал ведомый гидромуфты вентилятора, опора передняя -
КамАЗ 5410 Двигатель: вал ведущий гидромуфты вентилятора, опора передняя 1
КамАЗ 54112 Двигатель: система охлаждения 1
КамАЗ 54112 Двигатель: вал ведомый гидромуфты вентилятора, опора передняя -
КамАЗ 54112 Двигатель: вал ведущий гидромуфты вентилятора, опора передняя 1
КамАЗ 54122 Двигатель: система охлаждения 1
КамАЗ 5425 Двигатель: система охлаждения 1
КамАЗ 55102 Двигатель: система охлаждения 1
КамАЗ 55102 Двигатель: вал ведомый гидромуфты вентилятора, опора передняя -
КамАЗ 55102 Двигатель: вал ведущий гидромуфты вентилятора, опора передняя 1
КамАЗ 5511 Двигатель: система охлаждения 1
КамАЗ 55111 Двигатель: вал ведомый гидромуфты вентилятора, опора передняя -
КамАЗ 55111 Двигатель: вал ведущий гидромуфты вентилятора, опора передняя 1
КамАЗ 6410 Двигатель: система охлаждения 1
ЛиАЗ 5256 Двигатель 1
ЛиАЗ 677 Вал карданный 2
ЛиАЗ 677 Вал карданный 2
ЛиАЗ 677Б Вал карданный 2
ЛиАЗ 677Б Вал карданный 2
ЛиАЗ 677В Вал карданный 2
ЛиАЗ 677В Вал карданный 2
ЛиАЗ 677М Вал карданный 2
ЛиАЗ 677М Вал карданный 2
ЛиАЗ 677П Вал карданный 2
ЛиАЗ 677П Вал карданный 2
МАЗ 7410 Управление рулевое 1
ПАЗ 3205 Вал карданный 1
ПАЗ 672 Вал карданный 1
ПАЗ 672 Вал карданный 1
САЗ 3502 Вал карданный -
САЗ 3507 Вал карданный -
Трактор ДТ-75 Увеличитель крутящего момента: шестерня ведомая, опора задняя 1
Трактор ДТ-75МВ Двигатель 1
Трактор К-701 Коробка передач 4
Трактор Т-75 с двигателем СМД-14Г Увеличитель крутящего момента: шестерня ведомая, опора задняя -
Трактор Т-75МВ с двигателем А-41 Двигатель -
УРАЛ 4320 Двигатель 1
УРАЛ 5557 Двигатель 1
УРАЛ 5920 Двигатель 1
Бренд Обозначение
ГПЗ 114
SKF 6014
FAG 6014
NSK 6014
Товар добавлен в корзину
Перейти в корзину ×