Подшипники гост
Интернет-магазин
8-800-250-16-58
Обратный звонок

Заказ обратного звонка




Эл. почта:
info@amost.ru
Свои заказы Корзина пуста





Получать прайс-лист на email:

Чтобы отписаться от рассылки, введите e-mail, на который вы получаете наши письма:

 

Поиск подшипников

Масса и размеры

Внутренний диаметр d, мм

От  до 

Наружный диаметр D, мм

От  до 

Ширина b, мм

Применяемость

Раздел каталога

Подшипник шариковый радиальный однорядный основного конструктивного исполнения

114 АК1Ш ГОСТ 520

Отечественный
Импортный
Цена: 140.00 руб

Производитель



под заказ
Обозначение 114 АК1Ш ГОСТ 520
Цена импортная 115
Новинки 0
Хиты продаж 0
Скидки 0
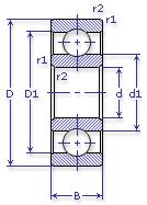
Внутренний диаметр, d (мм) 70
Наружный диаметр, D (мм) 110
Ширина, В (мм) 20
Масса, m (кг) 0.6
Грузоподъемность динамическая, C (kN) 37.7
Грузоподъемность статическая, Co (kN) 24.5
Ном. частота вращен. при пластич. смазке, n grease (1/min) 6000
Диаметр шарика, d шарика (мм) 12.303
Количество шариков, N шариков 13
Ном. частота вращен. при жидк. смазке, n oil (1/min) 7000
Диаметр борта наружного кольца, D1(mm) 97.7
Диаметр борта внутреннего кольца, d1 (mm) 82.8
Радиус фаски, r1, r2 min (мм) 1.1
114 АК1Ш ГОСТ 520

Этот подшипник может быть заменен другими:

Подшипник 50114 — Условие отсутствует

Подшипник 60114 — При условии демонтажа одной защитной шайбы

Подшипник 150114 — При условии демонтажа одной защитной шайбы (п/ш с канавкой)

Подшипник 80114 — При условии демонтажа 2-х защитных шайб

Подшипник 180114 — При условии демонтажа 2-х защитных шайб

Подшипник 450114 — При условии демонтажа 2-х защитных шайб

Подшипник 750114 — При условии демонтажа 2-х защитных шайб

Марка Модель Узел Кол-во на узел
Автопогрузчик 4014 Вал карданный 8
Автопогрузчик 4016 Вал карданный 8
Автопогрузчик 4017 Вал карданный 8
Подшипники ГАЗ 3306 Вал карданный: опора промежуточная 1
Подшипники ГАЗ 3307 Вал карданный 1
ГАЗ 3309 Передача карданная: опора 1
ГАЗ 53-112 Вал карданный -
ГАЗ 53-12 Вал карданный 1
ГАЗ 53А Вал карданный 1
ГАЗ 53Б Вал карданный 1
ГАЗ САЗ 3502 Вал карданный 1
ГАЗ САЗ 3503 Вал карданный 1
ГАЗ САЗ 53Б Вал карданный 1
ЗИЛ 130 Вал карданный 1
ЗИЛ 130 Вал карданный: опора промежуточная 1
ЗИЛ 130-77 Вал карданный 1
ЗИЛ 130В1 Вал карданный: опора промежуточная 1
ЗИЛ 130Г Вал карданный: опора промежуточная 1
ЗИЛ 130Д Вал карданный: опора промежуточная 1
ЗИЛ 130Е Вал карданный: опора промежуточная 1
ЗИЛ 133ВЯ Двигатель: система охлаждения 1
ЗИЛ 133Г1 Вал карданный 2
ЗИЛ 133ГЯ Двигатель: система охлаждения 1
ЗИЛ 431410 Вал карданный: опора промежуточная 1
ЗИЛ 431510 Вал карданный: опора промежуточная 1
ЗИЛ 431917 Вал карданный: опора промежуточная 1
ЗИЛ 433110 Вал карданный: опора промежуточная 1
ЗИЛ 433360 Вал карданный: опора промежуточная 1
ЗИЛ 441510 Вал карданный: опора промежуточная 1
ЗИЛ 442160 Вал карданный: опора промежуточная 1
ЗИЛ 494560 Вал карданный: опора промежуточная 1
ЗИЛ 495710 Вал карданный: опора промежуточная 1
ЗИЛ 495810 Вал карданный: опора промежуточная 1
ЗИЛ 5301 Бычок Вал карданный: опора промежуточная 1
КАвЗ 3100 Вал карданный 2
КАвЗ 685М Вал карданный 1
КАЗ 4540 Двигатель: система охлаждения 1
КамАЗ 4310 Двигатель: система охлаждения 1
КамАЗ 43105 Двигатель: система охлаждения 1
КамАЗ 5320 Двигатель: система охлаждения 1
КамАЗ 5320 Двигатель: вал ведомый гидромуфты вентилятора, опора передняя -
КамАЗ 5320 Двигатель: вал ведущий гидромуфты вентилятора, опора передняя 1
КамАЗ 53211 Двигатель: вал ведомый гидромуфты вентилятора, опора передняя -
КамАЗ 53211 Двигатель: вал ведущий гидромуфты вентилятора, опора передняя 1
КамАЗ 53212 Двигатель: система охлаждения 1
КамАЗ 53212 Двигатель: вал ведомый гидромуфты вентилятора, опора передняя -
КамАЗ 53212 Двигатель: вал ведущий гидромуфты вентилятора, опора передняя 1
КамАЗ 53213 Двигатель: система охлаждения 1
КамАЗ 53213 Двигатель: вал ведомый гидромуфты вентилятора, опора передняя -
КамАЗ 53213 Двигатель: вал ведущий гидромуфты вентилятора, опора передняя 1
КамАЗ 53222 Двигатель: система охлаждения 1
КамАЗ 5325 Двигатель: система охлаждения 1
КамАЗ 5410 Двигатель: система охлаждения 1
КамАЗ 5410 Двигатель: вал ведомый гидромуфты вентилятора, опора передняя -
КамАЗ 5410 Двигатель: вал ведущий гидромуфты вентилятора, опора передняя 1
КамАЗ 54112 Двигатель: система охлаждения 1
КамАЗ 54112 Двигатель: вал ведомый гидромуфты вентилятора, опора передняя -
КамАЗ 54112 Двигатель: вал ведущий гидромуфты вентилятора, опора передняя 1
КамАЗ 54122 Двигатель: система охлаждения 1
КамАЗ 5425 Двигатель: система охлаждения 1
КамАЗ 55102 Двигатель: система охлаждения 1
КамАЗ 55102 Двигатель: вал ведомый гидромуфты вентилятора, опора передняя -
КамАЗ 55102 Двигатель: вал ведущий гидромуфты вентилятора, опора передняя 1
КамАЗ 5511 Двигатель: система охлаждения 1
КамАЗ 55111 Двигатель: вал ведомый гидромуфты вентилятора, опора передняя -
КамАЗ 55111 Двигатель: вал ведущий гидромуфты вентилятора, опора передняя 1
КамАЗ 6410 Двигатель: система охлаждения 1
ЛиАЗ 5256 Двигатель 1
ЛиАЗ 677 Вал карданный 2
ЛиАЗ 677 Вал карданный 2
ЛиАЗ 677Б Вал карданный 2
ЛиАЗ 677Б Вал карданный 2
ЛиАЗ 677В Вал карданный 2
ЛиАЗ 677В Вал карданный 2
ЛиАЗ 677М Вал карданный 2
ЛиАЗ 677М Вал карданный 2
ЛиАЗ 677П Вал карданный 2
ЛиАЗ 677П Вал карданный 2
МАЗ 7410 Управление рулевое 1
ПАЗ 3205 Вал карданный 1
ПАЗ 672 Вал карданный 1
ПАЗ 672 Вал карданный 1
САЗ 3502 Вал карданный -
САЗ 3507 Вал карданный -
Трактор ДТ-75 Увеличитель крутящего момента: шестерня ведомая, опора задняя 1
Трактор ДТ-75МВ Двигатель 1
Трактор К-701 Коробка передач 4
Трактор Т-75 с двигателем СМД-14Г Увеличитель крутящего момента: шестерня ведомая, опора задняя -
Трактор Т-75МВ с двигателем А-41 Двигатель -
УРАЛ 4320 Двигатель 1
УРАЛ 5557 Двигатель 1
УРАЛ 5920 Двигатель 1
Бренд Обозначение
ГПЗ 114
SKF 6014
FAG 6014
NSK 6014
Товар добавлен в корзину
Перейти в корзину ×