Подшипники гост
Интернет-магазин
8-800-250-16-58
Обратный звонок

Заказ обратного звонка




Эл. почта:
info@amost.ru
Свои заказы Корзина пуста





Получать прайс-лист на email:

Чтобы отписаться от рассылки, введите e-mail, на который вы получаете наши письма:

 

Поиск подшипников

Масса и размеры

Внутренний диаметр d, мм

От  до 

Наружный диаметр D, мм

От  до 

Ширина b, мм

Применяемость

Раздел каталога

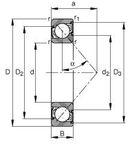
Радиально-упорный шариковый подшипник однорядный

FAG 7200-B-2RS-TVP

Отечественный
Импортный

Производитель



уточнять наличие
Обозначение FAG 7200-B-2RS-TVP
Внутренний диаметр, d (мм) 10
Наружный диаметр, D (мм) 30
Ширина, В (мм) 9
Масса, m (кг) 0.032
Грузоподъемность динамическая, C (kN) 5.3
Грузоподъемность статическая, Co (kN) 2.6
FAG 7200-B-2RS-TVP
Товар добавлен в корзину
Перейти в корзину ×