Подшипники гост
Интернет-магазин
8-800-250-16-58
Обратный звонок

Заказ обратного звонка




Эл. почта:
info@amost.ru
Свои заказы Корзина пуста





Получать прайс-лист на email:

Чтобы отписаться от рассылки, введите e-mail, на который вы получаете наши письма:

 

Поиск подшипников

Масса и размеры

Внутренний диаметр d, мм

От  до 

Наружный диаметр D, мм

От  до 

Ширина b, мм

Применяемость

Раздел каталога

Подшипник

FAG NU 319 E.M1

Отечественный
Импортный
Цена: 19 198.00 руб

Производитель



под заказ
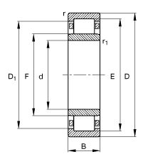
Обозначение FAG NU 319 E.M1
Внутренний диаметр, d (мм) 95
Наружный диаметр, D (мм) 200
Ширина, В (мм) 45
Масса, m (кг) 6.32
Грузоподъемность динамическая, C (kN) 390.0
Грузоподъемность статическая, Co (kN) 380.0
FAG NU 319 E.M1
Товар добавлен в корзину
Перейти в корзину ×