Подшипники гост
Интернет-магазин
8-800-250-16-58
Обратный звонок

Заказ обратного звонка




Эл. почта:
info@amost.ru
Свои заказы Корзина пуста





Получать прайс-лист на email:

Чтобы отписаться от рассылки, введите e-mail, на который вы получаете наши письма:

 

Поиск подшипников

Масса и размеры

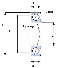
Внутренний диаметр d, мм

От  до 

Наружный диаметр D, мм

От  до 

Ширина b, мм

Применяемость

Раздел каталога

Радиально-упорный шариковый подшипник однорядный

FAG B 7012C.T.P4S.UL

Отечественный
Импортный

Производитель



уточнять наличие
Обозначение FAG B 7012C.T.P4S.UL
Внутренний диаметр, d (мм) 60
Наружный диаметр, D (мм) 95
Ширина, В (мм) 18
Масса, m (кг) 0.397
Грузоподъемность динамическая, C (kN) 39.0
Грузоподъемность статическая, Co (kN) 33.5
FAG B 7012C.T.P4S.UL
Товар добавлен в корзину
Перейти в корзину ×