Подшипники гост
Интернет-магазин
8-800-250-16-58
Обратный звонок

Заказ обратного звонка




Эл. почта:
info@amost.ru
Свои заказы Корзина пуста





Получать прайс-лист на email:

Чтобы отписаться от рассылки, введите e-mail, на который вы получаете наши письма:

 

Поиск подшипников

Масса и размеры

Внутренний диаметр d, мм

От  до 

Наружный диаметр D, мм

От  до 

Ширина b, мм

Применяемость

Раздел каталога

Подшипник

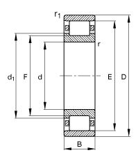
FAG N 322 E.M1

Отечественный
Импортный

Производитель



уточнять наличие
Обозначение FAG N 322 E.M1
Внутренний диаметр, d (мм) 110
Наружный диаметр, D (мм) 240
Ширина, В (мм) 50
Масса, m (кг) 11.7
Грузоподъемность динамическая, C (kN) 520.0
Грузоподъемность статическая, Co (kN) 510.0
FAG N 322 E.M1
Товар добавлен в корзину
Перейти в корзину ×