Подшипники гост
Интернет-магазин
8-800-250-16-58
Обратный звонок

Заказ обратного звонка




Эл. почта:
info@amost.ru
Свои заказы Корзина пуста





Получать прайс-лист на email:

Чтобы отписаться от рассылки, введите e-mail, на который вы получаете наши письма:

 

Поиск подшипников

Масса и размеры

Внутренний диаметр d, мм

От  до 

Наружный диаметр D, мм

От  до 

Ширина b, мм

Применяемость

Раздел каталога

Подшипник

FAG NU 1028 M1

Отечественный
Импортный

Производитель



уточнять наличие
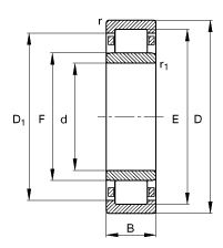
Обозначение FAG NU 1028 M1
Внутренний диаметр, d (мм) 140
Наружный диаметр, D (мм) 210
Ширина, В (мм) 33
Масса, m (кг) 3.94
Грузоподъемность динамическая, C (kN) 216.0
Грузоподъемность статическая, Co (kN) 265.0
FAG NU 1028 M1
Товар добавлен в корзину
Перейти в корзину ×