204 ГОСТ 520
| Обозначение | 204 ГОСТ 520 |
|---|---|
| Цена импортная | 22 |
| Новинки | N |
| Хиты продаж | N |
| Скидки | N |
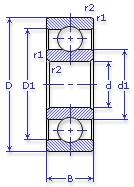
| Внутренний диаметр, d (мм) | 20 |
| Наружный диаметр, D (мм) | 47 |
| Ширина, В (мм) | 14 |
| Масса, m (кг) | 0.1 |
| Грузоподъемность динамическая, C (kN) | 12.7 |
| Грузоподъемность статическая, Co (kN) | 6.2 |
| Ном. частота вращен. при пластич. смазке, n grease (1/min) | 15000 |
| Диаметр шарика, d шарика (мм) | 7.938 |
| Количество шариков, N шариков | 8 |
| Ном. частота вращен. при жидк. смазке, n oil (1/min) | 18000 |
| Диаметр борта наружного кольца, D1(mm) | 39.5 |
| Диаметр борта внутреннего кольца, d1 (mm) | 27.3 |
| Радиус фаски, r1, r2 min (мм) | 1 |
Этот подшипник может быть заменен другими:
Подшипник 50204 — Условие отсутствует
Подшипник 60204 — При условии демонтажа одной защитной шайбы
Подшипник 160204 — При условии демонтажа одной защитной шайбы
Подшипник 150204 — При условии демонтажа одной защитной шайбы (п/ш с канавкой)
Подшипник 80204 — При условии демонтажа 2-х защитных шайб
Подшипник 180204 — При условии демонтажа 2-х защитных шайб
Подшипник 450204 — При условии демонтажа 2-х защитных шайб
Подшипник 750204 — При условии демонтажа 2-х защитных шайб
| Марка | Модель | Узел | Кол-во на узел |
|---|---|---|---|
| БелАЗ | 549(75т) | Мотор-колесо | 2 |
| БелАЗ | 7420-9590 | Мотор-колесо | 8 |
| БелАЗ | 7509 | Мотор-колесо | 4 |
| БелАЗ | 75091(75т) | Мотор-колесо | 4 |
| БелАЗ | 7519 | Мотор-колесо | 2 |
| БелАЗ | 75191(110т) | Мотор-колесо | 4 |
| БелАЗ | 75211(180т) | Спидометр: привод | 3 |
| ГАЗ | 4301 | Спецоборудование | 2 |
| ГАЗ | 53Б | Коробка отбора мощности | 2 |
| ГАЗ | САЗ 3502 | Коробка отбора мощности | 2 |
| ГАЗ | САЗ 3503 | Коробка отбора мощности | 2 |
| Подшипники по ГОСТ | САЗ 4509 | Спецоборудование | 2 |
| ГАЗ | САЗ 53Б | Коробка отбора мощности | 2 |
| ЗИЛ | 133ВЯ | Двигатель: система охлаждения | 1 |
| ЗИЛ | 133ГЯ | Двигатель: система охлаждения | 1 |
| КАЗ | 4540 | Двигатель: система охлаждения | 1 |
| КамАЗ | 4310 | Двигатель: система охлаждения | 1 |
| КамАЗ | 43105 | Двигатель: система охлаждения | 1 |
| КамАЗ | 5320 | Двигатель: система охлаждения | 1 |
| КамАЗ | 5320 | Двигатель: вал ведомый гидромуфты вентилятора, опора задняя | 1 |
| КамАЗ | 53211 | Двигатель: вал ведомый гидромуфты вентилятора, опора задняя | 1 |
| КамАЗ | 53212 | Двигатель: система охлаждения | 1 |
| КамАЗ | 53212 | Двигатель: вал ведомый гидромуфты вентилятора, опора задняя | 1 |
| КамАЗ | 53213 | Двигатель: система охлаждения | 1 |
| КамАЗ | 53213 | Двигатель: вал ведомый гидромуфты вентилятора, опора задняя | 1 |
| КамАЗ | 53222 | Двигатель: система охлаждения | 1 |
| КамАЗ | 5325 | Двигатель: система охлаждения | 1 |
| КамАЗ | 5410 | Двигатель: система охлаждения | 1 |
| КамАЗ | 5410 | Двигатель: вал ведомый гидромуфты вентилятора, опора задняя | 1 |
| КамАЗ | 54112 | Двигатель: система охлаждения | 1 |
| КамАЗ | 54112 | Двигатель: вал ведомый гидромуфты вентилятора, опора задняя | 1 |
| КамАЗ | 54122 | Двигатель: система охлаждения | 1 |
| КамАЗ | 5425 | Двигатель: система охлаждения | 1 |
| КамАЗ | 55102 | Двигатель: система охлаждения | 1 |
| КамАЗ | 55102 | Двигатель: вал ведомый гидромуфты вентилятора, опора задняя | 1 |
| КамАЗ | 5511 | Двигатель: система охлаждения | 1 |
| КамАЗ | 55111 | Двигатель: вал ведомый гидромуфты вентилятора, опора задняя | 1 |
| КамАЗ | 6410 | Двигатель: система охлаждения | 1 |
| Комбайн | Нива | Шкив устройства натяжного | 2 |
| ЛиАЗ | 5256 | Двигатель | 1 |
| МАЗ | 537 | Компрессор | 1 |
| МАЗ | 537Г | Компрессор | 1 |
| МАЗ | 7310 | Гидромотор | 4 |
| МАЗ | 73101 | Гидромотор | 4 |
| МАЗ | 7410 | Гидромотор | 4 |
| МАЗ | 7410 | Коробка раздаточная | 1 |
| Машина зерноочистительная | ОС-4.5 | Ролик натяжной | - |
| Мототехника | Восход 3 | Вал коленчатый | - |
| Мототехника | Восход 3М | Вал коленчатый | - |
| Мототехника | Восход 3М-01 | Вал коленчатый | - |
| Мототехника | Восход 3М-02 | Вал коленчатый | - |
| Мототехника | Днепр-11 | Вал распределительный: опора задняя | - |
| Мототехника | Днепр-12 | Вал распределительный: опора задняя | - |
| Мототехника | Днепр-12 | Дифференциал: крышка | - |
| Мототехника | Днепр-12 | Редуктор: крышка левая | - |
| Мототехника | Днепр-16 | Вал распределительный: опора задняя | - |
| Мототехника | Днепр-16 | Дифференциал: крышка | - |
| Мототехника | Днепр-16 | Редуктор: крышка левая | - |
| Мототехника | ИЖ-П | Коробка передач: вал первичный | - |
| Мототехника | ИЖ-П2 | Коробка передач: вал первичный | - |
| Мототехника | ИЖ-П3 | Коробка передач: вал первичный | - |
| Мототехника | ИЖ-П4 | Коробка передач: вал первичный | - |
| Мототехника | ИЖ-П5 | Коробка передач: вал первичный | - |
| Мототехника | ИЖ-ПС | Коробка передач: вал первичный | - |
| Мототехника | ИЖ-Ю | Коробка передач: вал первичный | - |
| Мототехника | ИЖ-Ю2 | Коробка передач: вал первичный | - |
| Мототехника | ИЖ-Ю3 | Коробка передач: вал первичный | - |
| Мототехника | ИЖ-Ю5 | Коробка передач: вал первичный | - |
| Мототехника | Минск ММВЗ-3.11211 | Вал коленчатый | - |
| Мототехника | Минск ММВЗ-3.1135 | Вал коленчатый | - |
| Мототехника | Мокик ИЖ2.673 | Двигатель: вал коленчатый | - |
| Мототехника | МТ10-36 Днепр | Вал распределительный: опора задняя | - |
| Опрыскиватель малообъемный | 3411040 | Насос | - |
| САЗ | 3502 | Коробка отбора мощности | - |
| САЗ | 3507 | Коробка отбора мощности | - |
| Свеклопогрузчик навесной тракторный | СНТ-2.1А | Транспортер продольный и поперечный: ролики натяжные боковые | - |
| Станкостроение | Не указано | Не указано | - |
| Трактор | ДТ-20 | Насос топливный | 1 |
| Трактор | ДТ-20 | Ось шестерни промежуточной | 2 |
| Трактор | ДТ-75 | Двигатель: привод гидронасоса | 1 |
| Трактор | ДТ-75МВ | Двигатель: привод гидронасоса | 1 |
| Трактор | К-701 | Двигатель: электродвигатель насоса маслозакачивающего | 1 |
| Трактор | МТЗ-100 | Корпус МС: шестерня привода насоса НМШ-25 | - |
| Трактор | МТЗ-102 | Корпус МС: шестерня привода насоса НМШ-25 | - |
| Трактор | МТЗ-2 | Генератор Г46-Г: опора задняя | 1 |
| Трактор | МТЗ-5 | Генератор Г46-Г: опора задняя | 1 |
| Трактор | МТЗ-5К | Генератор Г46-Г: опора задняя | 1 |
| Трактор | МТЗ-5Л | Генератор Г46-Г: опора задняя | 1 |
| Трактор | МТЗ-5ЛС | Генератор Г46-Г: опора задняя | 1 |
| Трактор | Т-012 | Коробка передач: вал первичный | - |
| Трактор | Т-012 | Коробка передач: вал хода заднего | - |
| Трактор | Т-012 | Вал отбора мощности передний: вал привода | - |
| Трактор | Т-012 | Коробка передач: вал привода | - |
| Трактор | Т-150 | Вал отбора мощности: вал привода | 1 |
| Трактор | Т-150 | Двигатель: вал кулачковый насоса топливного | 2 |
| Трактор | Т-150 | Насос масляный: шестерня привода | 2 |
| Трактор | Т-150К | Двигатель: вал кулачковый насоса топливного | 2 |
| Трактор | Т-151К с двигателем СМД-62/63 | Двигатель: вал кулачковый насоса топливного | - |
| Трактор | Т-151К с двигателем СМД-62А/63А | Двигатель: вал кулачковый насоса топливного | - |
| Трактор | Т-16 | Вал распределительный | 1 |
| Трактор | Т-25А | Насос топливный: вал кулачковый | - |
| Трактор | Т-40 | Гидронасос: привод | 2 |
| Трактор | Т-40 | Двигатель: вентилятор | 2 |
| Трактор | Т-40А | Гидронасос: привод | 2 |
| Трактор | Т-40А | Двигатель: вентилятор | 2 |
| Трактор | Т-40АМ | Система питания: насос топливораспределительный | - |
| Трактор | Т-40АНМ | Система питания: насос топливораспределительный | - |
| Трактор | Т-40М | Система питания: насос топливораспределительный | - |
| Трактор | Т-4А | Гидронасос НШ-46УЛ: привод | - |
| Трактор | Т-74 | Гидронасос: привод | - |
| Трактор | Т-75 с двигателем СМД-14Г | Двигатель: привод гидронасоса | - |
| Трактор | Т-75МВ с двигателем А-41 | Двигатель: привод гидронасоса | - |
| Трактор | ТТ-4М | Гидронасос НШ-32: привод | - |
| Трактор | ТТ-4М-01 | Гидронасос НШ-32: привод | - |
| Трактор | ХТЗ-120 | Двигатель: привод гидронасоса | - |
| Трактор | ХТЗ-121 | Двигатель: привод гидронасоса | - |
| Трамвайный вагон | КТМ-5М3 | Контроллер | 1 |
| Трамвайный вагон | КТМ-5М3 | Переключатель реостатный ЭКГ-33Б | 2 |
| Трамвайный вагон | РВ3-6М2 | Контроллер водителя КВ-34Б | 1 |
| Трамвайный вагон | РВ3-6М2 | Узел подвески двери | 4 |
| УРАЛ | 4320 | Двигатель | 1 |
| УРАЛ | 5557 | Двигатель | 1 |
| УРАЛ | 5920 | Двигатель | 1 |