Подшипники гост
Интернет-магазин
8-800-250-16-58
Обратный звонок

Заказ обратного звонка




Эл. почта:
info@amost.ru
Свои заказы Корзина пуста





Получать прайс-лист на email:

Чтобы отписаться от рассылки, введите e-mail, на который вы получаете наши письма:

 

Поиск подшипников

Масса и размеры

Внутренний диаметр d, мм

От  до 

Наружный диаметр D, мм

От  до 

Ширина b, мм

Применяемость

Раздел каталога

Подшипник шариковый радиальный однорядный основного конструктивного исполнения

204 Е5 ГОСТ 520

Отечественный
Импортный
Цена: 30.00 руб

Производитель



под заказ
Обозначение 204 Е5 ГОСТ 520
Цена импортная 22
Новинки N
Хиты продаж N
Скидки N
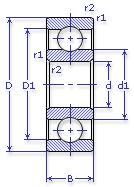
Внутренний диаметр, d (мм) 20
Наружный диаметр, D (мм) 47
Ширина, В (мм) 14
Масса, m (кг) 0.1
Грузоподъемность динамическая, C (kN) 12.7
Грузоподъемность статическая, Co (kN) 6.2
Ном. частота вращен. при пластич. смазке, n grease (1/min) 15000
Диаметр шарика, d шарика (мм) 7.938
Количество шариков, N шариков 8
Ном. частота вращен. при жидк. смазке, n oil (1/min) 18000
Диаметр борта наружного кольца, D1(mm) 39.5
Диаметр борта внутреннего кольца, d1 (mm) 27.3
Радиус фаски, r1, r2 min (мм) 1
204 Е5 ГОСТ 520

Этот подшипник может быть заменен другими:

Подшипник 50204 — Условие отсутствует

Подшипник 60204 — При условии демонтажа одной защитной шайбы

Подшипник 160204 — При условии демонтажа одной защитной шайбы

Подшипник 150204 — При условии демонтажа одной защитной шайбы (п/ш с канавкой)

Подшипник 80204 — При условии демонтажа 2-х защитных шайб

Подшипник 180204 — При условии демонтажа 2-х защитных шайб

Подшипник 450204 — При условии демонтажа 2-х защитных шайб

Подшипник 750204 — При условии демонтажа 2-х защитных шайб

Марка Модель Узел Кол-во на узел
БелАЗ 549(75т) Мотор-колесо 2
БелАЗ 7420-9590 Мотор-колесо 8
БелАЗ 7509 Мотор-колесо 4
БелАЗ 75091(75т) Мотор-колесо 4
БелАЗ 7519 Мотор-колесо 2
БелАЗ 75191(110т) Мотор-колесо 4
БелАЗ 75211(180т) Спидометр: привод 3
ГАЗ 4301 Спецоборудование 2
ГАЗ 53Б Коробка отбора мощности 2
ГАЗ САЗ 3502 Коробка отбора мощности 2
ГАЗ САЗ 3503 Коробка отбора мощности 2
ГАЗ САЗ 4509 Спецоборудование 2
ГАЗ САЗ 53Б Коробка отбора мощности 2
ЗИЛ 133ВЯ Двигатель: система охлаждения 1
ЗИЛ 133ГЯ Двигатель: система охлаждения 1
КАЗ 4540 Двигатель: система охлаждения 1
КамАЗ 4310 Двигатель: система охлаждения 1
КамАЗ 43105 Двигатель: система охлаждения 1
КамАЗ 5320 Двигатель: система охлаждения 1
КамАЗ 5320 Двигатель: вал ведомый гидромуфты вентилятора, опора задняя 1
КамАЗ 53211 Двигатель: вал ведомый гидромуфты вентилятора, опора задняя 1
КамАЗ 53212 Двигатель: система охлаждения 1
КамАЗ 53212 Двигатель: вал ведомый гидромуфты вентилятора, опора задняя 1
КамАЗ 53213 Двигатель: система охлаждения 1
КамАЗ 53213 Двигатель: вал ведомый гидромуфты вентилятора, опора задняя 1
КамАЗ 53222 Двигатель: система охлаждения 1
КамАЗ 5325 Двигатель: система охлаждения 1
КамАЗ 5410 Двигатель: система охлаждения 1
КамАЗ 5410 Двигатель: вал ведомый гидромуфты вентилятора, опора задняя 1
КамАЗ 54112 Двигатель: система охлаждения 1
КамАЗ 54112 Двигатель: вал ведомый гидромуфты вентилятора, опора задняя 1
КамАЗ 54122 Двигатель: система охлаждения 1
КамАЗ 5425 Двигатель: система охлаждения 1
КамАЗ 55102 Двигатель: система охлаждения 1
КамАЗ 55102 Двигатель: вал ведомый гидромуфты вентилятора, опора задняя 1
КамАЗ 5511 Двигатель: система охлаждения 1
КамАЗ 55111 Двигатель: вал ведомый гидромуфты вентилятора, опора задняя 1
КамАЗ 6410 Двигатель: система охлаждения 1
Комбайн Нива Шкив устройства натяжного 2
ЛиАЗ 5256 Двигатель 1
МАЗ 537 Компрессор 1
МАЗ 537Г Компрессор 1
МАЗ 7310 Гидромотор 4
МАЗ 73101 Гидромотор 4
МАЗ 7410 Гидромотор 4
МАЗ 7410 Коробка раздаточная 1
Машина зерноочистительная ОС-4.5 Ролик натяжной -
Мототехника Восход 3 Вал коленчатый -
Мототехника Восход 3М Вал коленчатый -
Мототехника Восход 3М-01 Вал коленчатый -
Мототехника Восход 3М-02 Вал коленчатый -
Мототехника Днепр-11 Вал распределительный: опора задняя -
Мототехника Днепр-12 Вал распределительный: опора задняя -
Мототехника Днепр-12 Дифференциал: крышка -
Мототехника Днепр-12 Редуктор: крышка левая -
Мототехника Днепр-16 Вал распределительный: опора задняя -
Мототехника Днепр-16 Дифференциал: крышка -
Мототехника Днепр-16 Редуктор: крышка левая -
Мототехника ИЖ-П Коробка передач: вал первичный -
Мототехника ИЖ-П2 Коробка передач: вал первичный -
Мототехника ИЖ-П3 Коробка передач: вал первичный -
Мототехника ИЖ-П4 Коробка передач: вал первичный -
Мототехника ИЖ-П5 Коробка передач: вал первичный -
Мототехника ИЖ-ПС Коробка передач: вал первичный -
Мототехника ИЖ-Ю Коробка передач: вал первичный -
Мототехника ИЖ-Ю2 Коробка передач: вал первичный -
Мототехника ИЖ-Ю3 Коробка передач: вал первичный -
Мототехника ИЖ-Ю5 Коробка передач: вал первичный -
Мототехника Минск ММВЗ-3.11211 Вал коленчатый -
Мототехника Минск ММВЗ-3.1135 Вал коленчатый -
Мототехника Мокик ИЖ2.673 Двигатель: вал коленчатый -
Мототехника МТ10-36 Днепр Вал распределительный: опора задняя -
Опрыскиватель малообъемный 3411040 Насос -
САЗ 3502 Коробка отбора мощности -
САЗ 3507 Коробка отбора мощности -
Свеклопогрузчик навесной тракторный СНТ-2.1А Транспортер продольный и поперечный: ролики натяжные боковые -
Станкостроение Не указано Не указано -
Трактор ДТ-20 Насос топливный 1
Трактор ДТ-20 Ось шестерни промежуточной 2
Трактор ДТ-75 Двигатель: привод гидронасоса 1
Трактор ДТ-75МВ Двигатель: привод гидронасоса 1
Трактор К-701 Двигатель: электродвигатель насоса маслозакачивающего 1
Трактор МТЗ-100 Корпус МС: шестерня привода насоса НМШ-25 -
Трактор МТЗ-102 Корпус МС: шестерня привода насоса НМШ-25 -
Трактор МТЗ-2 Генератор Г46-Г: опора задняя 1
Трактор МТЗ-5 Генератор Г46-Г: опора задняя 1
Трактор МТЗ-5К Генератор Г46-Г: опора задняя 1
Трактор МТЗ-5Л Генератор Г46-Г: опора задняя 1
Трактор МТЗ-5ЛС Генератор Г46-Г: опора задняя 1
Трактор Т-012 Коробка передач: вал первичный -
Трактор Т-012 Коробка передач: вал хода заднего -
Трактор Т-012 Вал отбора мощности передний: вал привода -
Трактор Т-012 Коробка передач: вал привода -
Трактор Т-150 Вал отбора мощности: вал привода 1
Трактор Т-150 Двигатель: вал кулачковый насоса топливного 2
Трактор Т-150 Насос масляный: шестерня привода 2
Трактор Т-150К Двигатель: вал кулачковый насоса топливного 2
Трактор Т-151К с двигателем СМД-62/63 Двигатель: вал кулачковый насоса топливного -
Трактор Т-151К с двигателем СМД-62А/63А Двигатель: вал кулачковый насоса топливного -
Трактор Т-16 Вал распределительный 1
Трактор Т-25А Насос топливный: вал кулачковый -
Трактор Т-40 Гидронасос: привод 2
Трактор Т-40 Двигатель: вентилятор 2
Трактор Т-40А Гидронасос: привод 2
Трактор Т-40А Двигатель: вентилятор 2
Трактор Т-40АМ Система питания: насос топливораспределительный -
Трактор Т-40АНМ Система питания: насос топливораспределительный -
Трактор Т-40М Система питания: насос топливораспределительный -
Трактор Т-4А Гидронасос НШ-46УЛ: привод -
Трактор Т-74 Гидронасос: привод -
Трактор Т-75 с двигателем СМД-14Г Двигатель: привод гидронасоса -
Трактор Т-75МВ с двигателем А-41 Двигатель: привод гидронасоса -
Трактор ТТ-4М Гидронасос НШ-32: привод -
Трактор ТТ-4М-01 Гидронасос НШ-32: привод -
Трактор ХТЗ-120 Двигатель: привод гидронасоса -
Трактор ХТЗ-121 Двигатель: привод гидронасоса -
Трамвайный вагон КТМ-5М3 Контроллер 1
Трамвайный вагон КТМ-5М3 Переключатель реостатный ЭКГ-33Б 2
Трамвайный вагон РВ3-6М2 Контроллер водителя КВ-34Б 1
Трамвайный вагон РВ3-6М2 Узел подвески двери 4
УРАЛ 4320 Двигатель 1
УРАЛ 5557 Двигатель 1
УРАЛ 5920 Двигатель 1
Бренд Обозначение
ГПЗ 204
SKF 6204
FAG 6204
NSK 6204
Товар добавлен в корзину
Перейти в корзину ×