Подшипники гост
Интернет-магазин
8-800-250-16-58
Обратный звонок

Заказ обратного звонка




Эл. почта:
info@amost.ru
Свои заказы Корзина пуста





Получать прайс-лист на email:

Чтобы отписаться от рассылки, введите e-mail, на который вы получаете наши письма:

 

Поиск подшипников

Масса и размеры

Внутренний диаметр d, мм

От  до 

Наружный диаметр D, мм

От  до 

Ширина b, мм

Применяемость

Раздел каталога

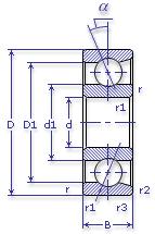
Подшипник шариковый радиально-упорный однорядный основного конструктивного исполнения

46111 Е5 ГОСТ 520

Отечественный
Импортный

Производитель



уточнять наличие
Обозначение 46111 Е5 ГОСТ 520
Внутренний диаметр, d (мм) 55
Наружный диаметр, D (мм) 90
Ширина, В (мм) 18
Масса, m (кг) 0.444
Грузоподъемность динамическая, C (kN) 32.6
Грузоподъемность статическая, Co (kN) 21.1
Ном. частота вращен. при пластич. смазке, n grease (1/min) 7500
Марка стали, Материал ШХ-15
Диаметр шарика, d шарика (мм) 10.319
Количество шариков, N шариков 18
Ном. частота вращен. при жидк. смазке, n oil (1/min) 10000
Диаметр борта наружного кольца, D1(mm) 79.6
Диаметр борта внутреннего кольца, d1 (mm) 67.2
Радиус фаски, r2, r3 min (мм) 0.6
Радиус фаски, r, r1 min (мм) 1.1
46111 Е5 ГОСТ 520

Этот подшипник может быть заменен другими:

Подшипник 246111 — У3, "У4" и т.д. - комплект из двух и более упорных подшипников

Подшипник 346111 — У3, "У4" и т.д. - комплект из двух и более упорных подшипников

Подшипник 446111 — У3, "У4" и т.д. - комплект из двух и более упорных подшипников

Марка Модель Узел Кол-во на узел
КАвЗ 3100 Коробка передач гидромеханическая 2
ЛиАЗ 677 Коробка передач гидромеханическая 2
ЛиАЗ 677Б Коробка передач гидромеханическая 2
ЛиАЗ 677В Коробка передач гидромеханическая 2
ЛиАЗ 677М Коробка передач гидромеханическая 2
ЛиАЗ 677П Коробка передач гидромеханическая 2
МАЗ 7410 Гидромотор 1
Бренд Обозначение
ГПЗ 46111
SKF 7011ACD
FAG 7011E
NSK 7011A
Товар добавлен в корзину
Перейти в корзину ×