Подшипники гост
Интернет-магазин
8-800-250-16-58
Обратный звонок

Заказ обратного звонка




Эл. почта:
info@amost.ru
Свои заказы Корзина пуста





Получать прайс-лист на email:

Чтобы отписаться от рассылки, введите e-mail, на который вы получаете наши письма:

 

Поиск подшипников

Масса и размеры

Внутренний диаметр d, мм

От  до 

Наружный диаметр D, мм

От  до 

Ширина b, мм

Применяемость

Раздел каталога

Подшипник шариковый радиально-упорный однорядный основного конструктивного исполнения

46111 Е ТУ 37.006.087

Отечественный
Импортный

Производитель



уточнять наличие
Обозначение 46111 Е ТУ 37.006.087
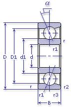
Внутренний диаметр, d (мм) 55
Наружный диаметр, D (мм) 90
Ширина, В (мм) 18
Масса, m (кг) 0.444
Грузоподъемность динамическая, C (kN) 32.6
Грузоподъемность статическая, Co (kN) 21.1
Ном. частота вращен. при пластич. смазке, n grease (1/min) 7500
Марка стали, Материал ШХ-15
Диаметр шарика, d шарика (мм) 10.319
Количество шариков, N шариков 18
Ном. частота вращен. при жидк. смазке, n oil (1/min) 10000
Диаметр борта наружного кольца, D1(mm) 79.6
Диаметр борта внутреннего кольца, d1 (mm) 67.2
Радиус фаски, r2, r3 min (мм) 0.6
Радиус фаски, r, r1 min (мм) 1.1
46111 Е ТУ 37.006.087

Этот подшипник может быть заменен другими:

Подшипник 246111 — У3, "У4" и т.д. - комплект из двух и более упорных подшипников

Подшипник 346111 — У3, "У4" и т.д. - комплект из двух и более упорных подшипников

Подшипник 446111 — У3, "У4" и т.д. - комплект из двух и более упорных подшипников

Марка Модель Узел Кол-во на узел
КАвЗ 3100 Коробка передач гидромеханическая 2
ЛиАЗ 677 Коробка передач гидромеханическая 2
ЛиАЗ 677Б Коробка передач гидромеханическая 2
ЛиАЗ 677В Коробка передач гидромеханическая 2
ЛиАЗ 677М Коробка передач гидромеханическая 2
ЛиАЗ 677П Коробка передач гидромеханическая 2
МАЗ 7410 Гидромотор 1
Бренд Обозначение
ГПЗ 46111
SKF 7011ACD
FAG 7011E
NSK 7011A
Товар добавлен в корзину
Перейти в корзину ×