46111 Л ТУ 37.006.087
| Обозначение | 46111 Л ТУ 37.006.087 |
|---|---|
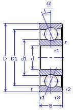
| Внутренний диаметр, d (мм) | 55 |
| Наружный диаметр, D (мм) | 90 |
| Ширина, В (мм) | 18 |
| Масса, m (кг) | 0.444 |
| Грузоподъемность динамическая, C (kN) | 32.6 |
| Грузоподъемность статическая, Co (kN) | 21.1 |
| Ном. частота вращен. при пластич. смазке, n grease (1/min) | 7500 |
| Марка стали, Материал | ШХ-15 |
| Диаметр шарика, d шарика (мм) | 10.319 |
| Количество шариков, N шариков | 18 |
| Ном. частота вращен. при жидк. смазке, n oil (1/min) | 10000 |
| Диаметр борта наружного кольца, D1(mm) | 79.6 |
| Диаметр борта внутреннего кольца, d1 (mm) | 67.2 |
| Радиус фаски, r2, r3 min (мм) | 0.6 |
| Радиус фаски, r, r1 min (мм) | 1.1 |
Этот подшипник может быть заменен другими:
Подшипник 246111 — У3, "У4" и т.д. - комплект из двух и более упорных подшипников
Подшипник 346111 — У3, "У4" и т.д. - комплект из двух и более упорных подшипников
Подшипник 446111 — У3, "У4" и т.д. - комплект из двух и более упорных подшипников
| Марка | Модель | Узел | Кол-во на узел |
|---|---|---|---|
| КАвЗ | 3100 | Коробка передач гидромеханическая | 2 |
| ЛиАЗ | 677 | Коробка передач гидромеханическая | 2 |
| ЛиАЗ | 677Б | Коробка передач гидромеханическая | 2 |
| ЛиАЗ | 677В | Коробка передач гидромеханическая | 2 |
| ЛиАЗ | 677М | Коробка передач гидромеханическая | 2 |
| ЛиАЗ | 677П | Коробка передач гидромеханическая | 2 |
| МАЗ | 7410 | Гидромотор | 1 |