Подшипники гост
Интернет-магазин
8-800-250-16-58
Обратный звонок

Заказ обратного звонка




Эл. почта:
info@amost.ru
Свои заказы Корзина пуста





Получать прайс-лист на email:

Чтобы отписаться от рассылки, введите e-mail, на который вы получаете наши письма:

 

Поиск подшипников

Масса и размеры

Внутренний диаметр d, мм

От  до 

Наружный диаметр D, мм

От  до 

Ширина b, мм

Применяемость

Раздел каталога

Подшипник шариковый радиальный однорядный основного конструктивного исполнения

212 К ТУ 002

Отечественный
Импортный
Цена: 155.00 руб

Производитель



под заказ
Обозначение 212 К ТУ 002
Цена импортная 130
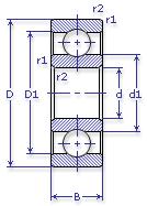
Внутренний диаметр, d (мм) 60
Наружный диаметр, D (мм) 110
Ширина, В (мм) 22
Масса, m (кг) 0.8
Грузоподъемность динамическая, C (kN) 52
Грузоподъемность статическая, Co (kN) 31
Ном. частота вращен. при пластич. смазке, n grease (1/min) 6000
Диаметр шарика, d шарика (мм) 15.875
Количество шариков, N шариков 10
Ном. частота вращен. при жидк. смазке, n oil (1/min) 7000
Диаметр борта наружного кольца, D1(mm) 94.5
Диаметр борта внутреннего кольца, d1 (mm) 75.7
Радиус фаски, r1, r2 min (мм) 1.5
212 К ТУ 002

Этот подшипник может быть заменен другими:

Подшипник 50212 — Условие отсутствует

Подшипник 60212 — При условии демонтажа одной защитной шайбы

Подшипник 160212 — При условии демонтажа одной защитной шайбы

Подшипник 150212 — При условии демонтажа одной защитной шайбы (п/ш с канавкой)

Подшипник 80212 — При условии демонтажа 2-х защитных шайб

Подшипник 180212 — При условии демонтажа 2-х защитных шайб

Подшипник 450212 — При условии демонтажа 2-х защитных шайб

Подшипник 750212 — При условии демонтажа 2-х защитных шайб

Марка Модель Узел Кол-во на узел
БелАЗ 75211(180т) Вентилятор: редуктор привода 2
БелАЗ 75211(180т) Коробка отбора мощности 3
Комбайн Дон-680 Стакан редуктора цилиндрического 1
МАЗ 537 Гидротрансформатор 1
МАЗ 537 Лебедка 1
МАЗ 537 Передача повышающая 3
МАЗ 537Г Гидротрансформатор 1
МАЗ 537Г Лебедка 1
МАЗ 537Г Передача повышающая 3
МАЗ 538 Коробка раздаточная 2
МАЗ 543 Гидротрансформатор 1
МАЗ 547 Гидротрансформатор 1
МАЗ 7310 Гидротрансформатор 1
МАЗ 73101 Гидротрансформатор 1
МАЗ 7410 Гидротрансформатор 1
Трактор ДТ-75МВ Ходоуменьшитель: вал промежуточный, опора задняя 1
Трактор К-701 Коробка передач 2
Трактор К-701 Вал отбора мощности: муфта соединительная 1
Трактор МТЗ-5 Коробка передач: вал промежуточный, опора задняя 1
Трактор МТЗ-5К Коробка передач: вал промежуточный, опора задняя 1
Трактор МТЗ-5Л Коробка передач: вал промежуточный, опора задняя 1
Трактор МТЗ-5ЛС Коробка передач: вал промежуточный, опора задняя 1
Трактор МТЗ-5М Коробка передач: вал промежуточный, опора задняя 1
Трактор МТЗ-5МС Коробка передач: вал промежуточный, опора задняя 1
Трактор МТЗ-80 Редуктор понижающий 2
Трактор МТЗ-80Л Редуктор понижающий 2
Трактор МТЗ-82 Редуктор понижающий 2
Трактор МТЗ-82Л Редуктор понижающий 2
Трактор Т 330 Гидротрансформатор 1
Трактор Т 330Г Гидротрансформатор 1
Трактор Т-15.01Я Коробка передач планетарная 2
Трактор Т-15.01ЯМ Коробка передач планетарная 2
Трактор Т-20.01Я Коробка передач планетарная 2
Трактор Т-25.01Я Коробка передач планетарная 2
Трактор Т-35.01 ЯБЛ Коробка передач планетарная 2
Трактор Т-35.01Я Коробка передач планетарная 2
Трактор Т-40 Коробка передач: пара коническая 1
Трактор Т-40А Коробка передач: пара коническая 1
Трактор Т-40АМ Коробка передач с дифференциалом -
Трактор Т-40АНМ Коробка передач с дифференциалом -
Трактор Т-40М Коробка передач с дифференциалом -
Трактор Т-74 Шестерня хода заднего -
Трактор Т-75 Шестерня хода заднего 1
Трактор Т-75 Вал отбора мощности: шестерня солнечная редуктора 2
Трактор Т-75МВ с двигателем А-41 Ходоуменьшитель: вал промежуточный, опора задняя -
Трактор ТМ-25.01Я Коробка передач планетарная 2
Трактор ЮМЗ-6АЛ Коробка передач -
Трактор ЮМЗ-6АМ Коробка передач -
Трактор ЮМЗ-6КМ Коробка передач -
Бренд Обозначение
ГПЗ 212
SKF 6212
FAG 6212
NSK 6212
Товар добавлен в корзину
Перейти в корзину ×