Подшипники гост
Интернет-магазин
8-800-250-16-58
Обратный звонок

Заказ обратного звонка




Эл. почта:
info@amost.ru
Свои заказы Корзина пуста





Получать прайс-лист на email:

Чтобы отписаться от рассылки, введите e-mail, на который вы получаете наши письма:

 

Поиск подшипников

Масса и размеры

Внутренний диаметр d, мм

От  до 

Наружный диаметр D, мм

От  до 

Ширина b, мм

Применяемость

Раздел каталога

Подшипник шариковый радиальный однорядный основного конструктивного исполнения

212 АКШ1 ГОСТ 520

Отечественный
Импортный
Цена: 155.00 руб

Производитель



под заказ
Обозначение 212 АКШ1 ГОСТ 520
Цена импортная 130
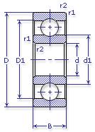
Внутренний диаметр, d (мм) 60
Наружный диаметр, D (мм) 110
Ширина, В (мм) 22
Масса, m (кг) 0.8
Грузоподъемность динамическая, C (kN) 52
Грузоподъемность статическая, Co (kN) 31
Ном. частота вращен. при пластич. смазке, n grease (1/min) 6000
Диаметр шарика, d шарика (мм) 15.875
Количество шариков, N шариков 10
Ном. частота вращен. при жидк. смазке, n oil (1/min) 7000
Диаметр борта наружного кольца, D1(mm) 94.5
Диаметр борта внутреннего кольца, d1 (mm) 75.7
Радиус фаски, r1, r2 min (мм) 1.5
212 АКШ1 ГОСТ 520

Этот подшипник может быть заменен другими:

Подшипник 50212 — Условие отсутствует

Подшипник 60212 — При условии демонтажа одной защитной шайбы

Подшипник 160212 — При условии демонтажа одной защитной шайбы

Подшипник 150212 — При условии демонтажа одной защитной шайбы (п/ш с канавкой)

Подшипник 80212 — При условии демонтажа 2-х защитных шайб

Подшипник 180212 — При условии демонтажа 2-х защитных шайб

Подшипник 450212 — При условии демонтажа 2-х защитных шайб

Подшипник 750212 — При условии демонтажа 2-х защитных шайб

Марка Модель Узел Кол-во на узел
БелАЗ 75211(180т) Вентилятор: редуктор привода 2
БелАЗ 75211(180т) Коробка отбора мощности 3
Комбайн Дон-680 Стакан редуктора цилиндрического 1
МАЗ 537 Гидротрансформатор 1
МАЗ 537 Лебедка 1
МАЗ 537 Передача повышающая 3
МАЗ 537Г Гидротрансформатор 1
МАЗ 537Г Лебедка 1
МАЗ 537Г Передача повышающая 3
МАЗ 538 Коробка раздаточная 2
МАЗ 543 Гидротрансформатор 1
МАЗ 547 Гидротрансформатор 1
МАЗ 7310 Гидротрансформатор 1
МАЗ 73101 Гидротрансформатор 1
МАЗ 7410 Гидротрансформатор 1
Трактор ДТ-75МВ Ходоуменьшитель: вал промежуточный, опора задняя 1
Трактор К-701 Коробка передач 2
Трактор К-701 Вал отбора мощности: муфта соединительная 1
Трактор МТЗ-5 Коробка передач: вал промежуточный, опора задняя 1
Трактор МТЗ-5К Коробка передач: вал промежуточный, опора задняя 1
Трактор МТЗ-5Л Коробка передач: вал промежуточный, опора задняя 1
Трактор МТЗ-5ЛС Коробка передач: вал промежуточный, опора задняя 1
Трактор МТЗ-5М Коробка передач: вал промежуточный, опора задняя 1
Трактор МТЗ-5МС Коробка передач: вал промежуточный, опора задняя 1
Трактор МТЗ-80 Редуктор понижающий 2
Трактор МТЗ-80Л Редуктор понижающий 2
Трактор МТЗ-82 Редуктор понижающий 2
Трактор МТЗ-82Л Редуктор понижающий 2
Трактор Т 330 Гидротрансформатор 1
Трактор Т 330Г Гидротрансформатор 1
Трактор Т-15.01Я Коробка передач планетарная 2
Трактор Т-15.01ЯМ Коробка передач планетарная 2
Трактор Т-20.01Я Коробка передач планетарная 2
Трактор Т-25.01Я Коробка передач планетарная 2
Трактор Т-35.01 ЯБЛ Коробка передач планетарная 2
Трактор Т-35.01Я Коробка передач планетарная 2
Трактор Т-40 Коробка передач: пара коническая 1
Трактор Т-40А Коробка передач: пара коническая 1
Трактор Т-40АМ Коробка передач с дифференциалом -
Трактор Т-40АНМ Коробка передач с дифференциалом -
Трактор Т-40М Коробка передач с дифференциалом -
Трактор Т-74 Шестерня хода заднего -
Трактор Т-75 Шестерня хода заднего 1
Трактор Т-75 Вал отбора мощности: шестерня солнечная редуктора 2
Трактор Т-75МВ с двигателем А-41 Ходоуменьшитель: вал промежуточный, опора задняя -
Трактор ТМ-25.01Я Коробка передач планетарная 2
Трактор ЮМЗ-6АЛ Коробка передач -
Трактор ЮМЗ-6АМ Коробка передач -
Трактор ЮМЗ-6КМ Коробка передач -
Бренд Обозначение
ГПЗ 212
SKF 6212
FAG 6212
NSK 6212
Товар добавлен в корзину
Перейти в корзину ×