Подшипники гост
Интернет-магазин
8-800-250-16-58
Обратный звонок

Заказ обратного звонка




Эл. почта:
info@amost.ru
Свои заказы Корзина пуста





Получать прайс-лист на email:

Чтобы отписаться от рассылки, введите e-mail, на который вы получаете наши письма:

 

Поиск подшипников

Масса и размеры

Внутренний диаметр d, мм

От  до 

Наружный диаметр D, мм

От  до 

Ширина b, мм

Применяемость

Раздел каталога

Подшипник шариковый радиальный однорядный основного конструктивного исполнения

215 А ТУ 004

Отечественный
Импортный

Производитель



уточнять наличие
Обозначение 215 А ТУ 004
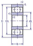
Внутренний диаметр, d (мм) 75
Наружный диаметр, D (мм) 130
Ширина, В (мм) 25
Масса, m (кг) 1.18
Грузоподъемность динамическая, C (kN) 66.3
Грузоподъемность статическая, Co (kN) 41
Ном. частота вращен. при пластич. смазке, n grease (1/min) 4800
Диаметр шарика, d шарика (мм) 17.462
Количество шариков, N шариков 11
Ном. частота вращен. при жидк. смазке, n oil (1/min) 5600
Диаметр борта наружного кольца, D1(mm) 113
Диаметр борта внутреннего кольца, d1 (mm) 92
Радиус фаски, r1, r2 min (мм) 1.5
215 А ТУ 004

Этот подшипник может быть заменен другими:

Подшипник 50215 — Условие отсутствует

Подшипник 60215 — При условии демонтажа одной защитной шайбы

Подшипник 150215 — При условии демонтажа одной защитной шайбы (п/ш с канавкой)

Подшипник 80215 — При условии демонтажа 2-х защитных шайб

Подшипник 180215 — При условии демонтажа 2-х защитных шайб

Подшипник 450215 — При условии демонтажа 2-х защитных шайб

Марка Модель Узел Кол-во на узел
БелАЗ 75211(180т) Вентилятор: редуктор привода 1
Подшипники ГАЗ 27057 Коробка раздаточная: дифференциал 2
Подшипники ГАЗ 32217 Коробка раздаточная: дифференциал 2
Подшипники ГАЗ 322172 Коробка раздаточная: дифференциал 2
Подшипники ГАЗ 322173 Коробка раздаточная: дифференциал 2
Подшипники ГАЗ 33027 Коробка раздаточная: дифференциал 2
Подшипники ГАЗ 330273 Коробка раздаточная: дифференциал 2
Комбайн Дон-1200 Редуктор бортовой -
Комбайн Дон-1200 Колесо зубчатое редуктора бортового 4
Комбайн Дон-1200 Коробка диапазонов 2
Комбайн Дон-1500 Редуктор бортовой -
Комбайн Дон-1500 Колесо зубчатое редуктора бортового 4
Комбайн Дон-1500 Коробка диапазонов 2
Комбайн Дон-1500А Колесо зубчатое редуктора бортового 4
Комбайн Дон-1500А Коробка диапазонов 2
Комбайн Дон-680 Колесо зубчатое редуктора бортового 4
Комбайн Дон-680 Редуктор конический 4
Комбайн Дон-680 Редуктор питателя 2
Комбайн Дон-680 Стакан установки дифференциала коробки диапазонов 2
Комбайн Енисей-1200 Мост ведущий: дифференциал -
Комбайн КЗС-3 Коробка диапазонов: дифференциал -
Комбайн Колос Мост ведущих колес -
Комбайн КСК-100А/А1 Мост ведущий: дифференциал -
Комбайн КСКУ-6 Дифференциал -
Комбайн Нива Дифференциал 2
Комбайн Нива Дифференциал моста главных колес -
Косилка КПС-5Г Дифференциал с тормозами -
МАЗ 537 Лебедка 1
МАЗ 537Г Лебедка 1
МАЗ 547 Редуктор понижающий 2
МАЗ 7410 Коробка раздаточная 2
МоАЗ 6401-9585 Коробка передач гидромеханическая 1
Трактор Т-150К Вал хода заднего 1
Трактор Т-151К с двигателем СМД-62/63 Вал отбора мощности: вал привода насоса -
Трактор Т-151К с двигателем СМД-62А/63А Вал отбора мощности: вал привода насоса -
Трактор ХТЗ-120 Вал отбора мощности -
Трактор ХТЗ-121 Вал отбора мощности -
Трактор ХТЗ-16131 (кроме двигателя) Коробка раздаточная: вал привода насоса ВОМ -
Бренд Обозначение
ГПЗ 215
SKF 6215
FAG 6215
NSK 6215
Товар добавлен в корзину
Перейти в корзину ×