Подшипники гост
Интернет-магазин
8-800-250-16-58
Обратный звонок

Заказ обратного звонка




Эл. почта:
info@amost.ru
Свои заказы Корзина пуста





Получать прайс-лист на email:

Чтобы отписаться от рассылки, введите e-mail, на который вы получаете наши письма:

 

Поиск подшипников

Масса и размеры

Внутренний диаметр d, мм

От  до 

Наружный диаметр D, мм

От  до 

Ширина b, мм

Применяемость

Раздел каталога

Подшипник шариковый радиальный однорядный основного конструктивного исполнения

27 ГОСТ 520

Отечественный
Импортный
Цена: 14.00 руб

Производитель



под заказ
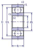
Обозначение 27 ГОСТ 520
Внутренний диаметр, d (мм) 7
Наружный диаметр, D (мм) 22
Ширина, В (мм) 7
Масса, m (кг) 0.013
Грузоподъемность динамическая, C (kN) 3.25
Грузоподъемность статическая, Co (kN) 1.35
Ном. частота вращен. при пластич. смазке, n grease (1/min) 30000
Диаметр шарика, d шарика (мм) 3.969
Количество шариков, N шариков 7
Ном. частота вращен. при жидк. смазке, n oil (1/min) 36000
Диаметр борта наружного кольца, D1(mm) 18
Диаметр борта внутреннего кольца, d1 (mm) 12
Радиус фаски, r1, r2 min (мм) 0.3
27 ГОСТ 520

Этот подшипник может быть заменен другими:

Подшипник 60027 — При условии демонтажа одной защитной шайбы

Подшипник 80027 — При условии демонтажа 2-х защитных шайб

Подшипник 180027 — При условии демонтажа 2-х защитных шайб

Марка Модель Узел Кол-во на узел
МАЗ 537 Редуктор: передача главная 3
МАЗ 537Г Редуктор: передача главная 3
МАЗ 538 Редуктор: передача главная 1
МАЗ 543 Редуктор 2-го заднего моста 1
МАЗ 543 Редуктор 2-го переднего моста 1
МАЗ 547 Редуктор 2-го переднего моста 4
МАЗ 7310 Редуктор 2-го заднего моста 1
МАЗ 7310 Редуктор 2-го переднего моста 1
МАЗ 73101 Редуктор 2-го заднего моста 1
МАЗ 73101 Редуктор 2-го переднего моста 1
МАЗ 7410 Редуктор 2-го переднего моста 4
Бренд Обозначение
ГПЗ 27
SKF 627
FAG 627
NSK 627
Товар добавлен в корзину
Перейти в корзину ×