Подшипники гост
Интернет-магазин
8-800-250-16-58
Обратный звонок

Заказ обратного звонка




Эл. почта:
info@amost.ru
Свои заказы Корзина пуста





Получать прайс-лист на email:

Чтобы отписаться от рассылки, введите e-mail, на который вы получаете наши письма:

 

Поиск подшипников

Масса и размеры

Внутренний диаметр d, мм

От  до 

Наружный диаметр D, мм

От  до 

Ширина b, мм

Применяемость

Раздел каталога

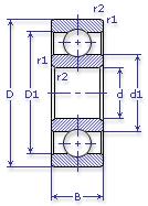
Подшипник шариковый радиальный однорядный основного конструктивного исполнения

310 Е ГОСТ 520

Отечественный
Импортный

Производитель



уточнять наличие
Обозначение 310 Е ГОСТ 520
Внутренний диаметр, d (мм) 50
Наружный диаметр, D (мм) 110
Ширина, В (мм) 27
Масса, m (кг) 1.08
Грузоподъемность динамическая, C (kN) 61.8
Грузоподъемность статическая, Co (kN) 36
Ном. частота вращен. при пластич. смазке, n grease (1/min) 6300
Марка стали, Материал ШХ-15
Диаметр шарика, d шарика (мм) 19.05
Количество шариков, N шариков 8
Ном. частота вращен. при жидк. смазке, n oil (1/min) 7500
Диаметр борта наружного кольца, D1(mm) 91.4
Диаметр борта внутреннего кольца, d1 (mm) 68.7
Радиус фаски, r1, r2 min (мм) 2
310 Е ГОСТ 520

Этот подшипник может быть заменен другими:

Подшипник 50310 — Условие отсутствует

Подшипник 60310 — При условии демонтажа одной защитной шайбы

Подшипник 160310 — При условии демонтажа одной защитной шайбы

Подшипник 150310 — При условии демонтажа одной защитной шайбы (п/ш с канавкой)

Подшипник 80310 — При условии демонтажа 2-х защитных шайб

Подшипник 180310 — При условии демонтажа 2-х защитных шайб

Подшипник 450310 — При условии демонтажа 2-х защитных шайб

Марка Модель Узел Кол-во на узел
БелАЗ 549(75т) Управление рулевое 1
БелАЗ 7420-9590 Управление рулевое 1
БелАЗ 7420-9590 Электродвигатель 1
БелАЗ 7509 Управление рулевое 1
БелАЗ 75091(75т) Управление рулевое 1
БелАЗ 7519 Управление рулевое 1
БелАЗ 75191(110т) Управление рулевое 1
БелАЗ 75211(180т) Генератор-дизель 2
БелАЗ 75211(180т) Управление рулевое 1
КамАЗ 5320 Мост средний 1
КамАЗ 5320 Мост средний: вал ведущий, опора задняя 1
КамАЗ 53211 Мост средний: вал ведущий, опора задняя 1
КамАЗ 53212 Мост средний 1
КамАЗ 53212 Мост средний: вал ведущий, опора задняя 1
КамАЗ 53213 Мост средний 1
КамАЗ 53213 Мост средний: вал ведущий, опора задняя 1
КамАЗ 53222 Мост средний 1
КамАЗ 5410 Мост средний 1
КамАЗ 5410 Мост средний: вал ведущий, опора задняя 1
КамАЗ 54112 Мост средний 1
КамАЗ 54112 Мост средний: вал ведущий, опора задняя 1
КамАЗ 54122 Мост средний 1
КамАЗ 55102 Мост средний 1
КамАЗ 55102 Мост средний: вал ведущий, опора задняя 1
КамАЗ 5511 Мост средний 1
КамАЗ 55111 Мост средний: вал ведущий, опора задняя 1
Комбайн Дон-1200 Сцепление -
Комбайн Дон-1200 Опора муфты сцепления моста колес ведущих 2
Комбайн КЗС-3 Двигатель: вал выходной -
Комбайн КСК-100А/А1 Коробка передач: валы, шестерни -
Косилка КПС-5Г Редуктор бортовой -
МАЗ 537 Редуктор 2-го переднего моста 1
МАЗ 537Г Редуктор 2-го переднего моста 1
МАЗ 543 Редуктор 2-го переднего моста 2
МАЗ 547 Редуктор 2-го переднего моста 2
МАЗ 7310 Редуктор 2-го переднего моста 2
МАЗ 73101 Редуктор 2-го переднего моста 2
МАЗ 7410 Редуктор 2-го переднего моста 2
МоАЗ 546П-Д357П Ролики скрепера 18
МоАЗ 6401-9585 Мост ведущий 6
МоАЗ 6507 Мост ведущий 6
МоАЗ 6507 Мост управляемый 6
МоАЗ 7405-9586 Мост ведущий 6
Трактор ЛХТ-55 Лебедка: редуктор привода -
Трактор МТЗ-100 Вал отбора мощности задний: водило, опора наружная -
Трактор МТЗ-102 Вал отбора мощности задний: водило, опора наружная -
Трактор МТЗ-2 Коробка передач: вал промежуточный, опора задняя 1
Трактор Т-151К с двигателем СМД-62/63 Коробка передач: вал хода заднего -
Трактор Т-151К с двигателем СМД-62/63 Мост задний: кардан, опора -
Трактор Т-151К с двигателем СМД-62А/63А Коробка передач: вал хода заднего -
Трактор Т-151К с двигателем СМД-62А/63А Мост задний: кардан, опора -
Трактор Т-40 Вал отбора мощности боковой 1
Трактор Т-40А Вал отбора мощности боковой 1
Трактор Т-40А Мост передний ведущий: шестерня ведущая передачи главной 1
Трактор Т-74 Коробка передач -
Трактор Т-74 Вал отбора мощности -
Трактор ТДТ-55 Лебедка: редуктор привода -
Трактор ТТ-4М Коробка раздаточная -
Трактор ТТ-4М Гидронасос: привод -
Трактор ТТ-4М-01 Коробка раздаточная -
Трактор ТТ-4М-01 Гидронасос: привод -
Трактор ХТЗ-120 Мост передний -
Трактор ХТЗ-120 Коробка передач: вал хода заднего -
Трактор ХТЗ-120 Мост передний: редуктор колесный, вал привода -
Трактор ХТЗ-121 Мост передний -
Трактор ХТЗ-121 Коробка передач: вал хода заднего -
Трактор ХТЗ-121 Мост передний: редуктор колесный, вал привода -
Трактор ХТЗ-16131 (кроме двигателя) Коробка передач: вал хода заднего -
Трамвайный вагон Т-2 Двигатель: генератор 1
Трамвайный вагон Т-3 Двигатель: генератор 1
Бренд Обозначение
ГПЗ 310
SKF 6310
FAG 6310
NSK 6310
Товар добавлен в корзину
Перейти в корзину ×