Подшипники гост
Интернет-магазин
8-800-250-16-58
Обратный звонок

Заказ обратного звонка




Эл. почта:
info@amost.ru
Свои заказы Корзина пуста





Получать прайс-лист на email:

Чтобы отписаться от рассылки, введите e-mail, на который вы получаете наши письма:

 

Поиск подшипников

Масса и размеры

Внутренний диаметр d, мм

От  до 

Наружный диаметр D, мм

От  до 

Ширина b, мм

Применяемость

Раздел каталога

Подшипник шариковый радиальный однорядный основного конструктивного исполнения

310 ГОСТ 520

Отечественный
Импортный

Производитель



уточнять наличие
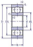
Обозначение 310 ГОСТ 520
Внутренний диаметр, d (мм) 50
Наружный диаметр, D (мм) 110
Ширина, В (мм) 27
Масса, m (кг) 1.08
Грузоподъемность динамическая, C (kN) 61.8
Грузоподъемность статическая, Co (kN) 36
Ном. частота вращен. при пластич. смазке, n grease (1/min) 6300
Марка стали, Материал ШХ-15
Диаметр шарика, d шарика (мм) 19.05
Количество шариков, N шариков 8
Ном. частота вращен. при жидк. смазке, n oil (1/min) 7500
Диаметр борта наружного кольца, D1(mm) 91.4
Диаметр борта внутреннего кольца, d1 (mm) 68.7
Радиус фаски, r1, r2 min (мм) 2
310 ГОСТ 520

Этот подшипник может быть заменен другими:

Подшипник 50310 — Условие отсутствует

Подшипник 60310 — При условии демонтажа одной защитной шайбы

Подшипник 160310 — При условии демонтажа одной защитной шайбы

Подшипник 150310 — При условии демонтажа одной защитной шайбы (п/ш с канавкой)

Подшипник 80310 — При условии демонтажа 2-х защитных шайб

Подшипник 180310 — При условии демонтажа 2-х защитных шайб

Подшипник 450310 — При условии демонтажа 2-х защитных шайб

Марка Модель Узел Кол-во на узел
БелАЗ 549(75т) Управление рулевое 1
БелАЗ 7420-9590 Управление рулевое 1
БелАЗ 7420-9590 Электродвигатель 1
БелАЗ 7509 Управление рулевое 1
БелАЗ 75091(75т) Управление рулевое 1
БелАЗ 7519 Управление рулевое 1
БелАЗ 75191(110т) Управление рулевое 1
БелАЗ 75211(180т) Генератор-дизель 2
БелАЗ 75211(180т) Управление рулевое 1
КамАЗ 5320 Мост средний 1
КамАЗ 5320 Мост средний: вал ведущий, опора задняя 1
КамАЗ 53211 Мост средний: вал ведущий, опора задняя 1
КамАЗ 53212 Мост средний 1
КамАЗ 53212 Мост средний: вал ведущий, опора задняя 1
КамАЗ 53213 Мост средний 1
КамАЗ 53213 Мост средний: вал ведущий, опора задняя 1
КамАЗ 53222 Мост средний 1
КамАЗ 5410 Мост средний 1
КамАЗ 5410 Мост средний: вал ведущий, опора задняя 1
КамАЗ 54112 Мост средний 1
КамАЗ 54112 Мост средний: вал ведущий, опора задняя 1
КамАЗ 54122 Мост средний 1
КамАЗ 55102 Мост средний 1
КамАЗ 55102 Мост средний: вал ведущий, опора задняя 1
КамАЗ 5511 Мост средний 1
КамАЗ 55111 Мост средний: вал ведущий, опора задняя 1
Комбайн Дон-1200 Сцепление -
Комбайн Дон-1200 Опора муфты сцепления моста колес ведущих 2
Комбайн КЗС-3 Двигатель: вал выходной -
Комбайн КСК-100А/А1 Коробка передач: валы, шестерни -
Косилка КПС-5Г Редуктор бортовой -
МАЗ 537 Редуктор 2-го переднего моста 1
МАЗ 537Г Редуктор 2-го переднего моста 1
МАЗ 543 Редуктор 2-го переднего моста 2
МАЗ 547 Редуктор 2-го переднего моста 2
МАЗ 7310 Редуктор 2-го переднего моста 2
МАЗ 73101 Редуктор 2-го переднего моста 2
МАЗ 7410 Редуктор 2-го переднего моста 2
МоАЗ 546П-Д357П Ролики скрепера 18
МоАЗ 6401-9585 Мост ведущий 6
МоАЗ 6507 Мост ведущий 6
МоАЗ 6507 Мост управляемый 6
МоАЗ 7405-9586 Мост ведущий 6
Трактор ЛХТ-55 Лебедка: редуктор привода -
Трактор МТЗ-100 Вал отбора мощности задний: водило, опора наружная -
Трактор МТЗ-102 Вал отбора мощности задний: водило, опора наружная -
Трактор МТЗ-2 Коробка передач: вал промежуточный, опора задняя 1
Трактор Т-151К с двигателем СМД-62/63 Коробка передач: вал хода заднего -
Трактор Т-151К с двигателем СМД-62/63 Мост задний: кардан, опора -
Трактор Т-151К с двигателем СМД-62А/63А Коробка передач: вал хода заднего -
Трактор Т-151К с двигателем СМД-62А/63А Мост задний: кардан, опора -
Трактор Т-40 Вал отбора мощности боковой 1
Трактор Т-40А Вал отбора мощности боковой 1
Трактор Т-40А Мост передний ведущий: шестерня ведущая передачи главной 1
Трактор Т-74 Коробка передач -
Трактор Т-74 Вал отбора мощности -
Трактор ТДТ-55 Лебедка: редуктор привода -
Трактор ТТ-4М Коробка раздаточная -
Трактор ТТ-4М Гидронасос: привод -
Трактор ТТ-4М-01 Коробка раздаточная -
Трактор ТТ-4М-01 Гидронасос: привод -
Трактор ХТЗ-120 Мост передний -
Трактор ХТЗ-120 Коробка передач: вал хода заднего -
Трактор ХТЗ-120 Мост передний: редуктор колесный, вал привода -
Трактор ХТЗ-121 Мост передний -
Трактор ХТЗ-121 Коробка передач: вал хода заднего -
Трактор ХТЗ-121 Мост передний: редуктор колесный, вал привода -
Трактор ХТЗ-16131 (кроме двигателя) Коробка передач: вал хода заднего -
Трамвайный вагон Т-2 Двигатель: генератор 1
Трамвайный вагон Т-3 Двигатель: генератор 1
Бренд Обозначение
ГПЗ 310
SKF 6310
FAG 6310
NSK 6310
Товар добавлен в корзину
Перейти в корзину ×