Подшипники гост
Интернет-магазин
8-800-250-16-58
Обратный звонок

Заказ обратного звонка




Эл. почта:
info@amost.ru
Свои заказы Корзина пуста





Получать прайс-лист на email:

Чтобы отписаться от рассылки, введите e-mail, на который вы получаете наши письма:

 

Поиск подшипников

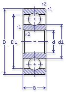
Масса и размеры

Внутренний диаметр d, мм

От  до 

Наружный диаметр D, мм

От  до 

Ширина b, мм

Применяемость

Раздел каталога

Подшипник шариковый радиальный однорядный основного конструктивного исполнения

215 ТУ 37.006.087

Отечественный
Импортный

Производитель



уточнять наличие
Обозначение 215 ТУ 37.006.087
Внутренний диаметр, d (мм) 75
Наружный диаметр, D (мм) 130
Ширина, В (мм) 25
Масса, m (кг) 1.18
Грузоподъемность динамическая, C (kN) 66.3
Грузоподъемность статическая, Co (kN) 41
Ном. частота вращен. при пластич. смазке, n grease (1/min) 4800
Диаметр шарика, d шарика (мм) 17.462
Количество шариков, N шариков 11
Ном. частота вращен. при жидк. смазке, n oil (1/min) 5600
Диаметр борта наружного кольца, D1(mm) 113
Диаметр борта внутреннего кольца, d1 (mm) 92
Радиус фаски, r1, r2 min (мм) 1.5
215 ТУ 37.006.087

Этот подшипник может быть заменен другими:

Подшипник 50215 — Условие отсутствует

Подшипник 60215 — При условии демонтажа одной защитной шайбы

Подшипник 150215 — При условии демонтажа одной защитной шайбы (п/ш с канавкой)

Подшипник 80215 — При условии демонтажа 2-х защитных шайб

Подшипник 180215 — При условии демонтажа 2-х защитных шайб

Подшипник 450215 — При условии демонтажа 2-х защитных шайб

Марка Модель Узел Кол-во на узел
БелАЗ 75211(180т) Вентилятор: редуктор привода 1
Подшипники ГАЗ 27057 Коробка раздаточная: дифференциал 2
Подшипники ГАЗ 32217 Коробка раздаточная: дифференциал 2
Подшипники ГАЗ 322172 Коробка раздаточная: дифференциал 2
Подшипники ГАЗ 322173 Коробка раздаточная: дифференциал 2
Подшипники ГАЗ 33027 Коробка раздаточная: дифференциал 2
Подшипники ГАЗ 330273 Коробка раздаточная: дифференциал 2
Комбайн Дон-1200 Редуктор бортовой -
Комбайн Дон-1200 Колесо зубчатое редуктора бортового 4
Комбайн Дон-1200 Коробка диапазонов 2
Комбайн Дон-1500 Редуктор бортовой -
Комбайн Дон-1500 Колесо зубчатое редуктора бортового 4
Комбайн Дон-1500 Коробка диапазонов 2
Комбайн Дон-1500А Колесо зубчатое редуктора бортового 4
Комбайн Дон-1500А Коробка диапазонов 2
Комбайн Дон-680 Колесо зубчатое редуктора бортового 4
Комбайн Дон-680 Редуктор конический 4
Комбайн Дон-680 Редуктор питателя 2
Комбайн Дон-680 Стакан установки дифференциала коробки диапазонов 2
Комбайн Енисей-1200 Мост ведущий: дифференциал -
Комбайн КЗС-3 Коробка диапазонов: дифференциал -
Комбайн Колос Мост ведущих колес -
Комбайн КСК-100А/А1 Мост ведущий: дифференциал -
Комбайн КСКУ-6 Дифференциал -
Комбайн Нива Дифференциал 2
Комбайн Нива Дифференциал моста главных колес -
Косилка КПС-5Г Дифференциал с тормозами -
МАЗ 537 Лебедка 1
МАЗ 537Г Лебедка 1
МАЗ 547 Редуктор понижающий 2
МАЗ 7410 Коробка раздаточная 2
МоАЗ 6401-9585 Коробка передач гидромеханическая 1
Трактор Т-150К Вал хода заднего 1
Трактор Т-151К с двигателем СМД-62/63 Вал отбора мощности: вал привода насоса -
Трактор Т-151К с двигателем СМД-62А/63А Вал отбора мощности: вал привода насоса -
Трактор ХТЗ-120 Вал отбора мощности -
Трактор ХТЗ-121 Вал отбора мощности -
Трактор ХТЗ-16131 (кроме двигателя) Коробка раздаточная: вал привода насоса ВОМ -
Бренд Обозначение
ГПЗ 215
SKF 6215
FAG 6215
NSK 6215
Товар добавлен в корзину
Перейти в корзину ×