Подшипники гост
Интернет-магазин
8-800-250-16-58
Обратный звонок

Заказ обратного звонка




Эл. почта:
info@amost.ru
Свои заказы Корзина пуста





Получать прайс-лист на email:

Чтобы отписаться от рассылки, введите e-mail, на который вы получаете наши письма:

 

Поиск подшипников

Масса и размеры

Внутренний диаметр d, мм

От  до 

Наружный диаметр D, мм

От  до 

Ширина b, мм

Применяемость

Раздел каталога

Подшипник шариковый радиально-упорный однорядный

46115 КЕ ГОСТ 520

Отечественный
Импортный

Производитель



уточнять наличие
Обозначение 46115 КЕ ГОСТ 520
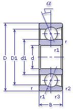
Внутренний диаметр, d (мм) 75
Наружный диаметр, D (мм) 115
Ширина, В (мм) 20
Масса, m (кг) 0.776
Грузоподъемность динамическая, C (kN) 47.3
Грузоподъемность статическая, Co (kN) 33.4
Ном. частота вращен. при пластич. смазке, n grease (1/min) 5600
Марка стали, Материал ШХ-15
Ном. частота вращен. при жидк. смазке, n oil (1/min) 7500
Диаметр борта наружного кольца, D1(mm) 102.7
Диаметр борта внутреннего кольца, d1 (mm) 87.8
Радиус фаски, r2, r3 min (мм) 0.6
Радиус фаски, r, r1 min (мм) 1.1
46115 КЕ ГОСТ 520

Этот подшипник может быть заменен другими:

Подшипник 246115 — У3, "У4" и т.д. - комплект из двух и более упорных подшипников

Подшипник 346115 — У3, "У4" и т.д. - комплект из двух и более упорных подшипников

Подшипник 446115 — У3, "У4" и т.д. - комплект из двух и более упорных подшипников

Марка Модель Узел Кол-во на узел
БелАЗ 540А(27т) Гидротрансформатор 1
БелАЗ 548(40т) Гидротрансформатор 1
БелАЗ 7522(30т) Гидротрансформатор 1
БелАЗ 7523(40т) Гидротрансформатор 1
БелАЗ 7548(42т) Гидротрансформатор 1
КЗКТ Э538ДК Гидротрансформатор 1
КЗКТ Э538ДП Гидротрансформатор 1
Косилка КПС-5Г Сцепление: корпус подшипника выжимного -
МАЗ 537 Гидротрансформатор 1
МАЗ 537Г Гидротрансформатор 1
МАЗ 538 Гидротрансформатор 1
МАЗ 543 Гидротрансформатор 1
МАЗ 547 Гидротрансформатор 1
МАЗ 7310 Гидротрансформатор 1
МАЗ 73101 Гидротрансформатор 1
МАЗ 7410 Гидротрансформатор 1
МоАЗ 6401-9585 Коробка передач гидромеханическая 1
МоАЗ 6507 Коробка передач гидромеханическая 1
МоАЗ 7405-9586 Коробка передач гидромеханическая 1
Бренд Обозначение
ГПЗ 46115
SKF 7015ACD
FAG 7015E
NSK 7015A
Товар добавлен в корзину
Перейти в корзину ×