1НР16115/39 Е1С17 ГОСТ 520
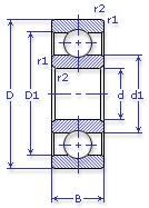
| Обозначение | 1НР16115/39 Е1С17 ГОСТ 520 |
|---|---|
| Внутренний диаметр, d (мм) | 16 |
| Наружный диаметр, D (мм) | 30 |
| Ширина, В (мм) | 39/115 |
| Масса, m (кг) | 0.23 |
| Марка стали, Материал | ЭИ-347 |
| Диаметр шарика, d шарика (мм) | 5.0 |
| Количество шариков, N шариков | 12 |
