Подшипники гост
Интернет-магазин
8-800-250-16-58
Обратный звонок

Заказ обратного звонка




Эл. почта:
info@amost.ru
Свои заказы Корзина пуста





Получать прайс-лист на email:

Чтобы отписаться от рассылки, введите e-mail, на который вы получаете наши письма:

 

Поиск подшипников

Масса и размеры

Внутренний диаметр d, мм

От  до 

Наружный диаметр D, мм

От  до 

Ширина b, мм

Применяемость

Раздел каталога

Подшипник роликовый радиальный с длинными цилиндрическими и игольчатыми роликами

5НР15088 ПЕ ГОСТ 520

Отечественный
Импортный

Производитель



уточнять наличие
Обозначение 5НР15088 ПЕ ГОСТ 520
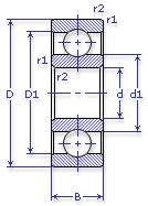
Внутренний диаметр, d (мм) 16
Наружный диаметр, D (мм) 30
Ширина, В (мм) 36/87.5
Масса, m (кг) 0.2
Грузоподъемность динамическая, C (kN) 6.5/12.7
Грузоподъемность статическая, Co (kN) 2.7/11.8
Ном. частота вращен. при пластич. смазке, n grease (1/min) 10000
5НР15088 ПЕ ГОСТ 520
Товар добавлен в корзину
Перейти в корзину ×