Подшипники гост
Интернет-магазин
8-800-250-16-58
Обратный звонок

Заказ обратного звонка




Эл. почта:
info@amost.ru
Свои заказы Корзина пуста





Получать прайс-лист на email:

Чтобы отписаться от рассылки, введите e-mail, на который вы получаете наши письма:

 

Поиск подшипников

Масса и размеры

Внутренний диаметр d, мм

От  до 

Наружный диаметр D, мм

От  до 

Ширина b, мм

Применяемость

Раздел каталога

Подшипник роликовый радиальный с длинными цилиндрическими и игольчатыми роликами

5НР17118 ЕL19Ш ГОСТ 520

Отечественный
Импортный

Производитель



уточнять наличие
Обозначение 5НР17118 ЕL19Ш ГОСТ 520
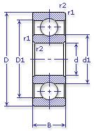
Внутренний диаметр, d (мм) 17
Наружный диаметр, D (мм) 38
Ширина, В (мм) 55
Масса, m (кг) 0.43
Грузоподъемность динамическая, C (kN) 12.6/15.5
Грузоподъемность статическая, Co (kN) 4.6/22.2
Ном. частота вращен. при пластич. смазке, n grease (1/min) 8500
Марка стали, Материал ЭИ-347
5НР17118 ЕL19Ш ГОСТ 520
Товар добавлен в корзину
Перейти в корзину ×