Подшипники гост
Интернет-магазин
8-800-250-16-58
Обратный звонок

Заказ обратного звонка




Эл. почта:
info@amost.ru
Свои заказы Корзина пуста





Получать прайс-лист на email:

Чтобы отписаться от рассылки, введите e-mail, на который вы получаете наши письма:

 

Поиск подшипников

Масса и размеры

Внутренний диаметр d, мм

От  до 

Наружный диаметр D, мм

От  до 

Ширина b, мм

Применяемость

Раздел каталога

Подшипник роликовый радиальный с длинными цилиндрическими и игольчатыми роликами

5НР17124 ЕL19Ш1 ГОСТ 520

Отечественный
Импортный
Цена: 337.00 руб

Производитель



под заказ
Обозначение 5НР17124 ЕL19Ш1 ГОСТ 520
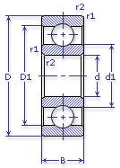
Внутренний диаметр, d (мм) 19.5
Наружный диаметр, D (мм) 38
Ширина, В (мм) 55/124
Масса, m (кг) 0.453
Грузоподъемность динамическая, C (kN) 12.6/15.5
Грузоподъемность статическая, Co (kN) 4.6/22.2
Ном. частота вращен. при пластич. смазке, n grease (1/min) 8500
Марка стали, Материал ЭИ-347
5НР17124 ЕL19Ш1 ГОСТ 520
Марка Модель Узел Кол-во на узел
Подшипники ГАЗ 2705 Газель Двигатель: насос водяной 1
Подшипники ГАЗ 27057 Двигатель: насос водяной 1
Подшипники ГАЗ 3221 Газель Двигатель: насос водяной 1
Подшипники ГАЗ 32212 Двигатель: насос водяной 1
Подшипники ГАЗ 32213 Двигатель: насос водяной 1
Подшипники ГАЗ 32217 Двигатель: насос водяной 1
Подшипники ГАЗ 322172 Двигатель: насос водяной 1
Подшипники ГАЗ 322173 Двигатель: насос водяной 1
Подшипники ГАЗ 3302 Газель Двигатель: насос водяной 1
Подшипники ГАЗ 33021 Двигатель: насос водяной 1
Подшипники ГАЗ 33023 Двигатель: насос водяной 1
Подшипники ГАЗ 33027 Двигатель: насос водяной 1
Подшипники ГАЗ 330273 Двигатель: насос водяной 1
Товар добавлен в корзину
Перейти в корзину ×