Подшипники гост
Интернет-магазин
8-800-250-16-58
Обратный звонок

Заказ обратного звонка




Эл. почта:
info@amost.ru
Свои заказы Корзина пуста





Получать прайс-лист на email:

Чтобы отписаться от рассылки, введите e-mail, на который вы получаете наши письма:

 

Поиск подшипников

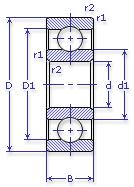
Масса и размеры

Внутренний диаметр d, мм

От  до 

Наружный диаметр D, мм

От  до 

Ширина b, мм

Применяемость

Раздел каталога

Подшипник

5НР19088 ПК2ЕС29Ш1 ГОСТ 520

Отечественный
Импортный
Цена: 514.00 руб

Производитель



под заказ
5НР19088 ПК2ЕС29Ш1 ГОСТ 520
Товар добавлен в корзину
Перейти в корзину ×