Подшипники гост
Интернет-магазин
8-800-250-16-58
Обратный звонок

Заказ обратного звонка




Эл. почта:
info@amost.ru
Свои заказы Корзина пуста





Получать прайс-лист на email:

Чтобы отписаться от рассылки, введите e-mail, на который вы получаете наши письма:

 

Поиск подшипников

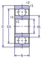
Масса и размеры

Внутренний диаметр d, мм

От  до 

Наружный диаметр D, мм

От  до 

Ширина b, мм

Применяемость

Раздел каталога

Подшипник

5НР19088 ПК3ЕL19Ш1 ГОСТ 520

Отечественный
Импортный

Производитель



уточнять наличие
5НР19088 ПК3ЕL19Ш1 ГОСТ 520
Товар добавлен в корзину
Перейти в корзину ×