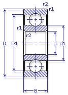
5НР19094 ПЕС29Ш1 ГОСТ 520
| Обозначение | 5НР19094 ПЕС29Ш1 ГОСТ 520 |
|---|---|
| Внутренний диаметр, d (мм) | 19.5 |
| Наружный диаметр, D (мм) | 40 |
| Ширина, В (мм) | 39/94 |
| Масса, m (кг) | 0.36 |
| Грузоподъемность динамическая, C (kN) | 12.6/15.5 |
| Грузоподъемность статическая, Co (kN) | 4.6/22.2 |
| Ном. частота вращен. при пластич. смазке, n grease (1/min) | 8500 |
