Подшипники гост
Интернет-магазин
8-800-250-16-58
Обратный звонок

Заказ обратного звонка




Эл. почта:
info@amost.ru
Свои заказы Корзина пуста





Получать прайс-лист на email:

Чтобы отписаться от рассылки, введите e-mail, на который вы получаете наши письма:

 

Поиск подшипников

Масса и размеры

Внутренний диаметр d, мм

От  до 

Наружный диаметр D, мм

От  до 

Ширина b, мм

Применяемость

Раздел каталога

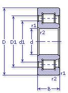
Подшипник роликовый радиальный с короткими цилиндрическими роликами однорядный с бортами на наружном кольце и с однобортовым внутренним кольцом

42409 М1 ГОСТ 520

Отечественный
Импортный
Цена: 1 191.00 руб

Производитель



под заказ
Обозначение 42409 М1 ГОСТ 520
Внутренний диаметр, d (мм) 45
Наружный диаметр, D (мм) 120
Ширина, В (мм) 29
Масса, m (кг) 1.65
Грузоподъемность динамическая, C (kN) 106
Грузоподъемность статическая, Co (kN) 63
Ном. частота вращен. при пластич. смазке, n grease (1/min) 5600
Марка стали, Материал ШХ-15
Ном. частота вращен. при жидк. смазке, n oil (1/min) 6700
Диаметр борта наружного кольца, D1(mm) 92.1
Диаметр борта внутреннего кольца, d1 (mm) 71.6
Радиус фаски, r1, r2 min (мм) 2
42409 М1 ГОСТ 520
Марка Модель Узел Кол-во на узел
КАЗ 4540 Коробка передач 1
КАЗ 4540 Коробка раздаточная 2
МоАЗ 546П-Д357П Мост ведущий 1
МоАЗ 546П-Д357П Управление рулевое 1
МоАЗ 6401-9585 Мост ведущий 1
МоАЗ 6401-9585 Управление рулевое 1
МоАЗ 6507 Мост ведущий 1
МоАЗ 6507 Мост управляемый 1
МоАЗ 6507 Управление рулевое 1
МоАЗ 7405-9586 Мост ведущий 1
МоАЗ 7405-9586 Управление рулевое 1
Бренд Обозначение
ГПЗ 42409
SKF NJ409
FAG NJ409
NSK NJ409
Товар добавлен в корзину
Перейти в корзину ×