Подшипники гост
Интернет-магазин
8-800-250-16-58
Обратный звонок

Заказ обратного звонка




Эл. почта:
info@amost.ru
Свои заказы Корзина пуста





Получать прайс-лист на email:

Чтобы отписаться от рассылки, введите e-mail, на который вы получаете наши письма:

 

Поиск подшипников

Масса и размеры

Внутренний диаметр d, мм

От  до 

Наружный диаметр D, мм

От  до 

Ширина b, мм

Применяемость

Раздел каталога

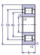
Подшипник роликовый радиальный с короткими цилиндрическими роликами однорядный с бортами на наружном кольце и с однобортовым внутренним кольцом

42326 М ГОСТ 520

Отечественный
Импортный
Цена: 8 406.00 руб

Производитель



под заказ
Обозначение 42326 М ГОСТ 520
Внутренний диаметр, d (мм) 130
Наружный диаметр, D (мм) 280
Ширина, В (мм) 58
Масса, m (кг) 17.7000
Грузоподъемность динамическая, C (kN) 539
Грузоподъемность статическая, Co (kN) 664
Ном. частота вращен. при пластич. смазке, n grease (1/min) 2000
Марка стали, Материал ШХ-15
Ном. частота вращен. при жидк. смазке, n oil (1/min) 2600
Размеры ролика, dxl (мм) 38х38
Количество роликов, N роликов 14
42326 М ГОСТ 520
Марка Модель Узел Кол-во на узел
Станкостроение Не указано Не указано -
Бренд Обозначение
ГПЗ 42326
SKF NJ326
FAG NJ326
NSK NJ326
Товар добавлен в корзину
Перейти в корзину ×