Подшипники гост
Интернет-магазин
8-800-250-16-58
Обратный звонок

Заказ обратного звонка




Эл. почта:
info@amost.ru
Свои заказы Корзина пуста





Получать прайс-лист на email:

Чтобы отписаться от рассылки, введите e-mail, на который вы получаете наши письма:

 

Поиск подшипников

Масса и размеры

Внутренний диаметр d, мм

От  до 

Наружный диаметр D, мм

От  до 

Ширина b, мм

Применяемость

Раздел каталога

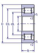
Подшипник роликовый радиальный с короткими цилиндрическими роликами однорядный с однобортовым наружным кольцом и двухбортовым внутренним кольцом

12212 КМ ТУ ВНИПП.154

Отечественный
Импортный

Производитель



уточнять наличие
Обозначение 12212 КМ ТУ ВНИПП.154
Внутренний диаметр, d (мм) 60
Наружный диаметр, D (мм) 110
Ширина, В (мм) 22
Масса, m (кг) 0.86
Грузоподъемность динамическая, C (kN) 64.4
Грузоподъемность статическая, Co (kN) 43
Ном. частота вращен. при пластич. смазке, n grease (1/min) 5600
Марка стали, Материал ШХ-15
Ном. частота вращен. при жидк. смазке, n oil (1/min) 6700
Диаметр борта наружного кольца, D1(mm) 93.2
Диаметр борта внутреннего кольца, d1 (mm) 79.2
Радиус фаски, r1, r2 min (мм) 1.5
Размеры ролика, dxl (мм) 12х12
Количество роликов, N роликов 14
12212 КМ ТУ ВНИПП.154
Марка Модель Узел Кол-во на узел
КрАЗ 260 Коробка раздаточная 1
КрАЗ 260А Коробка раздаточная 1
КрАЗ 260В Коробка раздаточная 1
КрАЗ 260Г Коробка раздаточная 1
КрАЗ 260Д Коробка раздаточная 1
КрАЗ 260С Коробка раздаточная 1
Трактор К-701 Коробка передач 2
Бренд Обозначение
ГПЗ 12212
SKF NF212
FAG NF212
NSK NF212
Товар добавлен в корзину
Перейти в корзину ×