Подшипники гост
Интернет-магазин
8-800-250-16-58
Обратный звонок

Заказ обратного звонка




Эл. почта:
info@amost.ru
Свои заказы Корзина пуста





Получать прайс-лист на email:

Чтобы отписаться от рассылки, введите e-mail, на который вы получаете наши письма:

 

Поиск подшипников

Масса и размеры

Внутренний диаметр d, мм

От  до 

Наружный диаметр D, мм

От  до 

Ширина b, мм

Применяемость

Раздел каталога

Подшипник роликовый радиальный с короткими цилиндрическими роликами однорядный с однобортовым наружным кольцом и двухбортовым внутренним кольцом

12308 М ЕТУ ВНИПП.500

Отечественный
Импортный

Производитель



уточнять наличие
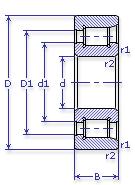
Обозначение 12308 М ЕТУ ВНИПП.500
Внутренний диаметр, d (мм) 40
Наружный диаметр, D (мм) 90
Ширина, В (мм) 23
Масса, m (кг) 0.737
Грузоподъемность динамическая, C (kN) 56.1
Грузоподъемность статическая, Co (kN) 32.5
Ном. частота вращен. при пластич. смазке, n grease (1/min) 6700
Марка стали, Материал ШХ-15
Ном. частота вращен. при жидк. смазке, n oil (1/min) 8000
Диаметр борта наружного кольца, D1(mm) 72.9
Диаметр борта внутреннего кольца, d1 (mm) 58.4
Радиус фаски, r1, r2 min (мм) 1.5
Размеры ролика, dxl (мм) 12х12
Количество роликов, N роликов 12
12308 М ЕТУ ВНИПП.500
Марка Модель Узел Кол-во на узел
Автопогрузчик 4017 Грузоподъемник 4
БелАЗ 540А(27т) Коробка передач 2
БелАЗ 548(40т) Коробка передач 2
БелАЗ 7522(30т) Коробка передач 2
БелАЗ 7523(40т) Коробка передач 2
ЗИЛ 137Б Спецоборудование 1
ЗИЛ 137Б Спецоборудование и генератор 1
МАЗ 537 Редуктор: передача главная 48
МАЗ 537Г Редуктор: передача главная 48
МАЗ 547 Мост задний: полуось 72
Бренд Обозначение
ГПЗ 12308
SKF NF308
FAG NF308
NSK NF308
Товар добавлен в корзину
Перейти в корзину ×