Подшипники гост
Интернет-магазин
8-800-250-16-58
Обратный звонок

Заказ обратного звонка




Эл. почта:
info@amost.ru
Свои заказы Корзина пуста





Получать прайс-лист на email:

Чтобы отписаться от рассылки, введите e-mail, на который вы получаете наши письма:

 

Поиск подшипников

Масса и размеры

Внутренний диаметр d, мм

От  до 

Наружный диаметр D, мм

От  до 

Ширина b, мм

Применяемость

Раздел каталога

Подшипник роликовый радиальный с короткими цилиндрическими роликами однорядный с однобортовым наружным кольцом и двухбортовым внутренним кольцом

12320 М ГОСТ 520

Отечественный
Импортный
Цена: 2 953.00 руб

Производитель



под заказ
Обозначение 12320 М ГОСТ 520
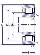
Внутренний диаметр, d (мм) 100
Наружный диаметр, D (мм) 215
Ширина, В (мм) 47
Масса, m (кг) 9
Грузоподъемность динамическая, C (kN) 285
Грузоподъемность статическая, Co (kN) 212
Ном. частота вращен. при пластич. смазке, n grease (1/min) 2600
Марка стали, Материал ШХ-15
Ном. частота вращен. при жидк. смазке, n oil (1/min) 3200
Диаметр борта наружного кольца, D1(mm) 175.4
Диаметр борта внутреннего кольца, d1 (mm) 139
Радиус фаски, r1, r2 min (мм) 3
Размеры ролика, dxl (мм) 28х28
Количество роликов, N роликов 14
12320 М ГОСТ 520
Бренд Обозначение
ГПЗ 12320
SKF NF320
FAG NF320
NSK NF320
Товар добавлен в корзину
Перейти в корзину ×