Подшипники гост
Интернет-магазин
8-800-250-16-58
Обратный звонок

Заказ обратного звонка




Эл. почта:
info@amost.ru
Свои заказы Корзина пуста





Получать прайс-лист на email:

Чтобы отписаться от рассылки, введите e-mail, на который вы получаете наши письма:

 

Поиск подшипников

Масса и размеры

Внутренний диаметр d, мм

От  до 

Наружный диаметр D, мм

От  до 

Ширина b, мм

Применяемость

Раздел каталога

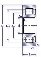
Подшипник роликовый радиальный с короткими цилиндрическими роликами однорядный с бортами на наружном кольце и с однобортовым внутренним кольцом

42324 М ГОСТ 520

Отечественный
Импортный
Цена: 5 965.00 руб

Производитель



под заказ
Обозначение 42324 М ГОСТ 520
Внутренний диаметр, d (мм) 120
Наружный диаметр, D (мм) 260
Ширина, В (мм) 55
Масса, m (кг) 15.4000
Грузоподъемность динамическая, C (kN) 457
Грузоподъемность статическая, Co (kN) 557.5
Ном. частота вращен. при пластич. смазке, n grease (1/min) 1600
Марка стали, Материал ШХ-15
Ном. частота вращен. при жидк. смазке, n oil (1/min) 1900
Размеры ролика, dxl (мм) 36х36
Количество роликов, N роликов 13
42324 М ГОСТ 520
Марка Модель Узел Кол-во на узел
БелАЗ 75211(180т) Мотор-колесо 12
Станкостроение Не указано Не указано -
Бренд Обозначение
ГПЗ 42324
SKF NJ324
FAG NJ324
NSK NJ324
Товар добавлен в корзину
Перейти в корзину ×