Подшипники гост
Интернет-магазин
8-800-250-16-58
Обратный звонок

Заказ обратного звонка




Эл. почта:
info@amost.ru
Свои заказы Корзина пуста





Получать прайс-лист на email:

Чтобы отписаться от рассылки, введите e-mail, на который вы получаете наши письма:

 

Поиск подшипников

Масса и размеры

Внутренний диаметр d, мм

От  до 

Наружный диаметр D, мм

От  до 

Ширина b, мм

Применяемость

Раздел каталога

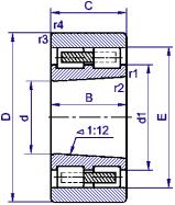
Подшипник роликовый радиальный с короткими цилиндрическими роликами двухрядный с безбортовым наружным кольцом с коническим посадочным отверстием

3182118 КW3 ТУ 37.006.107

Отечественный
Импортный

Производитель



уточнять наличие
Обозначение 3182118 КW3 ТУ 37.006.107
Внутренний диаметр, d (мм) 90
Наружный диаметр, D (мм) 140
Ширина, В (мм) 37
Масса, m (кг) 2.1300
Грузоподъемность динамическая, C (kN) 146
Грузоподъемность статическая, Co (kN) 213
Ном. частота вращен. при пластич. смазке, n grease (1/min) 6000
Ном. частота вращен. при жидк. смазке, n oil (1/min) 6700
Размеры ролика, dxl (мм) 11х11
Количество роликов, N роликов 54
3182118 КW3 ТУ 37.006.107
Бренд Обозначение
ГПЗ 3182118
SKF NN3018K
FAG NN3018K
NSK NN3018K
Товар добавлен в корзину
Перейти в корзину ×