Подшипники гост
Интернет-магазин
8-800-250-16-58
Обратный звонок

Заказ обратного звонка




Эл. почта:
info@amost.ru
Свои заказы Корзина пуста





Получать прайс-лист на email:

Чтобы отписаться от рассылки, введите e-mail, на который вы получаете наши письма:

 

Поиск подшипников

Масса и размеры

Внутренний диаметр d, мм

От  до 

Наружный диаметр D, мм

От  до 

Ширина b, мм

Применяемость

Раздел каталога

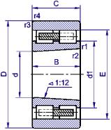
Подшипник роликовый радиальный с короткими цилиндрическими роликами двухрядный с безбортовым наружным кольцом с коническим посадочным отверстием

3182134 ГОСТ 520

Отечественный
Импортный

Производитель



уточнять наличие
Обозначение 3182134 ГОСТ 520
Внутренний диаметр, d (мм) 170
Наружный диаметр, D (мм) 260
Ширина, В (мм) 67
Масса, m (кг) 13.2
Грузоподъемность динамическая, C (kN) 460
Грузоподъемность статическая, Co (kN) 791
Ном. частота вращен. при пластич. смазке, n grease (1/min) 3000
Марка стали, Материал ШХ-15
Ном. частота вращен. при жидк. смазке, n oil (1/min) 3400
Размеры ролика, dxl (мм) 20х20
Количество роликов, N роликов 54
3182134 ГОСТ 520
Бренд Обозначение
ГПЗ 3182134
SKF NN3034K
FAG NN3034K
NSK NN3034K
Товар добавлен в корзину
Перейти в корзину ×