Подшипники гост
Интернет-магазин
8-800-250-16-58
Обратный звонок

Заказ обратного звонка




Эл. почта:
info@amost.ru
Свои заказы Корзина пуста





Получать прайс-лист на email:

Чтобы отписаться от рассылки, введите e-mail, на который вы получаете наши письма:

 

Поиск подшипников

Масса и размеры

Внутренний диаметр d, мм

От  до 

Наружный диаметр D, мм

От  до 

Ширина b, мм

Применяемость

Раздел каталога

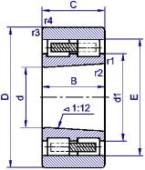
Подшипник роликовый радиальный с короткими цилиндрическими роликами двухрядный с безбортовым наружным кольцом с коническим посадочным отверстием

3182130 ГОСТ 520

Отечественный
Импортный

Производитель



уточнять наличие
Обозначение 3182130 ГОСТ 520
Внутренний диаметр, d (мм) 150
Наружный диаметр, D (мм) 225
Ширина, В (мм) 56
Масса, m (кг) 7.57
Грузоподъемность динамическая, C (kN) 340
Грузоподъемность статическая, Co (kN) 570
Ном. частота вращен. при пластич. смазке, n grease (1/min) 3600
Марка стали, Материал ШХ-15
Ном. частота вращен. при жидк. смазке, n oil (1/min) 4000
Размеры ролика, dxl (мм) 17х17
Количество роликов, N роликов 56
3182130 ГОСТ 520
Марка Модель Узел Кол-во на узел
Станкостроение Не указано Не указано -
Бренд Обозначение
ГПЗ 3182130
SKF NN3030K
FAG NN3030K
NSK NN3030K
Товар добавлен в корзину
Перейти в корзину ×