Подшипники гост
Интернет-магазин
8-800-250-16-58
Обратный звонок

Заказ обратного звонка




Эл. почта:
info@amost.ru
Свои заказы Корзина пуста





Получать прайс-лист на email:

Чтобы отписаться от рассылки, введите e-mail, на который вы получаете наши письма:

 

Поиск подшипников

Масса и размеры

Внутренний диаметр d, мм

От  до 

Наружный диаметр D, мм

От  до 

Ширина b, мм

Применяемость

Раздел каталога

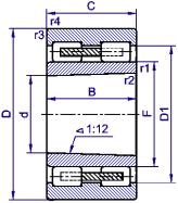
Подшипник роликовый радиальный с короткими цилиндрическими роликами двухрядный с безбортовым внутренним кольцом с коническим посадочным отверстием с канавкой и отверстиями для смазки

4162968 КЛ ГОСТ 520

Отечественный
Импортный
Цена: 141 129.00 руб

Производитель



под заказ
Обозначение 4162968 КЛ ГОСТ 520
Внутренний диаметр, d (мм) 340
Наружный диаметр, D (мм) 460
Ширина, В (мм) 118
Масса, m (кг) 54.4
Грузоподъемность динамическая, C (kN) 1100
Грузоподъемность статическая, Co (kN) 2400
Ном. частота вращен. при пластич. смазке, n grease (1/min) 1100
Ном. частота вращен. при жидк. смазке, n oil (1/min) 1400
4162968 КЛ ГОСТ 520
Бренд Обозначение
ГПЗ 4162968
SKF NNU4968K
FAG NNU4968K
NSK NNU4968K
Товар добавлен в корзину
Перейти в корзину ×