42207 Б3 ТУ 3900-А
| Обозначение | 42207 Б3 ТУ 3900-А |
|---|---|
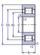
| Внутренний диаметр, d (мм) | 35 |
| Наружный диаметр, D (мм) | 72 |
| Ширина, В (мм) | 17 |
| Масса, m (кг) | 0.326 |
| Грузоподъемность динамическая, C (kN) | 31.9 |
| Грузоподъемность статическая, Co (kN) | 17.6 |
| Ном. частота вращен. при пластич. смазке, n grease (1/min) | 9000 |
| Ном. частота вращен. при жидк. смазке, n oil (1/min) | 11000 |
| Диаметр борта наружного кольца, D1(mm) | 58.2 |
| Диаметр борта внутреннего кольца, d1 (mm) | 47.13 |
| Радиус фаски, r1, r2 min (мм) | 1.1 |
| Размеры ролика, dxl (мм) | 9х9 |
Этот подшипник может быть заменен другими:
Подшипник 62207 — Упорное внутреннее кольцо изъять
| Марка | Модель | Узел | Кол-во на узел |
|---|---|---|---|
| Подшипники ГАЗ | 3307 | Коробка передач | 1 |
| ГАЗ | 53-112 | Коробка передач | - |
| ГАЗ | 53-12 | Коробка передач | 1 |
| ГАЗ | 53А | Коробка передач | 1 |
| ГАЗ | 53А | Коробка передач: вал промежуточный, опора передняя блока шестерен | 1 |
| ГАЗ | 53Б | Коробка передач | 1 |
| ГАЗ | 66 | Коробка передач | 1 |
| ГАЗ | 66-01 | Коробка передач: вал промежуточный, блок шестерен | 1 |
| ГАЗ | 66-02 | Коробка передач: вал промежуточный, блок шестерен | 1 |
| ГАЗ | 66-04 | Коробка передач: вал промежуточный, блок шестерен | 1 |
| ГАЗ | 66-05 | Коробка передач: вал промежуточный, блок шестерен | 1 |
| ГАЗ | 66-11 | Коробка передач | 1 |
| ГАЗ | 66-12 | Коробка передач | 1 |
| ГАЗ | САЗ 3502 | Коробка передач | 1 |
| ГАЗ | САЗ 3503 | Коробка передач | 1 |
| ГАЗ | САЗ 53Б | Коробка передач | 1 |
| ЗИЛ | 137Б | Коробка отбора мощности | 1 |
| КАвЗ | 685М | Коробка передач | 1 |
| Комбайн | КСК-100А/А1 | Коробка передач с механизмами реверса | - |
| ПАЗ | 3201 | Коробка передач | 1 |
| ПАЗ | 3205 | Коробка передач | 1 |
| ПАЗ | 3205 | Коробка передач: вал промежуточный, опора передняя блока шестерен | 1 |
| ПАЗ | 672 | Коробка передач | 1 |
| САЗ | 3502 | Коробка передач | - |
| САЗ | 3502 | Коробка передач: вал промежуточный, блок шестерен | 1 |
| САЗ | 3507 | Коробка передач | - |
| САЗ | 3507 | Коробка передач: вал промежуточный, блок шестерен | 1 |