Подшипники гост
Интернет-магазин
8-800-250-16-58
Обратный звонок

Заказ обратного звонка




Эл. почта:
info@amost.ru
Свои заказы Корзина пуста





Получать прайс-лист на email:

Чтобы отписаться от рассылки, введите e-mail, на который вы получаете наши письма:

 

Поиск подшипников

Масса и размеры

Внутренний диаметр d, мм

От  до 

Наружный диаметр D, мм

От  до 

Ширина b, мм

Применяемость

Раздел каталога

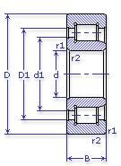
Подшипник роликовый радиальный с короткими цилиндрическими роликами однорядный с бортами на наружном кольце и с однобортовым внутренним кольцом

42211 М ЕТУ ВНИПП.500

Отечественный
Импортный

Производитель



уточнять наличие
Обозначение 42211 М ЕТУ ВНИПП.500
Внутренний диаметр, d (мм) 55
Наружный диаметр, D (мм) 100
Ширина, В (мм) 21
Масса, m (кг) 0.709
Грузоподъемность динамическая, C (kN) 56.1
Грузоподъемность статическая, Co (kN) 34
Ном. частота вращен. при пластич. смазке, n grease (1/min) 6300
Марка стали, Материал ШХ-15
Ном. частота вращен. при жидк. смазке, n oil (1/min) 7500
Диаметр борта наружного кольца, D1(mm) 83.3
Диаметр борта внутреннего кольца, d1 (mm) 71
Радиус фаски, r1, r2 min (мм) 1.5
Размеры ролика, dxl (мм) 11х11
Количество роликов, N роликов 17
42211 М ЕТУ ВНИПП.500
Марка Модель Узел Кол-во на узел
Комбайн Дон-1200 Редуктор бортовой -
Комбайн Дон-1200 Вал шестерни ведущей редуктора бортового 2
Комбайн Дон-1500 Редуктор бортовой -
Комбайн Дон-1500 Вал шестерни ведущей редуктора бортового 2
Комбайн Дон-1500А Редуктор бортовой 2
Комбайн Дон-680 Вал шестерни ведущей редуктора бортового 2
Трактор МТЗ-2 Коробка передач: вал первичный, опоры передняя и задняя -
Трактор МТЗ-2 Коробка передач: вал первичный, опоры передняя и задняя 2
Трактор МТЗ-5 Коробка передач: вал первичный, опоры передняя и задняя 2
Трактор МТЗ-5К Коробка передач: вал первичный, опоры передняя и задняя 2
Трактор Т-75 Вал отбора мощности: шестерня ведущая редуктора 1
Бренд Обозначение
ГПЗ 42211
SKF NJ211
FAG NJ211
NSK NJ211
Товар добавлен в корзину
Перейти в корзину ×