Подшипники гост
Интернет-магазин
8-800-250-16-58
Обратный звонок

Заказ обратного звонка




Эл. почта:
info@amost.ru
Свои заказы Корзина пуста





Получать прайс-лист на email:

Чтобы отписаться от рассылки, введите e-mail, на который вы получаете наши письма:

 

Поиск подшипников

Масса и размеры

Внутренний диаметр d, мм

От  до 

Наружный диаметр D, мм

От  до 

Ширина b, мм

Применяемость

Раздел каталога

Подшипник роликовый радиальный с короткими цилиндрическими роликами однорядный с бортами на наружном кольце и с однобортовым внутренним кольцом

42212 КМ ТУ ВНИПП.154

Отечественный
Импортный

Производитель



уточнять наличие
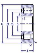
Обозначение 42212 КМ ТУ ВНИПП.154
Внутренний диаметр, d (мм) 60
Наружный диаметр, D (мм) 110
Ширина, В (мм) 22
Масса, m (кг) 0.9
Грузоподъемность динамическая, C (kN) 64.4
Грузоподъемность статическая, Co (kN) 43
Ном. частота вращен. при пластич. смазке, n grease (1/min) 5600
Марка стали, Материал ШХ-15
Ном. частота вращен. при жидк. смазке, n oil (1/min) 6700
Диаметр борта наружного кольца, D1(mm) 91.9
Радиус фаски, r1, r2 min (мм) 1.5
Размеры ролика, dxl (мм) 12х12
Количество роликов, N роликов 17
42212 КМ ТУ ВНИПП.154
Марка Модель Узел Кол-во на узел
Трактор К-701 Коробка передач 2
Трактор МТЗ-100 Мост задний: шестерня ведущая передачи конечной -
Трактор МТЗ-102 Мост задний: шестерня ведущая передачи конечной -
Трактор МТЗ-50 Передача конечная: ведущая шестерня, опоры правая и левая 4
Трактор МТЗ-50Л Передача конечная: ведущая шестерня, опоры правая и левая 4
Трактор МТЗ-50ПЛ Передача конечная: ведущая шестерня, опоры правая и левая 4
Трактор МТЗ-52 Передача конечная: ведущая шестерня, опоры правая и левая 4
Трактор МТЗ-52Л Передача конечная: ведущая шестерня, опоры правая и левая 4
Трактор МТЗ-5Л Коробка передач: вал первичный, опоры передняя и задняя 2
Трактор МТЗ-5ЛС Коробка передач: вал первичный, опоры передняя и задняя 2
Трактор МТЗ-5М Коробка передач: вал первичный, опоры передняя и задняя 2
Трактор МТЗ-5МС Коробка передач: вал первичный, опоры передняя и задняя 2
Трактор МТЗ-80 Передача конечная: ведущая шестерня, опоры правая и левая 4
Трактор МТЗ-80Л Передача конечная: ведущая шестерня, опоры правая и левая 4
Трактор МТЗ-82 Передача конечная: ведущая шестерня, опоры правая и левая 4
Трактор МТЗ-82Л Передача конечная: ведущая шестерня, опоры правая и левая 4
Бренд Обозначение
ГПЗ 42212
SKF NJ212
FAG NJ212
NSK NJ212
Товар добавлен в корзину
Перейти в корзину ×