Подшипники гост
Интернет-магазин
8-800-250-16-58
Обратный звонок

Заказ обратного звонка




Эл. почта:
info@amost.ru
Свои заказы Корзина пуста





Получать прайс-лист на email:

Чтобы отписаться от рассылки, введите e-mail, на который вы получаете наши письма:

 

Поиск подшипников

Масса и размеры

Внутренний диаметр d, мм

От  до 

Наружный диаметр D, мм

От  до 

Ширина b, мм

Применяемость

Раздел каталога

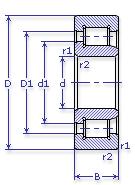
Подшипник роликовый радиальный с короткими цилиндрическими роликами однорядный с бортами на наружном кольце и с однобортовым внутренним кольцом

42213 М ТУ 37.006.154

Отечественный
Импортный

Производитель



уточнять наличие
Обозначение 42213 М ТУ 37.006.154
Внутренний диаметр, d (мм) 65
Наружный диаметр, D (мм) 120
Ширина, В (мм) 23
Масса, m (кг) 1.05
Грузоподъемность динамическая, C (kN) 76.5
Грузоподъемность статическая, Co (kN) 47.5
Ном. частота вращен. при пластич. смазке, n grease (1/min) 5300
Марка стали, Материал ШХ-15
Ном. частота вращен. при жидк. смазке, n oil (1/min) 6300
Диаметр борта наружного кольца, D1(mm) 100
Диаметр борта внутреннего кольца, d1 (mm) 84
Радиус фаски, r1, r2 min (мм) 1.5
Размеры ролика, dxl (мм) 13х13
Количество роликов, N роликов 17
42213 М ТУ 37.006.154
Марка Модель Узел Кол-во на узел
БелАЗ 75211(180т) Генератор-дизель 4
Бренд Обозначение
ГПЗ 42213
SKF NJ213
FAG NJ213
NSK NJ213
Товар добавлен в корзину
Перейти в корзину ×