Подшипники гост
Интернет-магазин
8-800-250-16-58
Обратный звонок

Заказ обратного звонка




Эл. почта:
info@amost.ru
Свои заказы Корзина пуста





Получать прайс-лист на email:

Чтобы отписаться от рассылки, введите e-mail, на который вы получаете наши письма:

 

Поиск подшипников

Масса и размеры

Внутренний диаметр d, мм

От  до 

Наружный диаметр D, мм

От  до 

Ширина b, мм

Применяемость

Раздел каталога

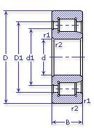
Подшипник роликовый радиальный с короткими цилиндрическими роликами однорядный с бортами на наружном кольце и с однобортовым внутренним кольцом

42217 КМ ТУ 37.006.068

Отечественный
Импортный

Производитель



уточнять наличие
Обозначение 42217 КМ ТУ 37.006.068
Внутренний диаметр, d (мм) 85
Наружный диаметр, D (мм) 150
Ширина, В (мм) 28
Масса, m (кг) 1.9
Грузоподъемность динамическая, C (kN) 119
Грузоподъемность статическая, Co (kN) 78
Ном. частота вращен. при пластич. смазке, n grease (1/min) 4300
Марка стали, Материал ШХ-15
Ном. частота вращен. при жидк. смазке, n oil (1/min) 5000
Диаметр борта наружного кольца, D1(mm) 128
Диаметр борта внутреннего кольца, d1 (mm) 107.1
Радиус фаски, r1, r2 min (мм) 2
Размеры ролика, dxl (мм) 16х16
Количество роликов, N роликов 18
42217 КМ ТУ 37.006.068
Марка Модель Узел Кол-во на узел
Автопогрузчик 4008М Грузоподъемник 4
Бренд Обозначение
ГПЗ 42217
SKF NJ217
FAG NJ217
NSK NJ217
Товар добавлен в корзину
Перейти в корзину ×