Подшипники гост
Интернет-магазин
8-800-250-16-58
Обратный звонок

Заказ обратного звонка




Эл. почта:
info@amost.ru
Свои заказы Корзина пуста





Получать прайс-лист на email:

Чтобы отписаться от рассылки, введите e-mail, на который вы получаете наши письма:

 

Поиск подшипников

Масса и размеры

Внутренний диаметр d, мм

От  до 

Наружный диаметр D, мм

От  до 

Ширина b, мм

Применяемость

Раздел каталога

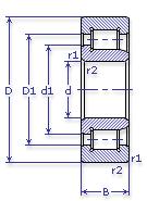
Подшипник роликовый радиальный с короткими цилиндрическими роликами однорядный с бортами на наружном кольце и с однобортовым внутренним кольцом

42234 ЛМ1 ТУ 37.551.00018

Отечественный
Импортный

Производитель



уточнять наличие
Обозначение 42234 ЛМ1 ТУ 37.551.00018
Внутренний диаметр, d (мм) 170
Наружный диаметр, D (мм) 310
Ширина, В (мм) 52
Масса, m (кг) 18.3000
Грузоподъемность динамическая, C (kN) 616
Грузоподъемность статическая, Co (kN) 841.5
Ном. частота вращен. при пластич. смазке, n grease (1/min) 1800
Марка стали, Материал ШХ-15
Ном. частота вращен. при жидк. смазке, n oil (1/min) 2200
Размеры ролика, dxl (мм) 32х32
42234 ЛМ1 ТУ 37.551.00018
Марка Модель Узел Кол-во на узел
Станкостроение Не указано Не указано -
Бренд Обозначение
ГПЗ 42234
SKF NJ234
FAG NJ234
NSK NJ234
Товар добавлен в корзину
Перейти в корзину ×