Подшипники гост
Интернет-магазин
8-800-250-16-58
Обратный звонок

Заказ обратного звонка




Эл. почта:
info@amost.ru
Свои заказы Корзина пуста





Получать прайс-лист на email:

Чтобы отписаться от рассылки, введите e-mail, на который вы получаете наши письма:

 

Поиск подшипников

Масса и размеры

Внутренний диаметр d, мм

От  до 

Наружный диаметр D, мм

От  до 

Ширина b, мм

Применяемость

Раздел каталога

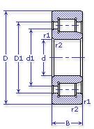
Подшипник роликовый радиальный с короткими цилиндрическими роликами однорядный с бортами на наружном кольце и с однобортовым внутренним кольцом

42244 М ТУ 37.006.154

Отечественный
Импортный

Производитель



уточнять наличие
Обозначение 42244 М ТУ 37.006.154
Внутренний диаметр, d (мм) 220
Наружный диаметр, D (мм) 400
Ширина, В (мм) 65
Масса, m (кг) 39.0
Грузоподъемность динамическая, C (kN) 765
Грузоподъемность статическая, Co (kN) 1104
Ном. частота вращен. при пластич. смазке, n grease (1/min) 1500
Марка стали, Материал ШХ-15
Ном. частота вращен. при жидк. смазке, n oil (1/min) 1800
Размеры ролика, dxl (мм) 40х40
Количество роликов, N роликов 20
42244 М ТУ 37.006.154
Марка Модель Узел Кол-во на узел
Станкостроение Не указано Не указано -
Бренд Обозначение
ГПЗ 42244
SKF NJ244
FAG NJ244
NSK NJ244
Товар добавлен в корзину
Перейти в корзину ×