Подшипники гост
Интернет-магазин
8-800-250-16-58
Обратный звонок

Заказ обратного звонка




Эл. почта:
info@amost.ru
Свои заказы Корзина пуста





Получать прайс-лист на email:

Чтобы отписаться от рассылки, введите e-mail, на который вы получаете наши письма:

 

Поиск подшипников

Масса и размеры

Внутренний диаметр d, мм

От  до 

Наружный диаметр D, мм

От  до 

Ширина b, мм

Применяемость

Раздел каталога

Подшипник роликовый радиальный с короткими цилиндрическими роликами однорядный с бортами на наружном кольце и с однобортовым внутренним кольцом

42307 М ГОСТ 520

Отечественный
Импортный

Производитель



уточнять наличие
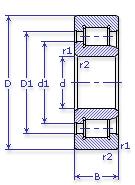
Обозначение 42307 М ГОСТ 520
Внутренний диаметр, d (мм) 35
Наружный диаметр, D (мм) 80
Ширина, В (мм) 21
Масса, m (кг) 0.499
Грузоподъемность динамическая, C (kN) 44.6
Грузоподъемность статическая, Co (kN) 27
Ном. частота вращен. при пластич. смазке, n grease (1/min) 8000
Ном. частота вращен. при жидк. смазке, n oil (1/min) 9500
Диаметр борта наружного кольца, D1(mm) 63.3
Диаметр борта внутреннего кольца, d1 (mm) 50.8
Радиус фаски, r1, r2 min (мм) 1.5
Размеры ролика, dxl (мм) 12х12
Количество роликов, N роликов 12
42307 М ГОСТ 520
Марка Модель Узел Кол-во на узел
МоАЗ 6401-9585 Вентилятор: привод 1
МоАЗ 7405-9586 Вентилятор: привод 1
Бренд Обозначение
ГПЗ 42307
SKF NJ307
FAG NJ307
NSK NJ307
Товар добавлен в корзину
Перейти в корзину ×