Подшипники гост
Интернет-магазин
8-800-250-16-58
Обратный звонок

Заказ обратного звонка




Эл. почта:
info@amost.ru
Свои заказы Корзина пуста





Получать прайс-лист на email:

Чтобы отписаться от рассылки, введите e-mail, на который вы получаете наши письма:

 

Поиск подшипников

Масса и размеры

Внутренний диаметр d, мм

От  до 

Наружный диаметр D, мм

От  до 

Ширина b, мм

Применяемость

Раздел каталога

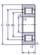
Подшипник роликовый радиальный с короткими цилиндрическими роликами однорядный с бортами на наружном кольце и с однобортовым внутренним кольцом

42312 М1Ш ГОСТ 520

Отечественный
Импортный

Производитель



уточнять наличие
Обозначение 42312 М1Ш ГОСТ 520
Внутренний диаметр, d (мм) 60
Наружный диаметр, D (мм) 130
Ширина, В (мм) 31
Масса, m (кг) 2.1900
Грузоподъемность динамическая, C (kN) 123
Грузоподъемность статическая, Co (kN) 125
Ном. частота вращен. при пластич. смазке, n grease (1/min) 4800
Марка стали, Материал ШХ-15
Ном. частота вращен. при жидк. смазке, n oil (1/min) 5600
Размеры ролика, dxl (мм) 18х18
Количество роликов, N роликов 13
42312 М1Ш ГОСТ 520
Марка Модель Узел Кол-во на узел
Трактор ЛХТ-55 Передача бортовая -
Бренд Обозначение
ГПЗ 42312
SKF NJ312
FAG NJ312
NSK NJ312
Товар добавлен в корзину
Перейти в корзину ×